GM Service Manual Online
For 1990-2009 cars only
Makes
🢒
Chevrolet
🢒
2008
🢒
TrailBlazer - 2WD
🢒
Brakes
🢒
Antilock Brake System
🢒 Antilock Brake System Schematics
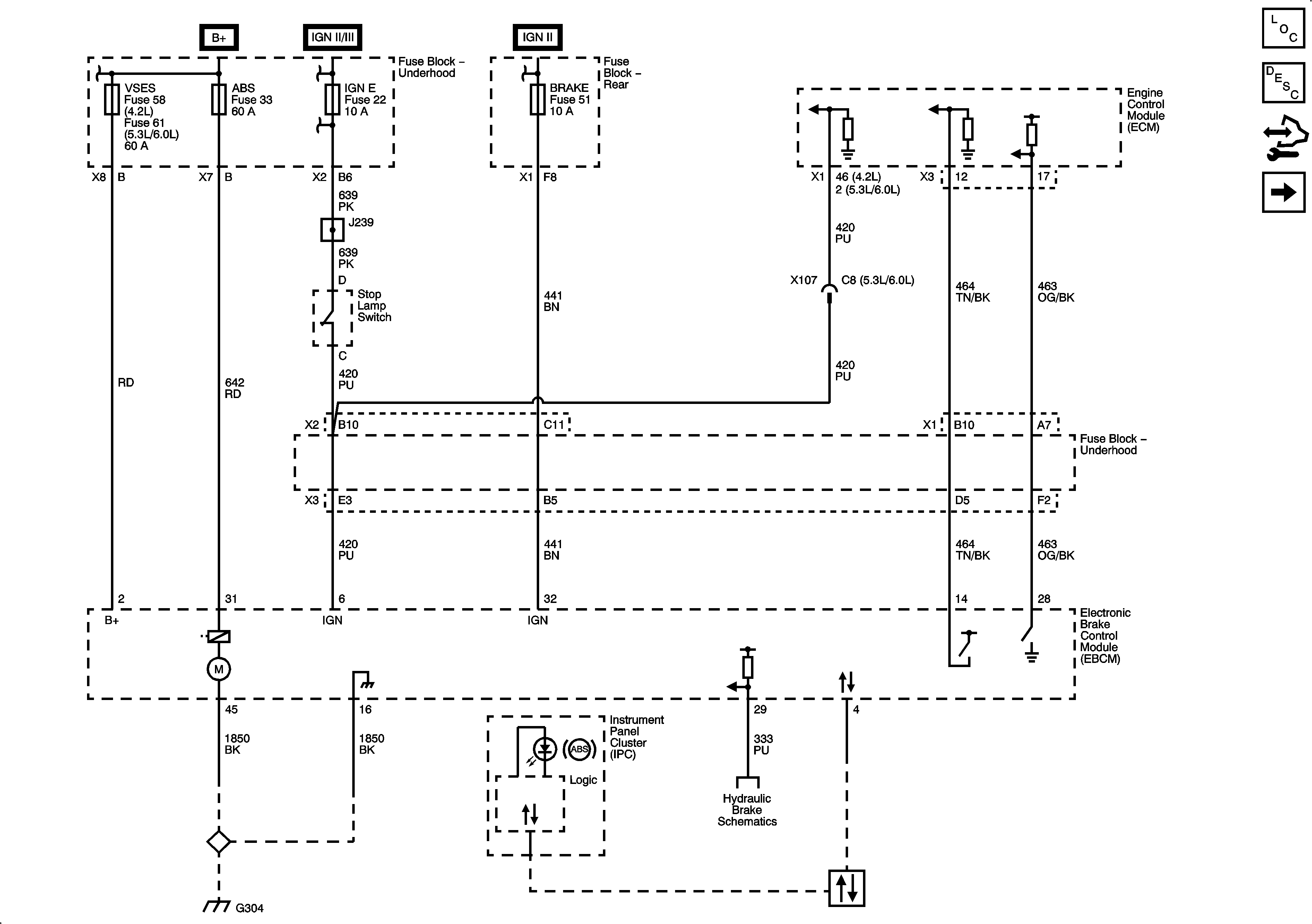
Figure
1:
EBCM Power Ground, Serial Data, Indicator, and Signal Circuits
Master Electrical Component List
ABS Description and Operation
Control Module References
Wheel Speed Sensors and Yaw Rate/Lateral Acceleration Sensor
Figure
2:
Wheel Speed Sensors and Yaw Rate/Lateral Acceleration Sensor
Master Electrical Component List
ABS Description and Operation
Control Module References
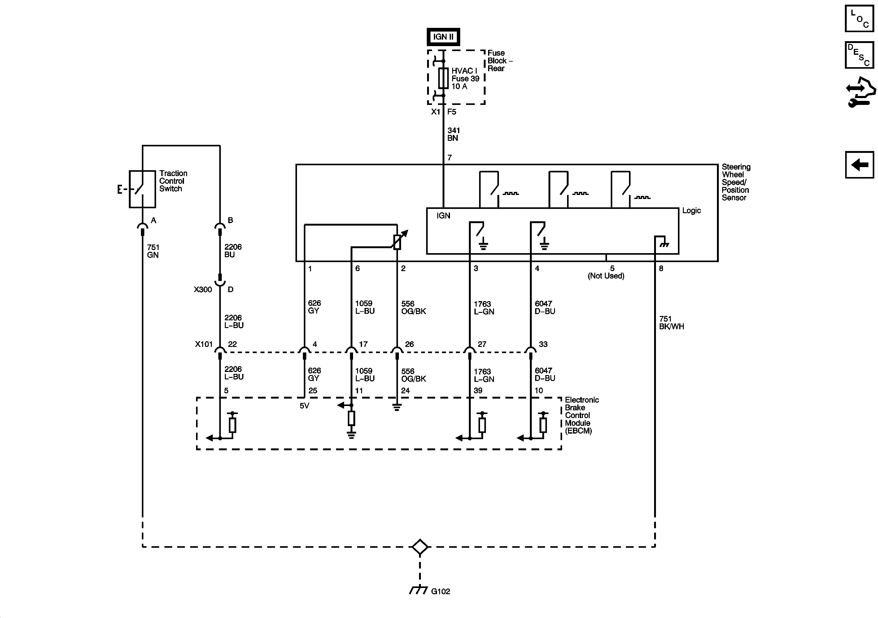
Steering Wheel Speed/Position Sensor and Traction Control Switch
EBCM Power, Ground, Serial Data, Indicator, and Signal Circuits
Figure
3:
Steering Wheel Speed/Position Sensor and Traction Control Switch
Master Electrical Component List
ABS Description and Operation
Control Module References
Wheel Speed Sensors and Yaw Rate/Lateral Acceleration Sensor