GM Service Manual Online
For 1990-2009 cars only
Figure 1:

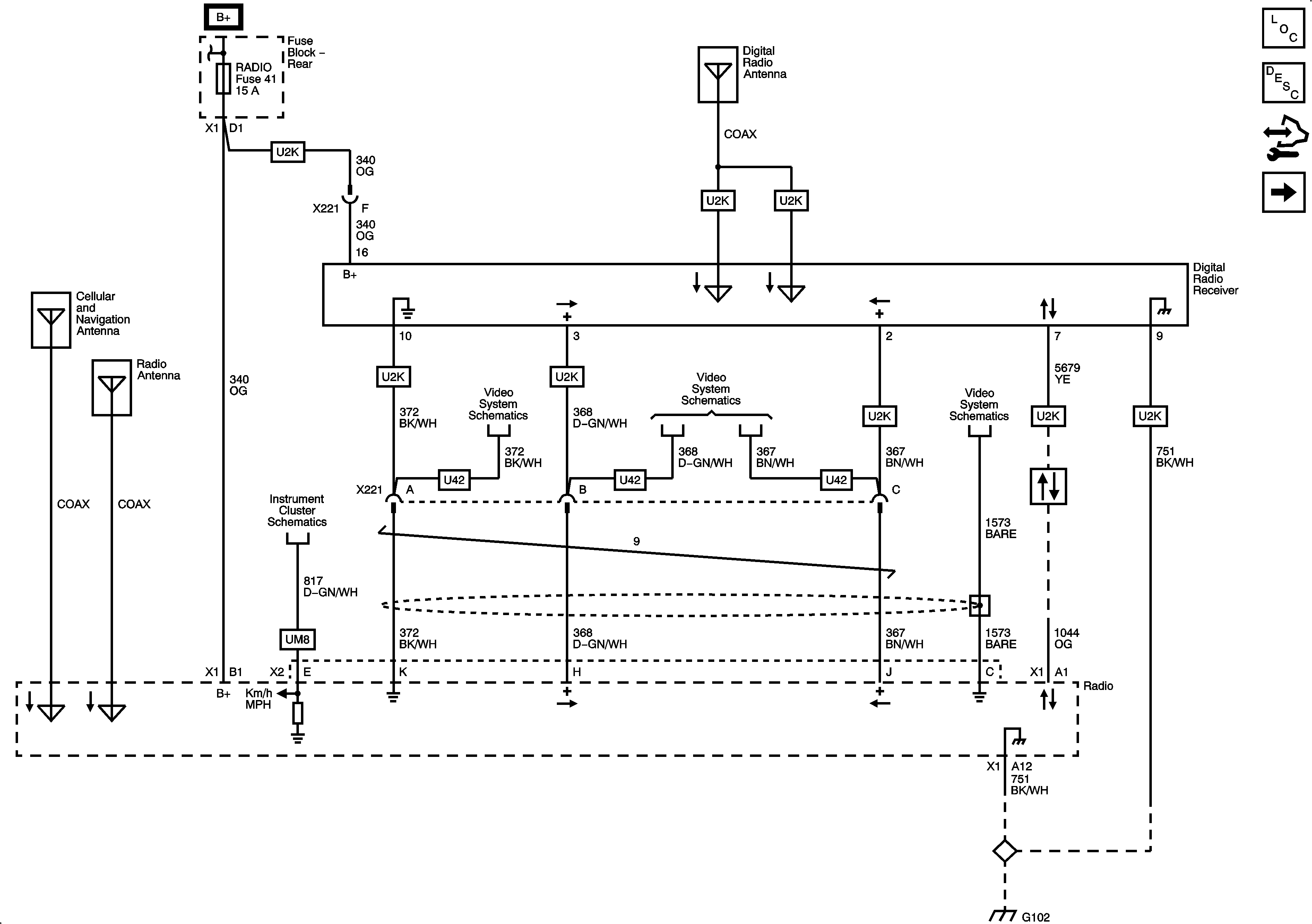
Power, Ground, Serial Data, and Digital Radio Receiver


Object Number: 1923830  Size: FS
Master Electrical Component List
Navigation System Description and Operation
Control Module References
Base Radio - w/o Rear Seat Audio Controls
Figure 2:

Base Radio - w/o Rear Seat Audio Controls


Object Number: 1923832  Size: FS
Master Electrical Component List
Radio/Audio System Description and Operation
Control Module References
Base Radio - w/Rear Seat Audio Controls
Power, Ground, Serial Data, and Digital Radio Receiver
Figure 3:

Base Radio - w/Rear Seat Audio Controls


Object Number: 1923835  Size: FS
Master Electrical Component List
Radio/Audio System Description and Operation
Control Module References
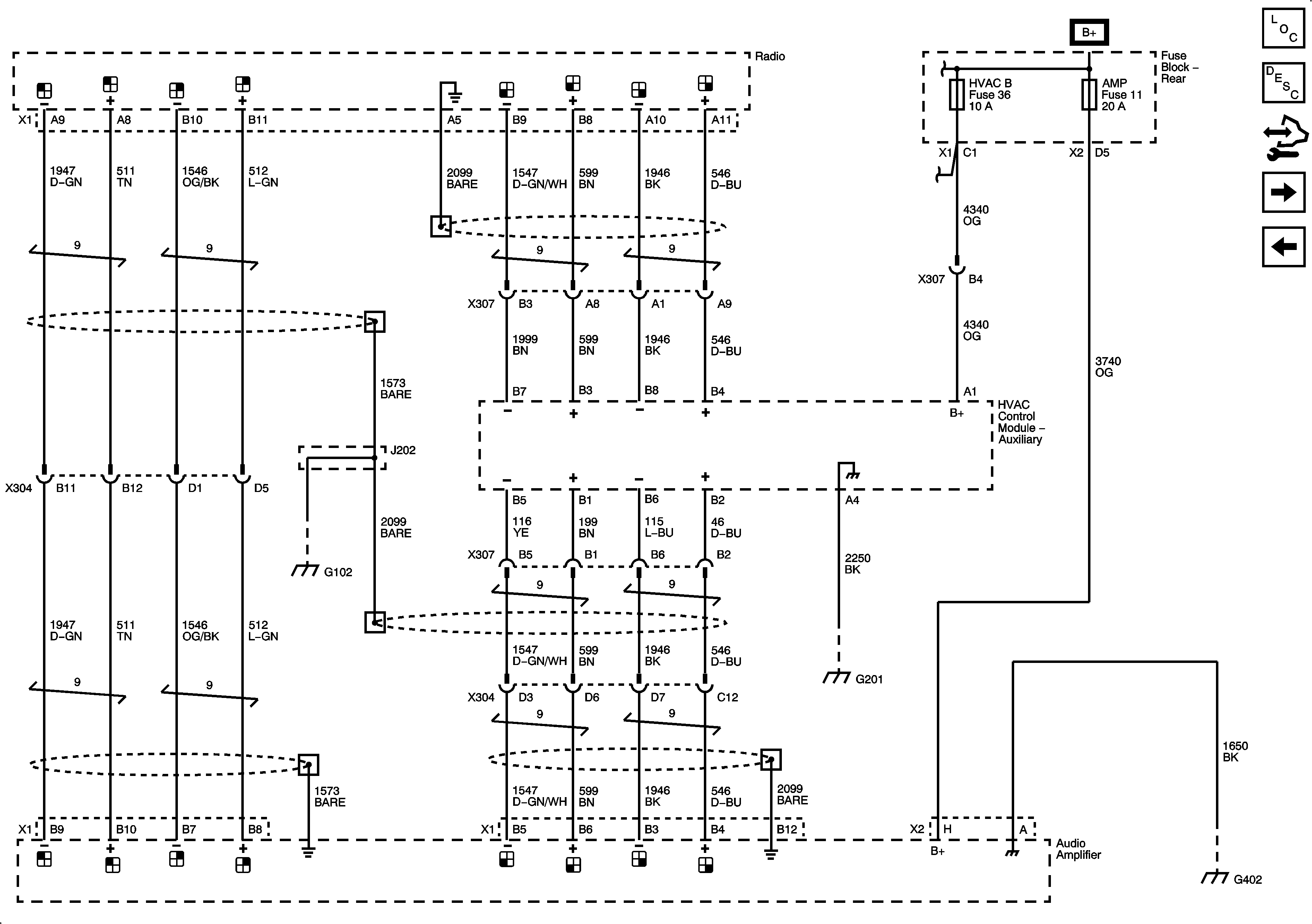
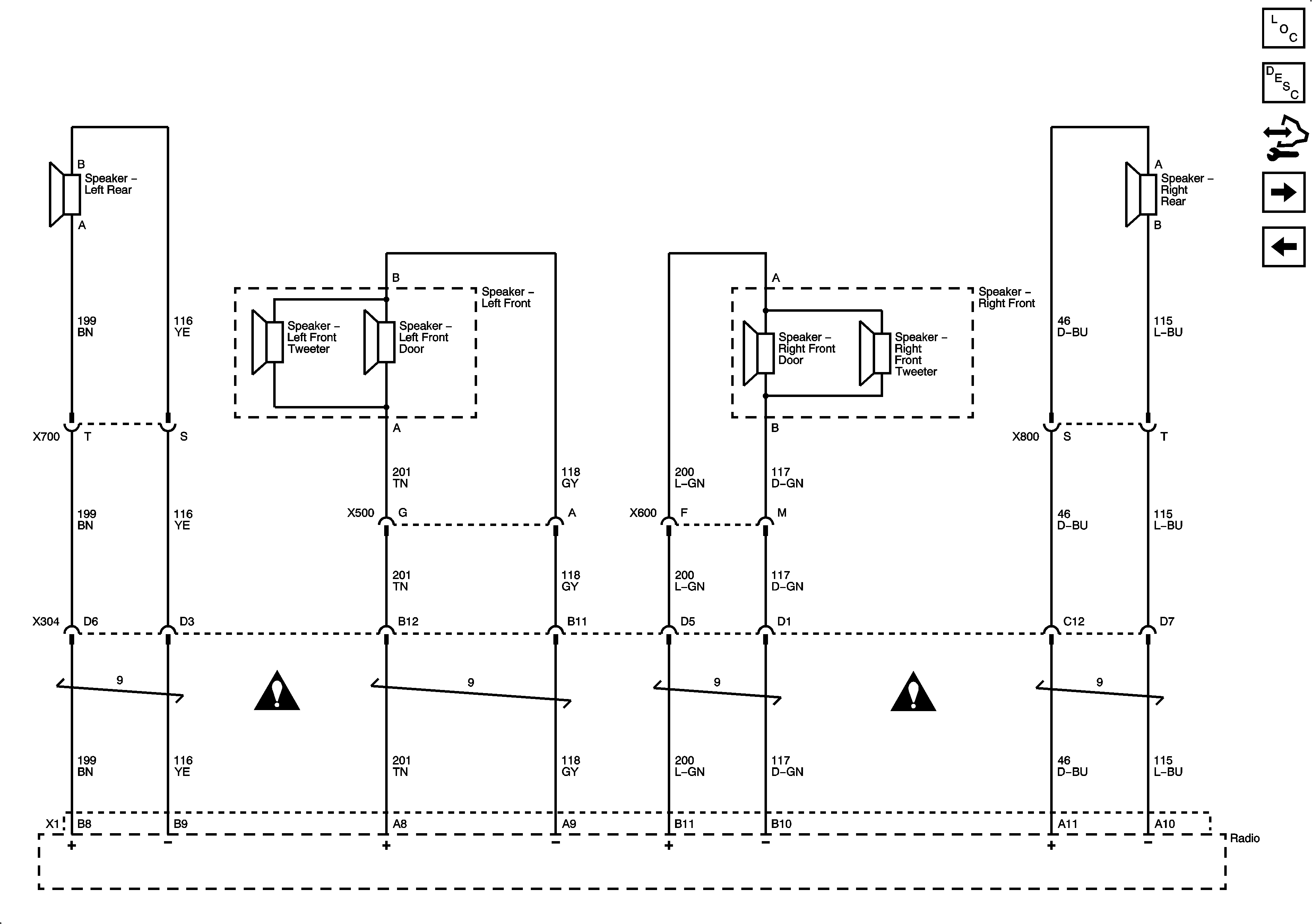
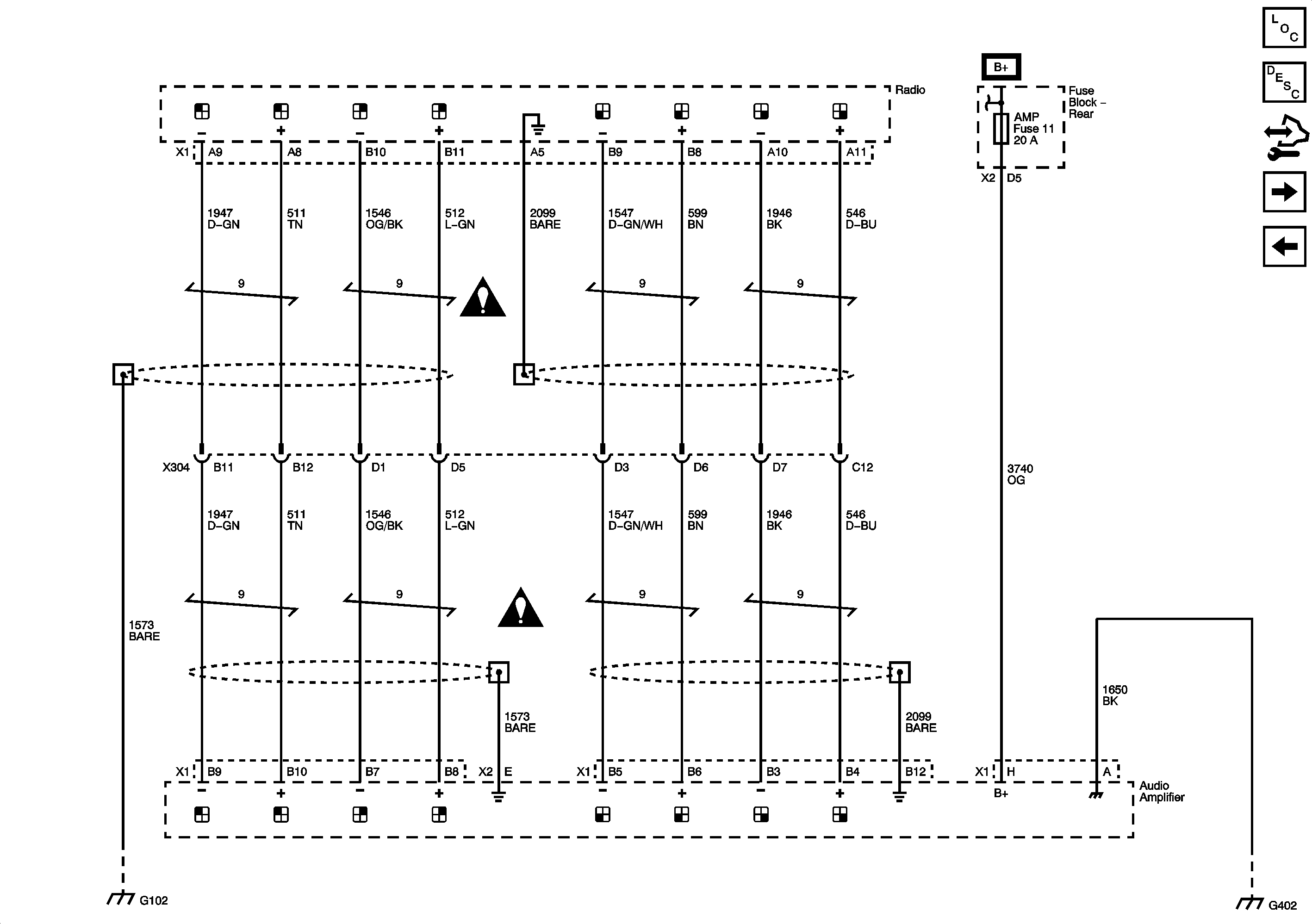
Audio Amplifier Power, Grounds, and Premium Radio Low Level Audio Outputs w/o Rear Seat Audio Controls
Base Radio - w/o Rear Seat Audio Controls
Figure 4:

Audio Amplifier Power, Grounds, and Premium Radio Low Level Audio Outputs w/o Rear Seat Audio Controls


Object Number: 1923838  Size: FS
Master Electrical Component List
Radio/Audio System Description and Operation
Control Module References
Audio Amplifier Power, Grounds, and Premium Radio Low Level Audio Outputs w/Rear Seat Audio Controls
Base Radio - w/Rear Seat Audio Controls
Figure 5:

Audio Amplifier Power, Grounds, and Premium Radio Low Level Audio Outputs w/Rear Seat Audio Controls


Object Number: 1923842  Size: FS
Master Electrical Component List
Radio/Audio System Description and Operation
Control Module References
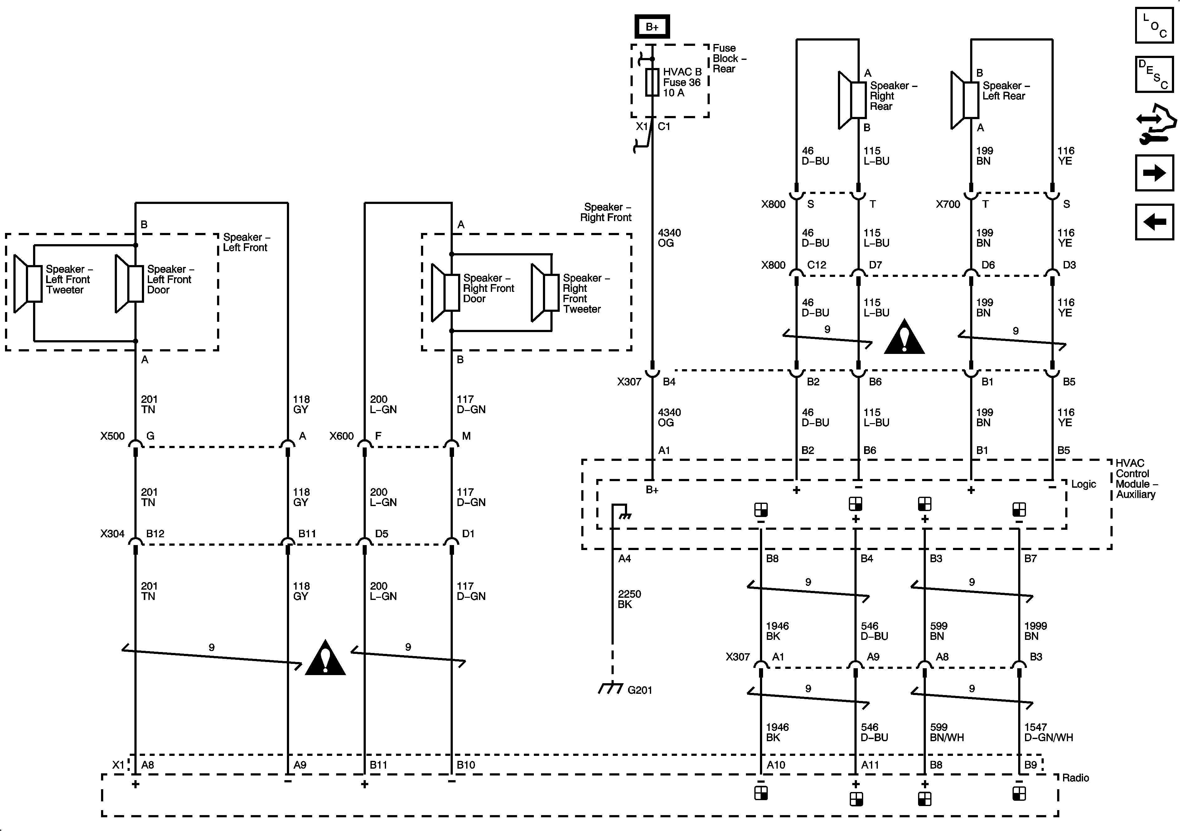
Premium Radio Amplifier Outputs
Audio Amplifier Power, Grounds, and Premium Radio Low Level Audio Outputs w/o Rear Seat Audio Controls
Figure 6:

Premium Radio Amplifier Outputs


Object Number: 1923845  Size: FS
Master Electrical Component List
Radio/Audio System Description and Operation
Control Module References
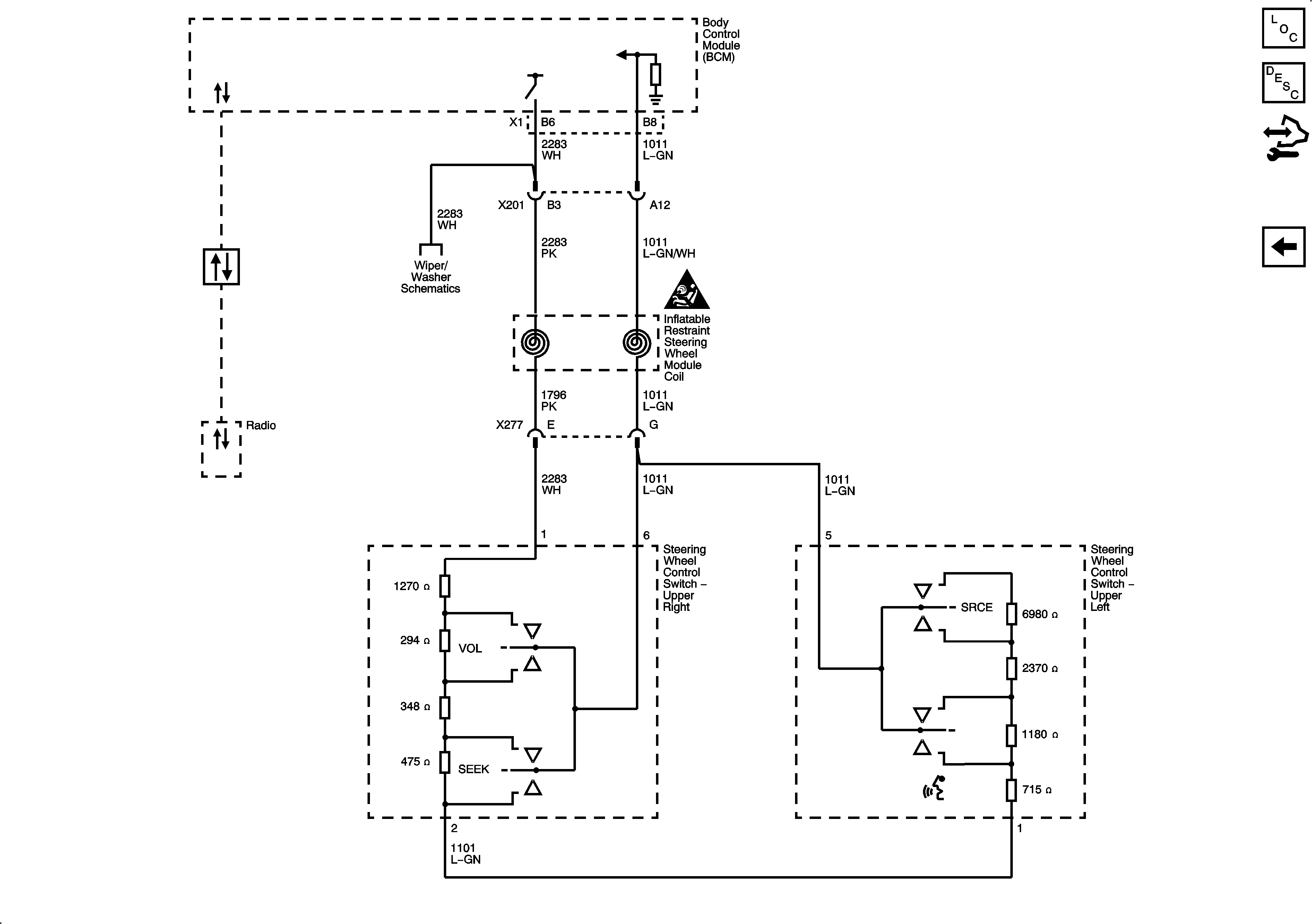
Steering Wheel Controls - STW
Audio Amplifier Power, Grounds, and Premium Radio Low Level Audio Outputs w/Rear Seat Audio Controls
Figure 7:

Steering Wheel Controls - STW


Object Number: 1923848  Size: FS
Master Electrical Component List
Radio/Audio System Description and Operation
Control Module References
Premium Radio Amplifier Outputs