GM Service Manual Online
For 1990-2009 cars only
Makes
🢒
Chevrolet
🢒
2009
🢒
TrailBlazer - 2WD
🢒
Diagnostic Navigation
🢒
Vehicle Diagnostic Information
🢒 Data Communication Schematics
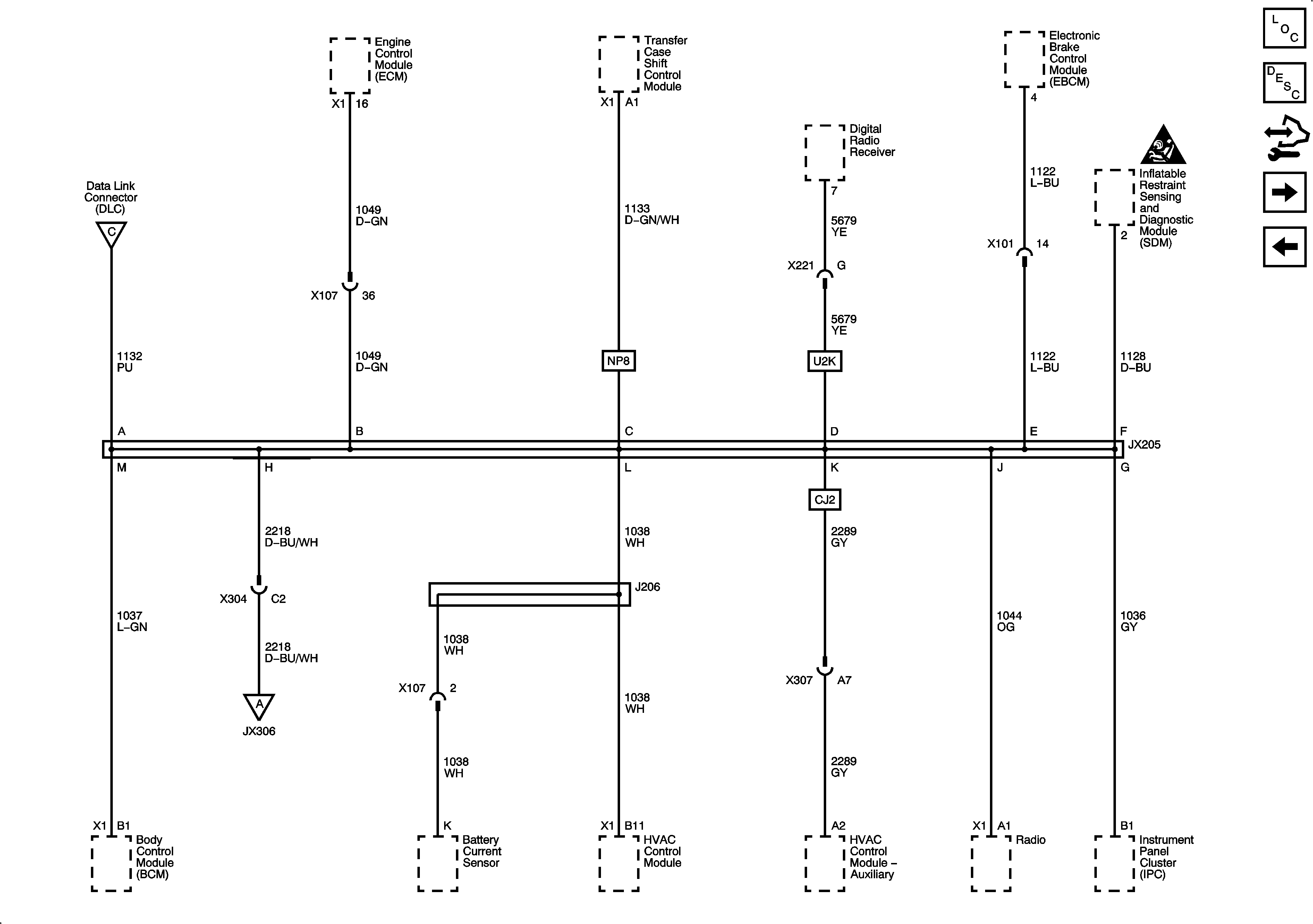
Figure
1:
Power, Ground, and Data Link Connector
Master Electrical Component List
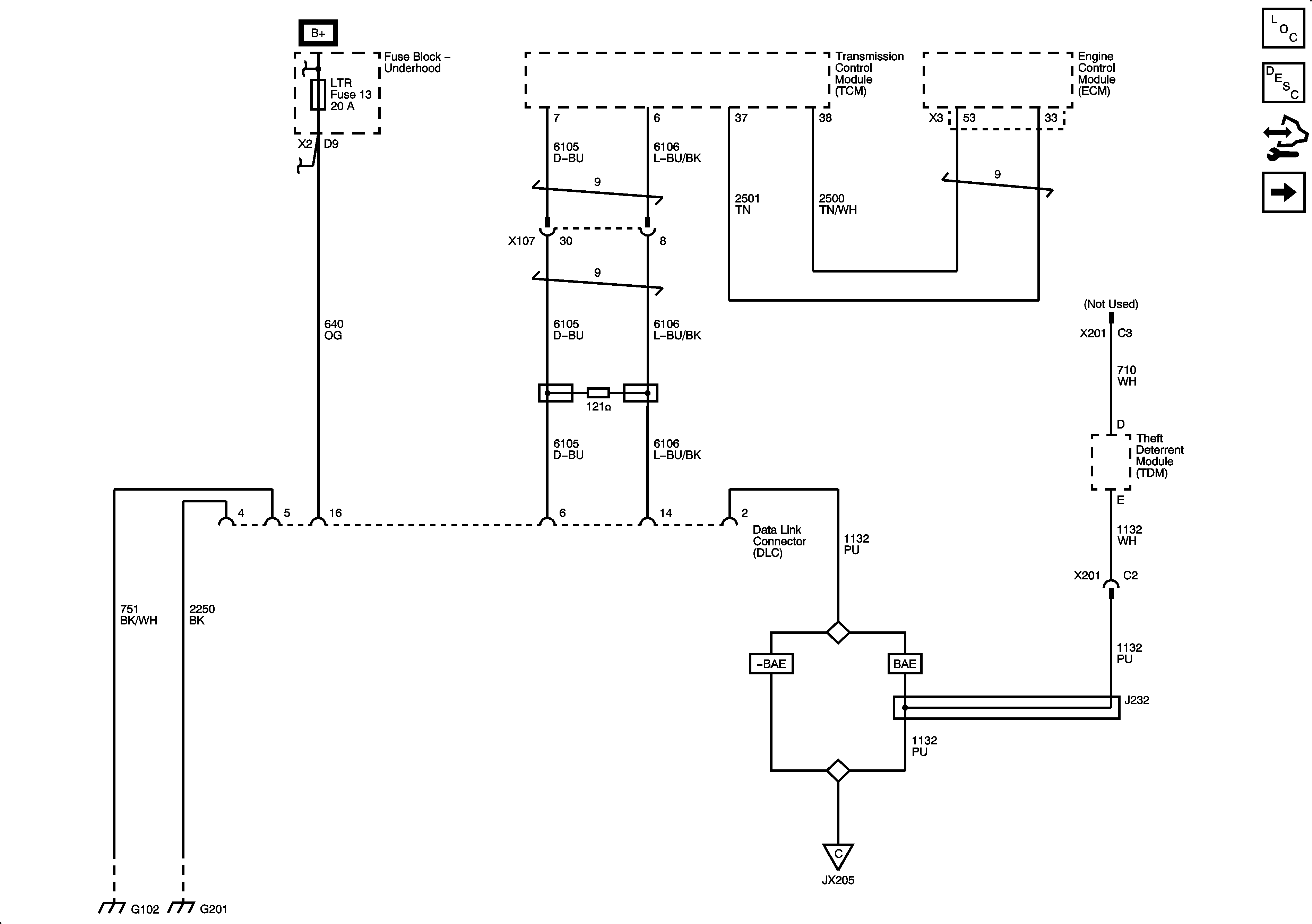
Figure
2:
SP205
Master Electrical Component List
Figure
3:
SP306
Master Electrical Component List