GM Service Manual Online
For 1990-2009 cars only
Makes
🢒
Chevrolet
🢒
2009
🢒
TrailBlazer - 2WD
🢒
Diagnostic Navigation
🢒
Vehicle Diagnostic Information
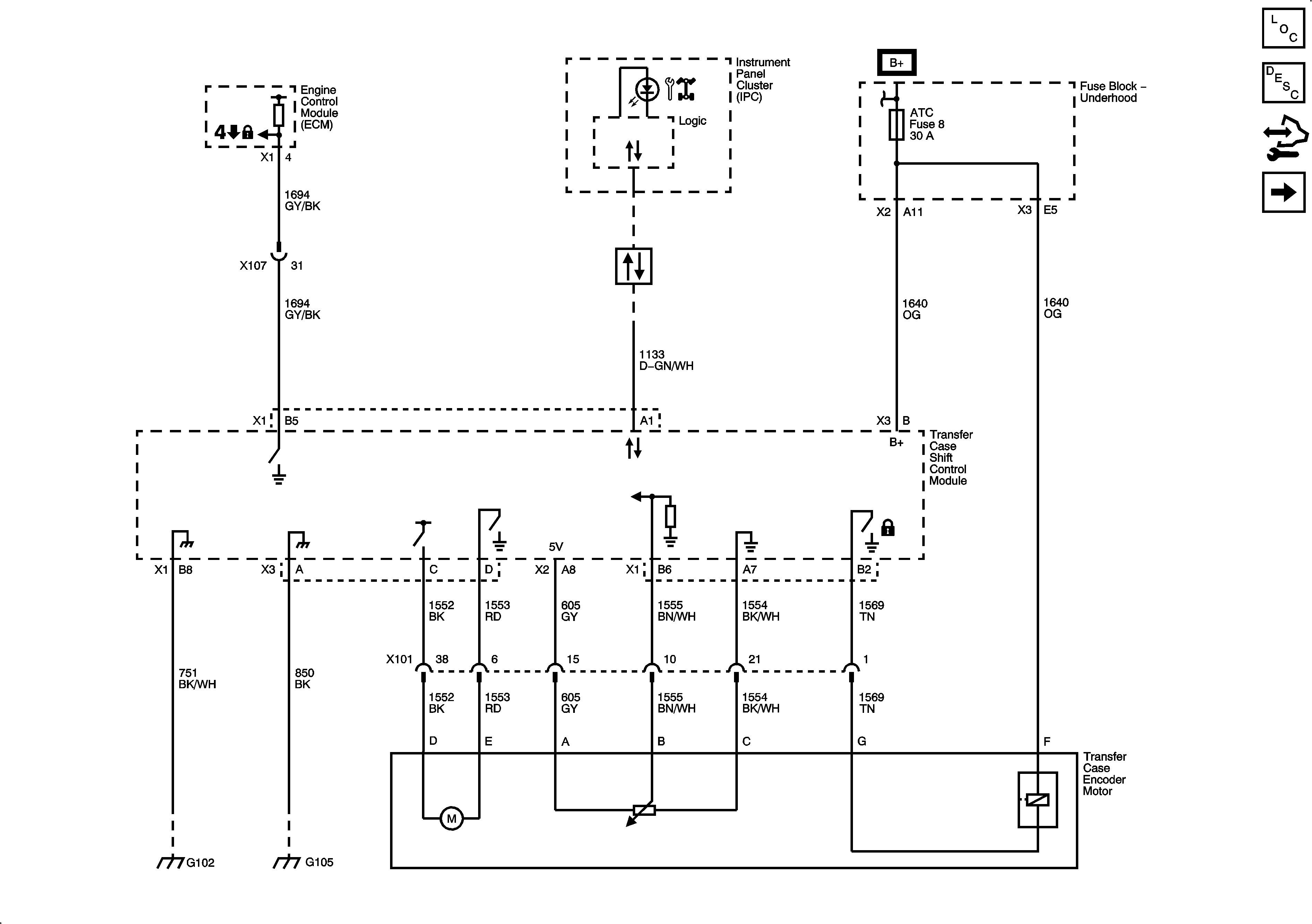
🢒 Transfer Case Control Schematics
Figure
1:
Power, Ground, Serial Data, and Transfer Case Encoder Motor
Figure
2:
Speed Signal, Front Axle Actuator and Indicators