GM Service Manual Online
For 1990-2009 cars only
Makes
🢒
Chevrolet
🢒
2009
🢒
TrailBlazer - 2WD
🢒
Diagnostic Navigation
🢒
Vehicle Diagnostic Information
🢒 Antilock Brake System Schematics
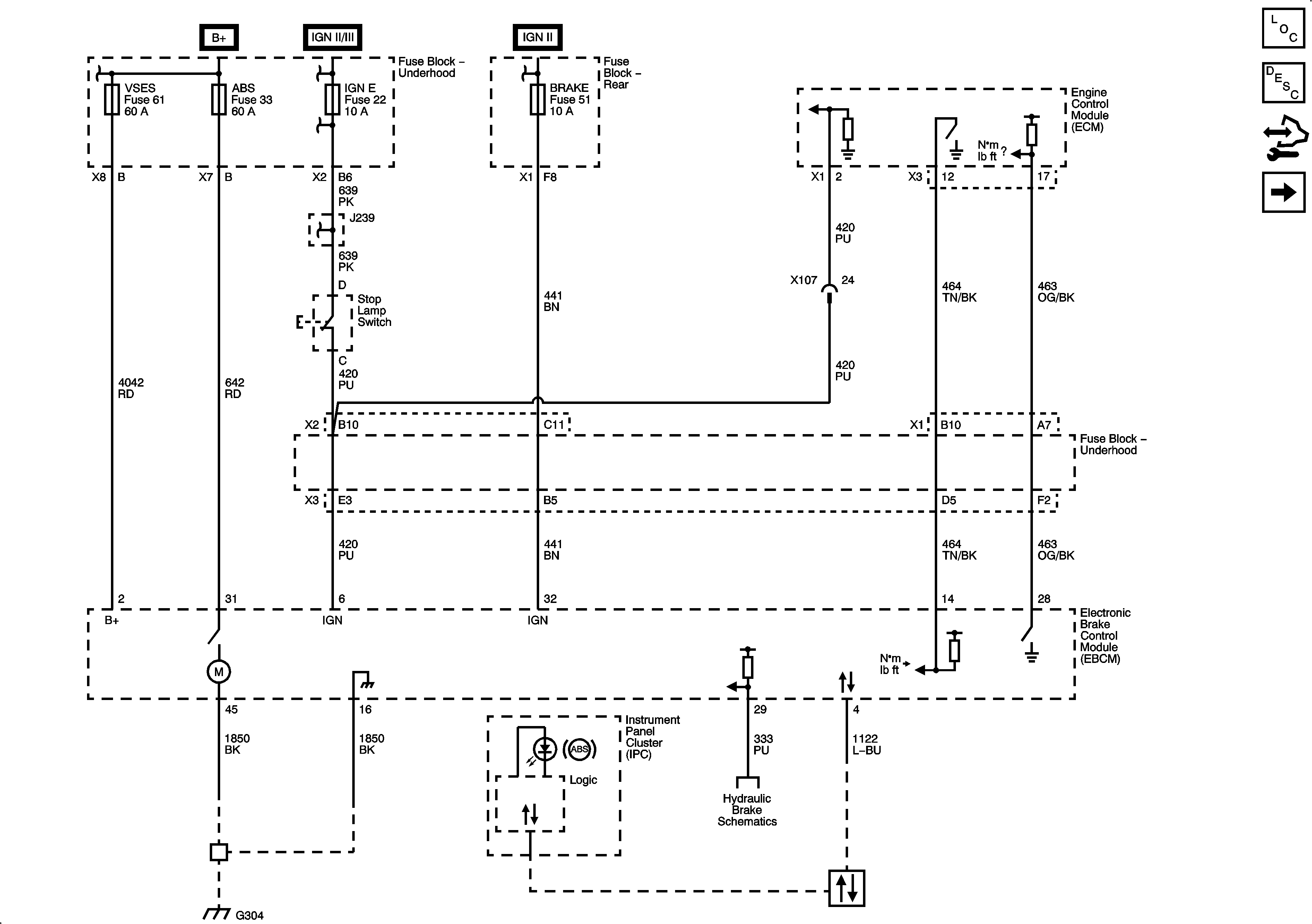
Figure
1:
EBCM Power, Ground, Serial Data, Indicator, and Signal Circuits
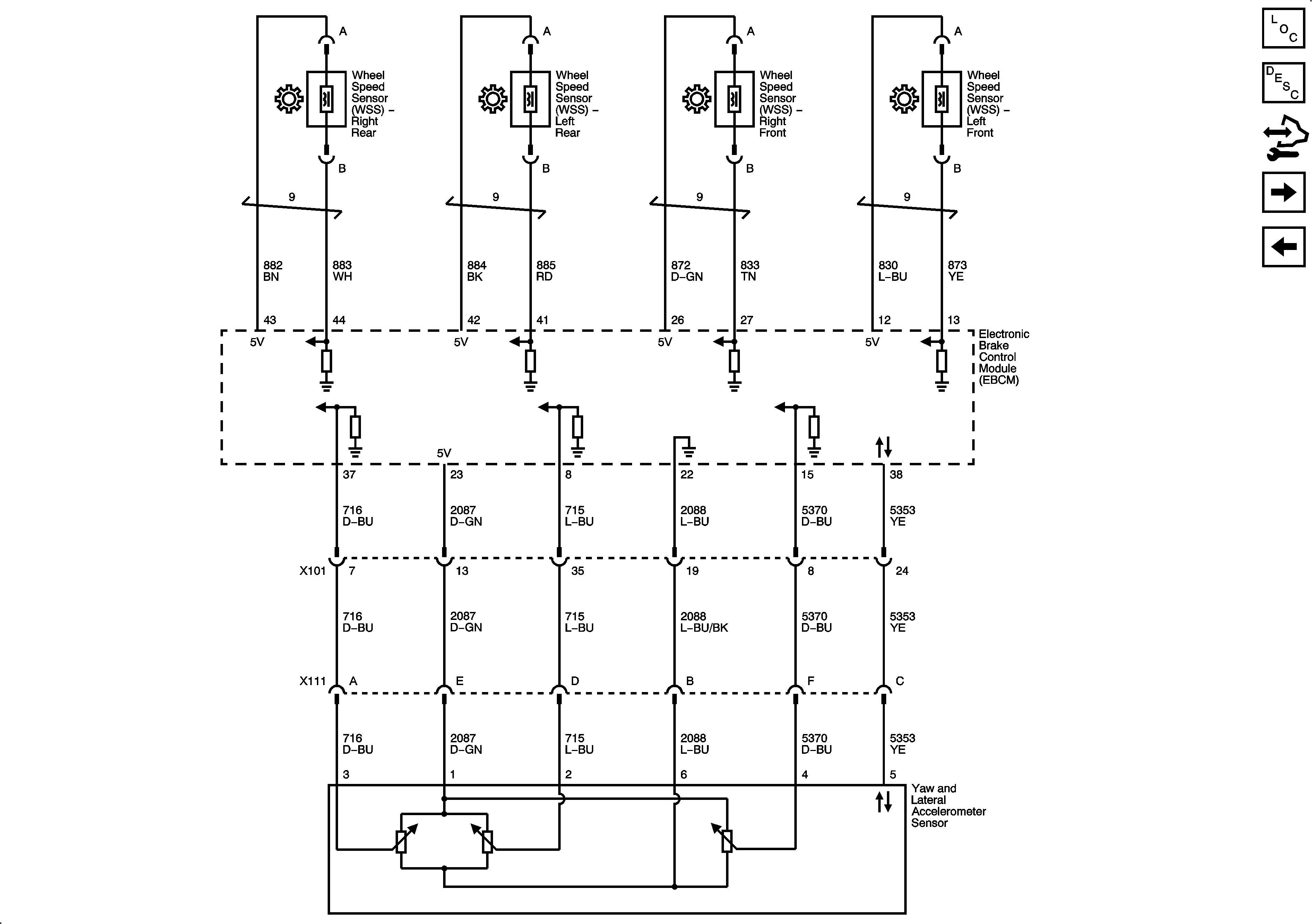
Figure
2:
Wheel Speed Sensors and Yaw Rate/Lateral Acceleration Sensor
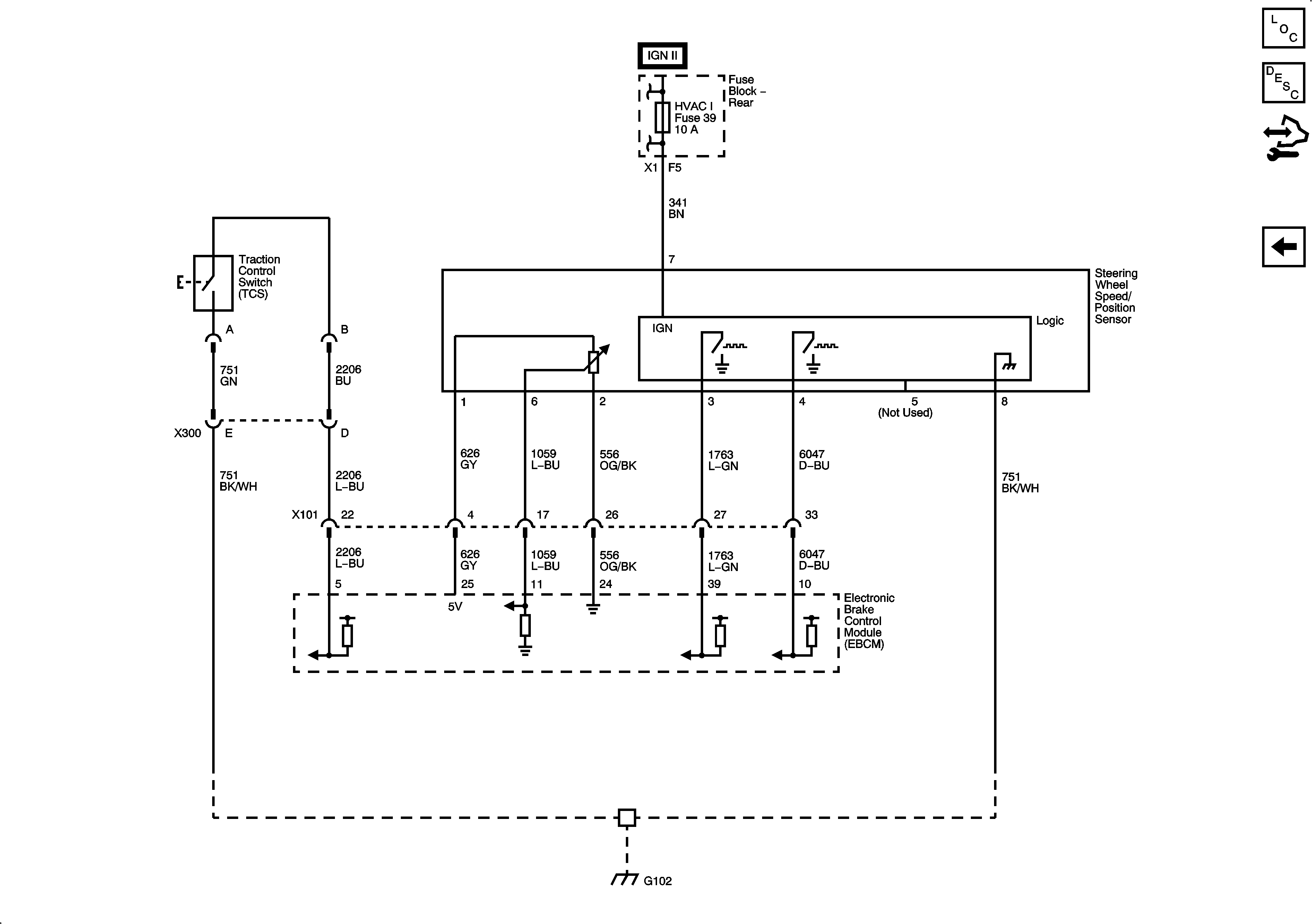
Figure
3:
Steering Wheel Speed/Position Sensor and Traction Control Switch