GM Service Manual Online
For 1990-2009 cars only
Makes
🢒
Chevrolet
🢒
2009
🢒
TrailBlazer - 2WD
🢒
Driver Information and Entertainment
🢒
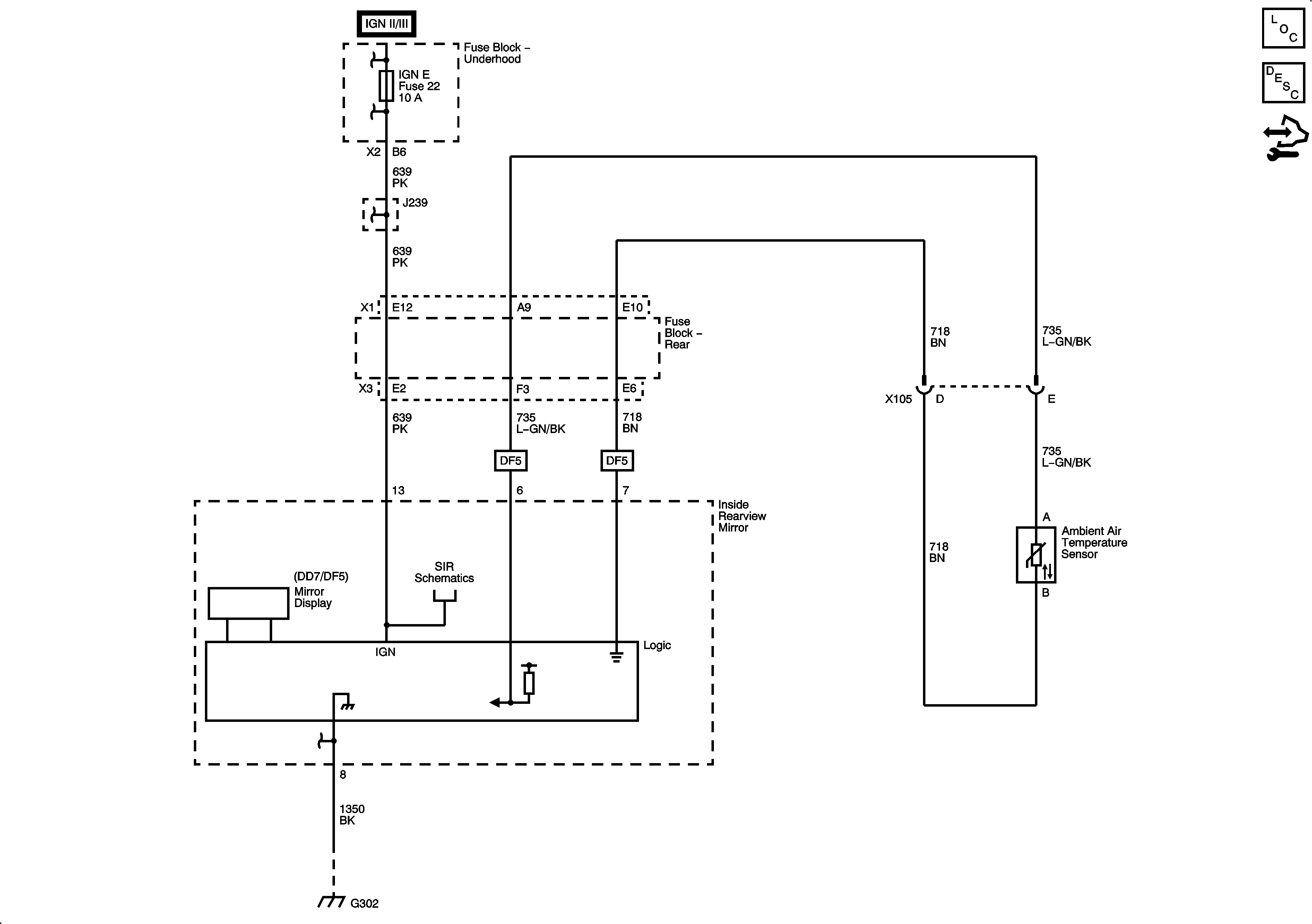
Displays and Gages
🢒 Driver Information System Schematics