GM Service Manual Online
For 1990-2009 cars only
Makes
🢒
Chevrolet
🢒
2009
🢒
TrailBlazer - 2WD
🢒
Transmission
🢒
Automatic Transmission - 4L60-E/4L65-E/4L70-E
🢒 Automatic Transmission Controls Schematics
Figure
1:
Module Power, Ground, Serial Data, and Stop Lamp Switch
Figure
2:
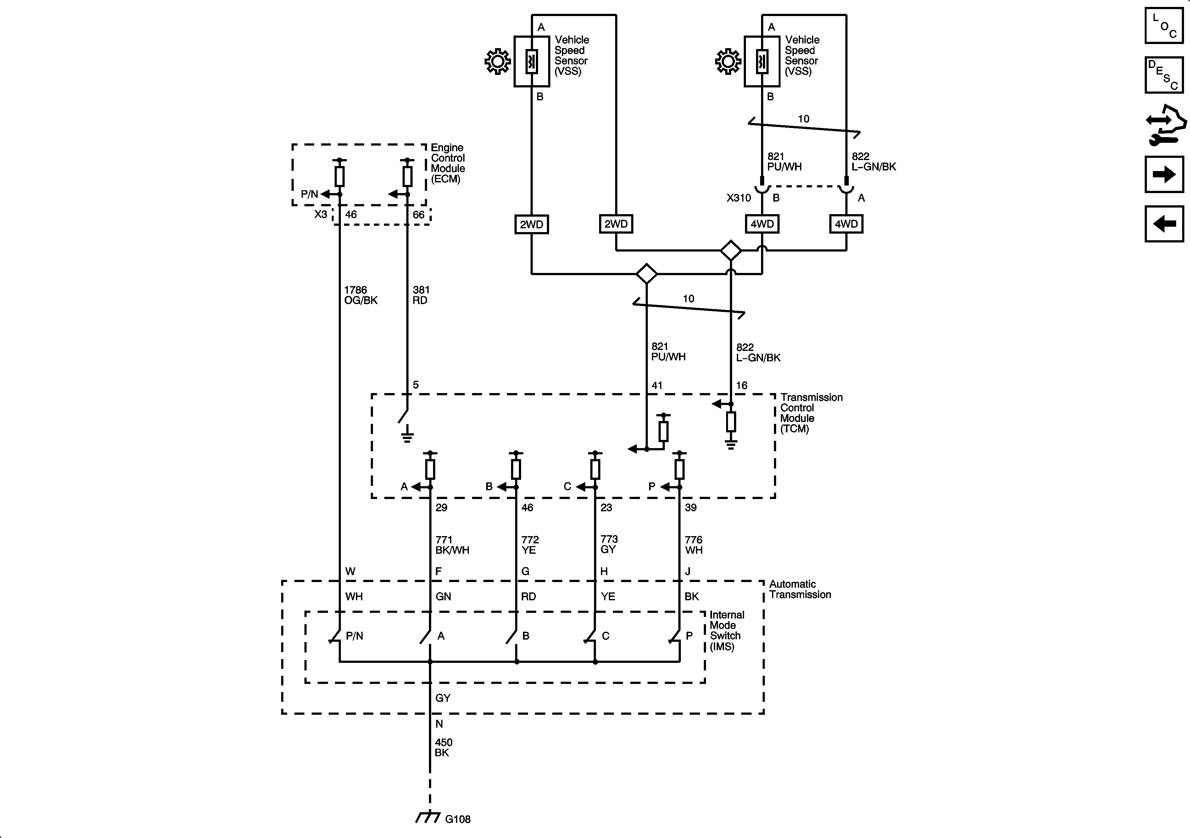
PNP Switch and VSS
Figure
3:
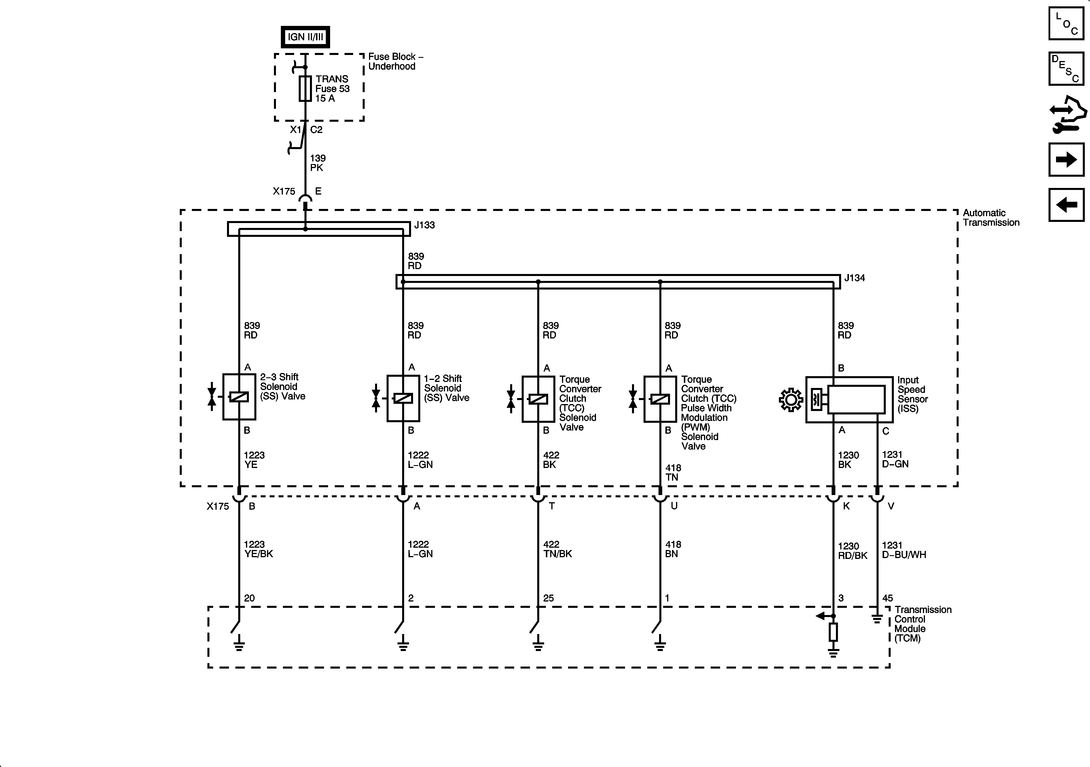
Shift Controls
Figure
4:
Temperature and Pressure Controls