GM Service Manual Online
For 1990-2009 cars only
Makes
🢒
Chevrolet
🢒
2004
🢒
TrailBlazer - 4WD
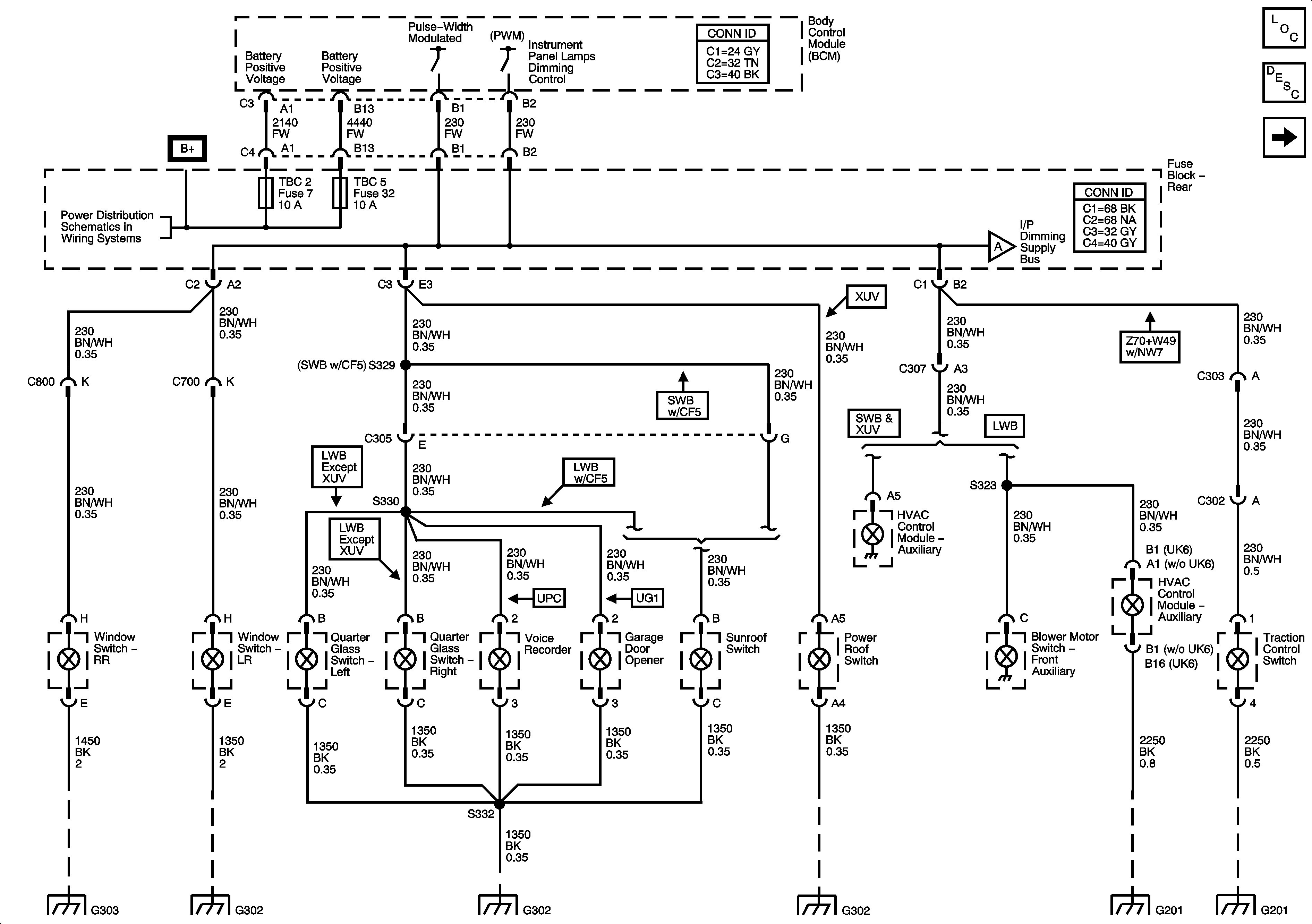
🢒 I/P Dimming Supply - 1 of 2
I/P Dimming Supply - 1 of 2
I/P Dimming Supply - 1 of 2
Master Electrical Component List
Interior Lighting Systems Description and Operation
I/P Dimming Supply - 2 of 2
B+ Bus - Rear Fuse Block
I/P Dimming Supply - 2 of 2
G302 - 1 of 2, G303, and G304
G302 - 1 of 2, G303, and G304
G302 - 2 of 2
G302 - 2 of 2
G201 - 1 of 2
G201 - 1 of 2