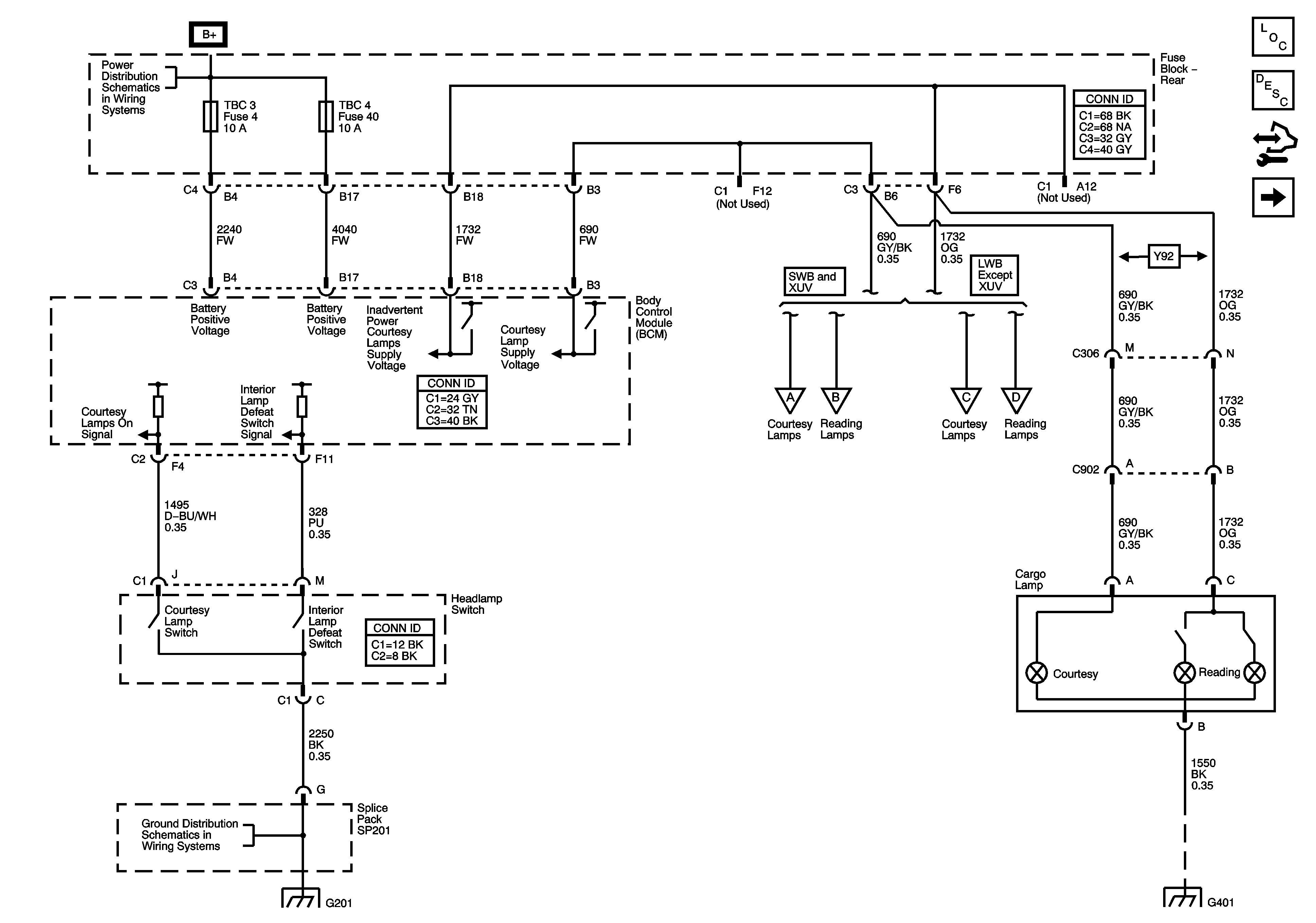
| Figure 1: |
Interior Lamps Controls
|
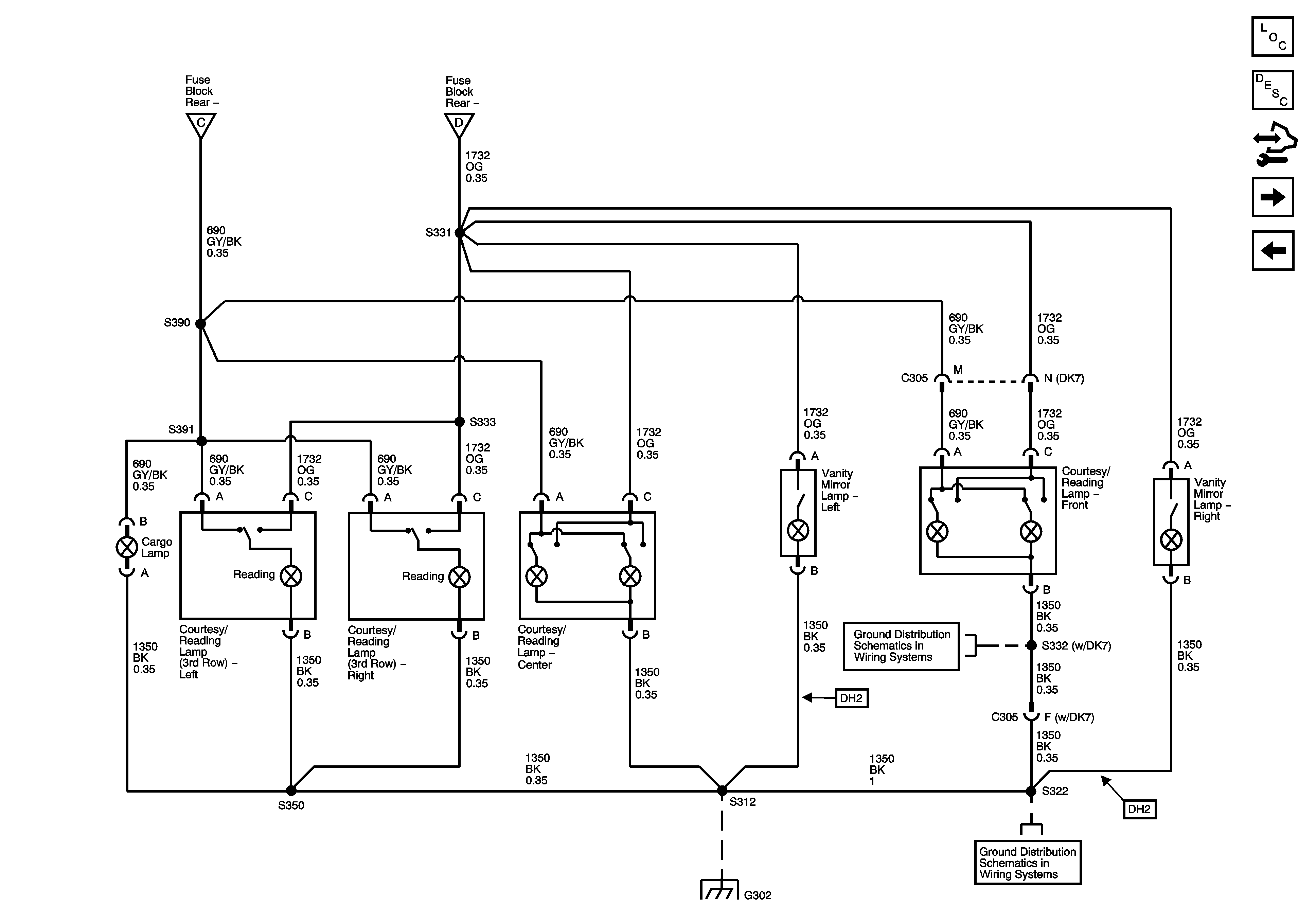
| Figure 2: |
Interior Lamps - Short Wheel Base (SWB) and XUV
|
| Figure 3: |
Interior Lamps - Long Wheel Base (LWB) except XUV
|
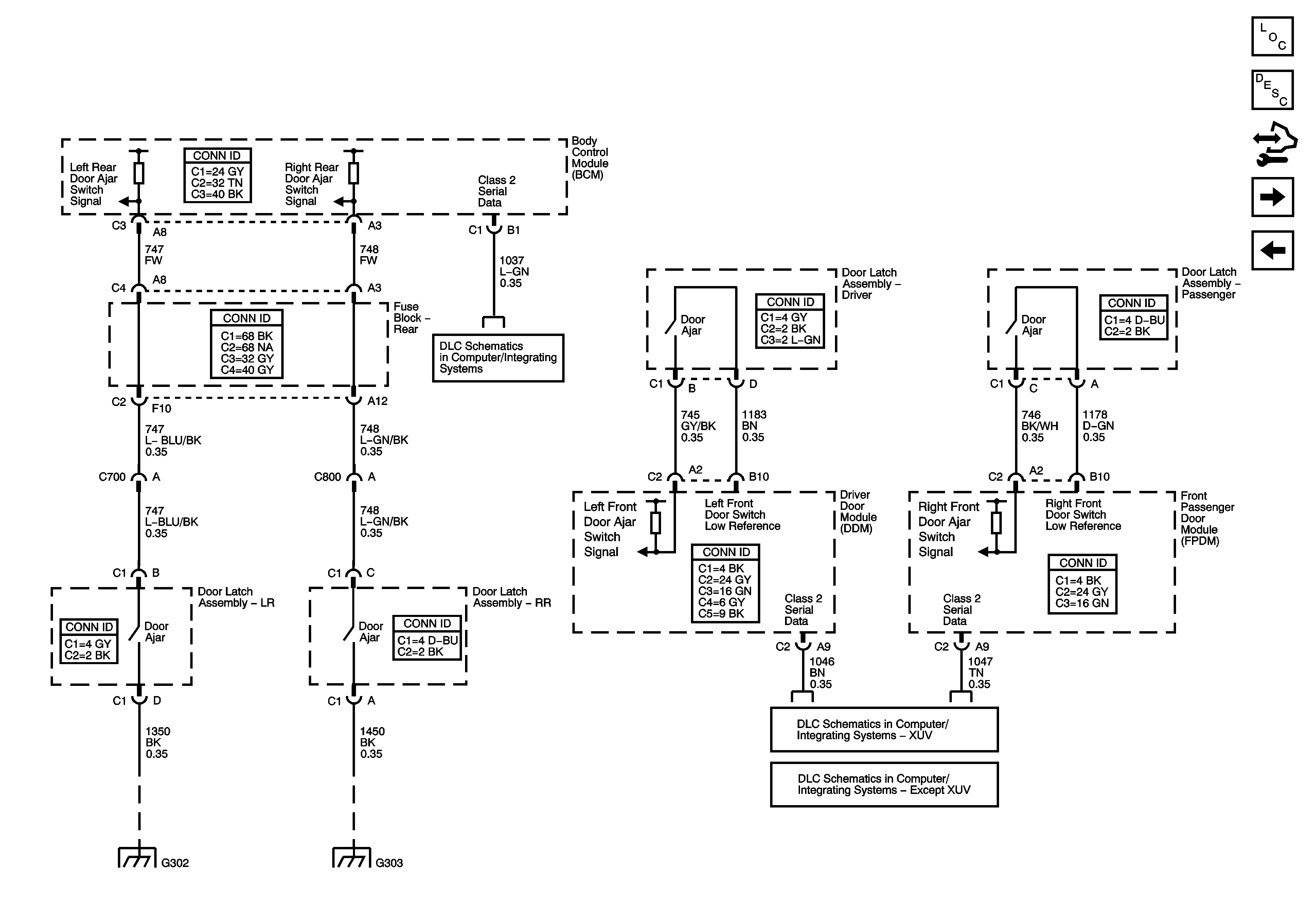
| Figure 4: |
Door Switch Inputs
|
| Figure 5: |
Liftgate Module (Except XUV) and Endgate Module (XUV) Switch Inputs
|