GM Service Manual Online
For 1990-2009 cars only
Makes
🢒
Chevrolet
🢒
2005
🢒
TrailBlazer - 4WD
🢒
Body
🢒
Lighting Systems
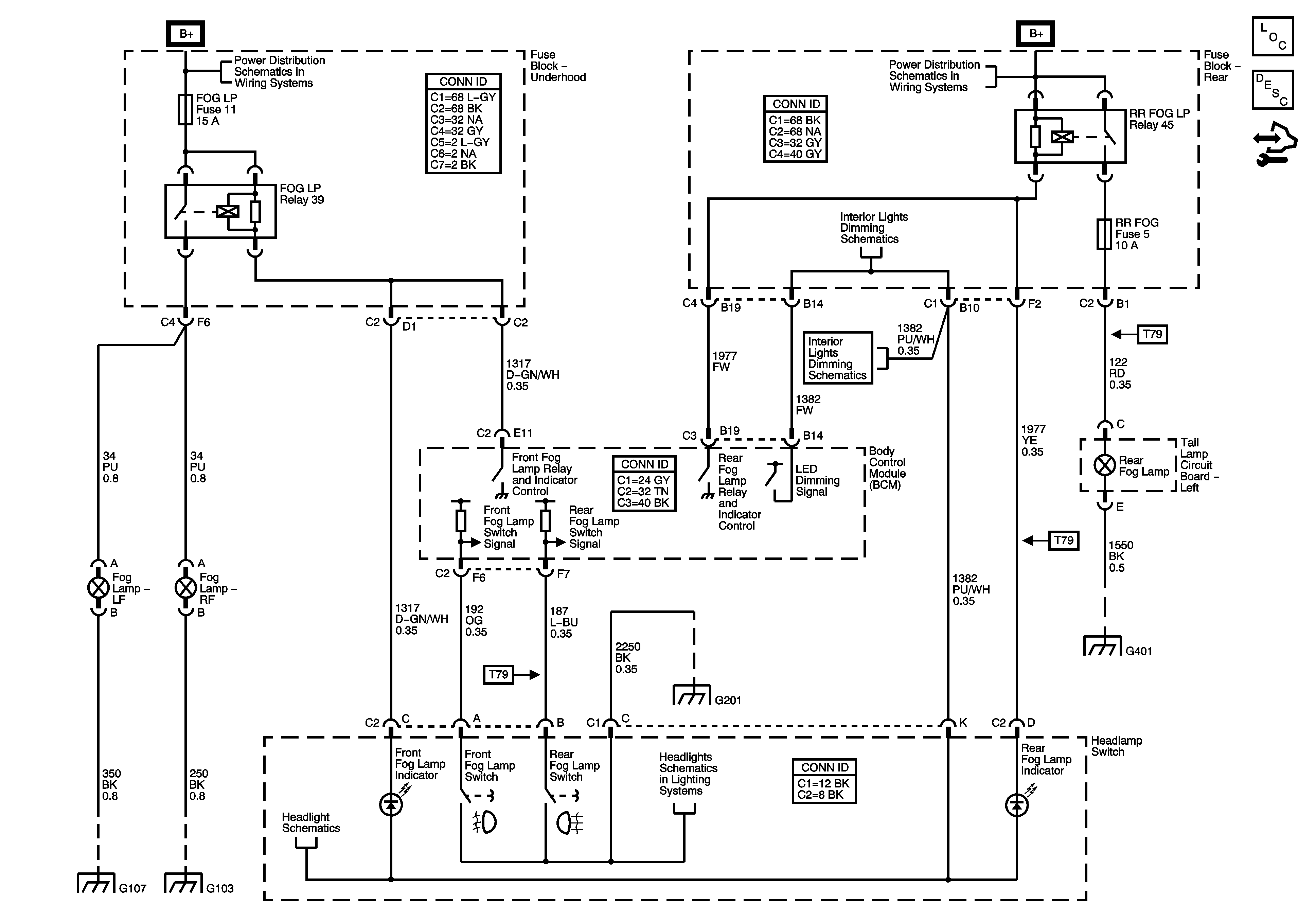
🢒 Fog Lights Schematics
Master Electrical Component List
Exterior Lighting Systems Description and Operation
Control Module References
B+ Bus - Underhood Fuse Block
B+ Bus - Rear Fuse Block
Courtesy Lamp Supply - 2 of 2
Courtesy Lamp Supply - 2 of 2
G201 - 1 of 2
G401, G402, and G403 - Except XUV
G101, G103, G106, and G110
G101, G103, G106, and G110
Headlamp Switch
Headlamp Switch