GM Service Manual Online
For 1990-2009 cars only
Figure 1:

EBCM Power, Ground, Serial Data, Indicator, Signal Circuits, and Brake Booster Vacuum Sensor


Object Number: 1413075  Size: FS
Master Electrical Component List
ABS Description and Operation W/O NW7
Control Module References
Traction Control (NW7), and Wheel Speed and Sensors - Except W49
B+ Bus - Underhood Fuse Block
Ignition Switch - ACCY/RUN and RUN/START Bus Bars, IGN B Fuse
BRAKE, HVAC I, and TBC RUN Fuses
BACK UP, BTSI, IGNE, TBC IGN1, and TRLR B/U Fuses
BACK UP, BTSI, IGNE, TBC IGN1, and TRLR B/U Fuses
G302 - 1 of 2, G303, and G304
SP205
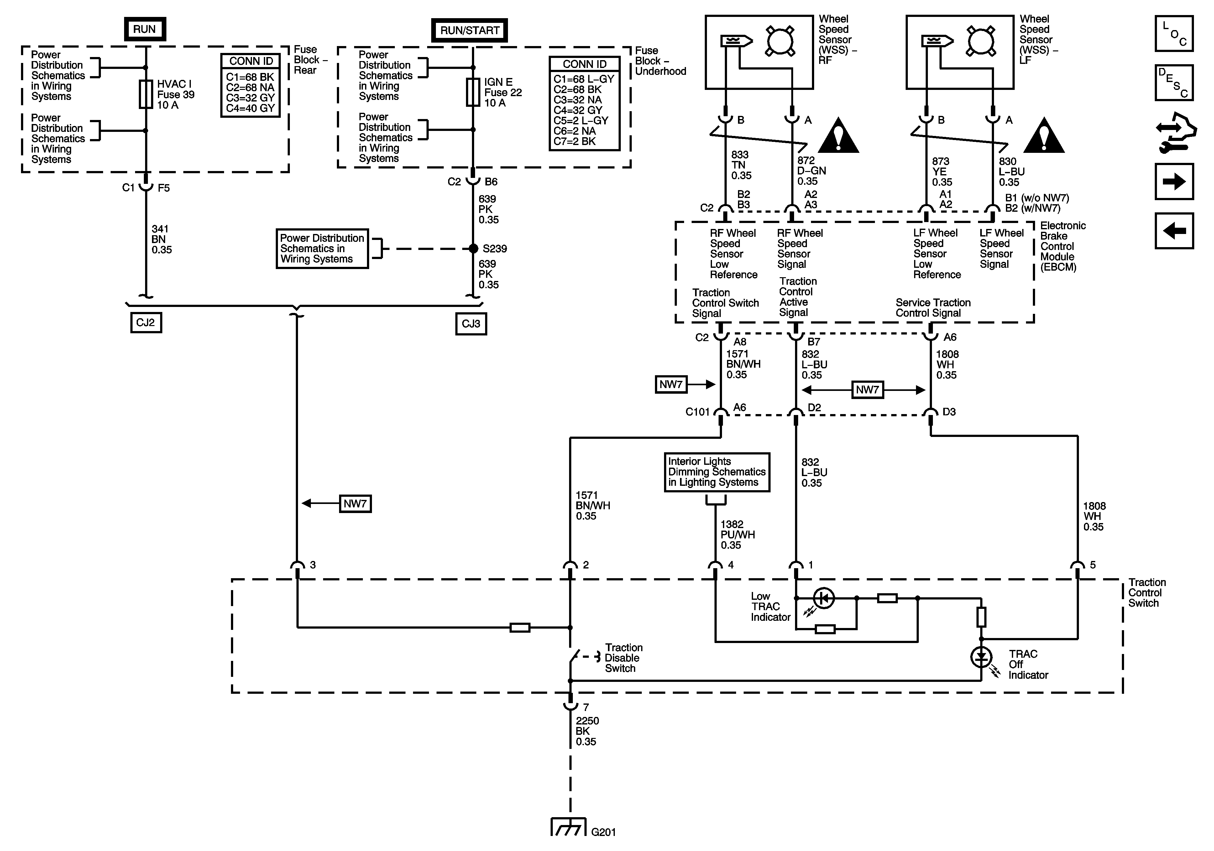
Figure 2:

Traction Control (NW7), and Wheel Speed Sensors (Except W49)


Object Number: 1413076  Size: FS
Master Electrical Component List
ABS Description and Operation W/NW7
Control Module References
Traction Control (NW7) and Wheel Speed Sensors (W49)
EBCM Power, Ground, Serial Data, Indicator, and Signal Circuits
Ignition Switch - ACCY/RUN/START, RUN, and START Bus Bars, IGN A and CRANK Fuses
BRAKE, HVAC I, and TBC RUN Fuses
Ignition Switch - ACCY/RUN and RUN/START Bus Bars, IGN B Fuse
BACK UP, BTSI, IGNE, TBC IGN1, and TRLR B/U Fuses
BACK UP, BTSI, IGNE, TBC IGN1, and TRLR B/U Fuses
Antilock Brake System Schematic Icons
Antilock Brake System Schematic Icons
Courtesy Lamp Supply - 1 of 2
G201 - 2 of 2 and G305
Figure 3:

Traction Control (NW7) and Wheel Speed Sensors (W49)


Object Number: 1413077  Size: FS
Master Electrical Component List
ABS Description and Operation W/NW7
Control Module References
Traction Control (NW7), and Wheel Speed and Sensors - Except W49
Ignition Switch - ACCY/RUN/START, RUN, and START Bus Bars, IGN A and CRANK Fuses
BRAKE, HVAC I, and TBC RUN Fuses
Ignition Switch - ACCY/RUN and RUN/START Bus Bars, IGN B Fuse
BACK UP, BTSI, IGNE, TBC IGN1, and TRLR B/U Fuses
BRAKE, HVAC I, and TBC RUN Fuses
Courtesy Lamp Supply - 1 of 2
BACK UP, BTSI, IGNE, TBC IGN1, and TRLR B/U Fuses
Antilock Brake System Schematic Icons
Antilock Brake System Schematic Icons
G201 - 1 of 2
G201 - 1 of 2