GM Service Manual Online
For 1990-2009 cars only
Makes
🢒
Chevrolet
🢒
2005
🢒
TrailBlazer - 4WD
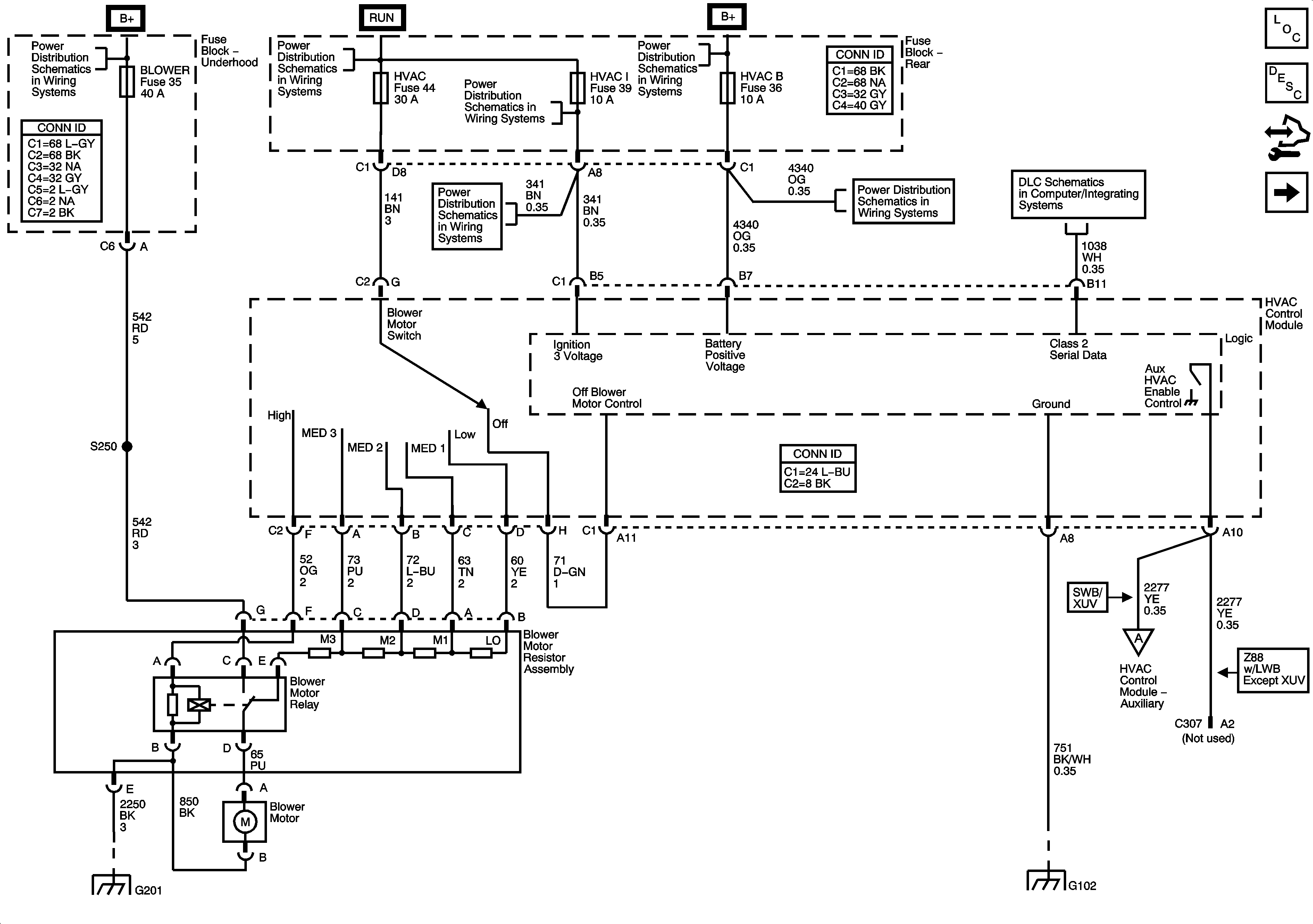
🢒 Module Power, Ground, Serial Data, Blower Motor, and Coolant Bypass Valve
Module Power, Ground, Serial Data, Blower Motor, and Coolant Bypass Valve
Module Power, Ground, Serial Data, Blower Motor, and Coolant Bypass Valve
Master Electrical Component List
Air Temperature Description and Operation
Control Module References
Compressor Controls
B+ Bus - Underhood Fuse Block
Ignition Switch - ACCY/RUN/START, RUN, and START Bus Bars, IGN A and CRANK Fuses
BRAKE, HVAC I, and TBC RUN Fuses
B+ Bus - Rear Fuse Block
BRAKE, HVAC I, and TBC RUN Fuses
HVAC B, LGM/DSM, OHBATT/ONSTAR, and RADIO Fuses
SP205
Rear Mode Controls - SWB and XUV
G201 - 1 of 2
G101, G103, G106, and G110
G102