GM Service Manual Online
For 1990-2009 cars only
Makes
🢒
Chevrolet
🢒
2005
🢒
TrailBlazer - 4WD
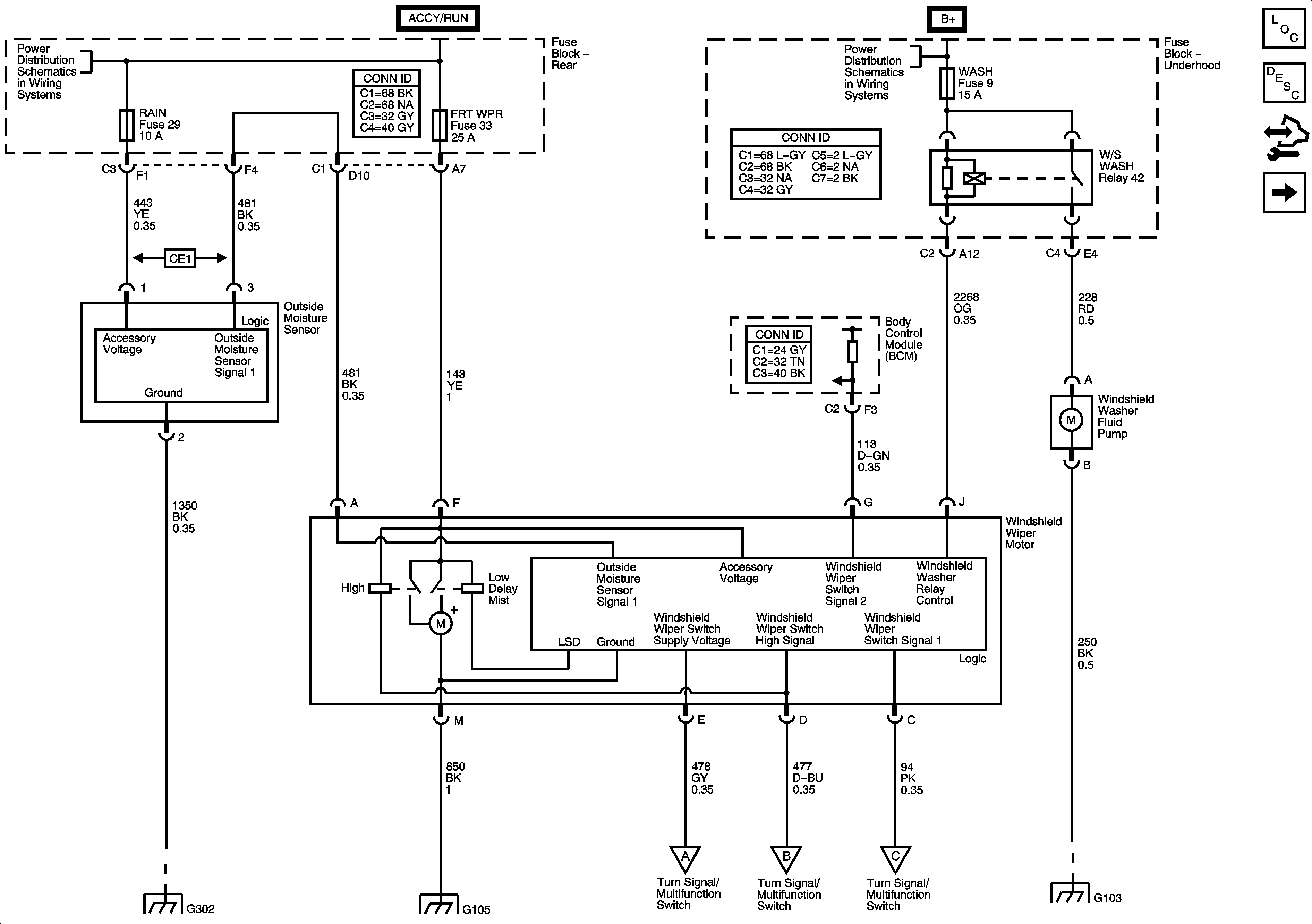
🢒 Outside Moisture Sensor and Front Wiper/Washer Motor
Outside Moisture Sensor and Front Wiper/Washer Motor
Outside Moisture Sensor and Front Wiper/Washer Motor
Master Electrical Component List
Wiper/Washer System Description and Operation
Control Module References
Wiper/Washer Switch and Washer Fluid Level Switch
Ignition Switch - ACCY/RUN and RUN/START Bus Bars, IGN B Fuse
B+ Bus - Underhood Fuse Block
G302 - 1 of 2, G303, and G304
G104, G105, and G107
Wiper/Washer Switch and Washer Fluid Level Switch
Wiper/Washer Switch and Washer Fluid Level Switch
Wiper/Washer Switch and Washer Fluid Level Switch
G101, G103, G106, and G110