GM Service Manual Online
For 1990-2009 cars only
Makes
🢒
Chevrolet
🢒
2006
🢒
TrailBlazer - 4WD
🢒
Vehicle Control Systems
🢒
Computer/Integrating Systems
🢒 SIR Schematics
Figure
1:
Module, Power, Ground, Serial Data, Indicator, and Side Impact Sensors
Master Electrical Component List
SIR System Description and Operation
Control Module References
Front Sensors and Modules
SIR Schematic Icons
SIR Schematic Icons
SIR Schematic Icons
SIR Schematic Icons
ACCY/RUN, RUN/START, Bus Bars, and IGN B Fuse
4WD, AIRBAG, ECMI, HVAC, and TRANS Fuses
SP205
Seat Belt Schematics
G102
Figure
2:
Front Sensors and Modules
Master Electrical Component List
SIR System Description and Operation
Control Module References
Seat Position Sensors, Rollover Sensor, and PPS Module
Power, Ground, Serial Data, Indicator, and Side Impact Sensors
SIR Schematic Icons
SIR Schematic Icons
SIR Schematic Icons
SIR Schematic Icons
SIR Schematic Icons
SIR Schematic Icons
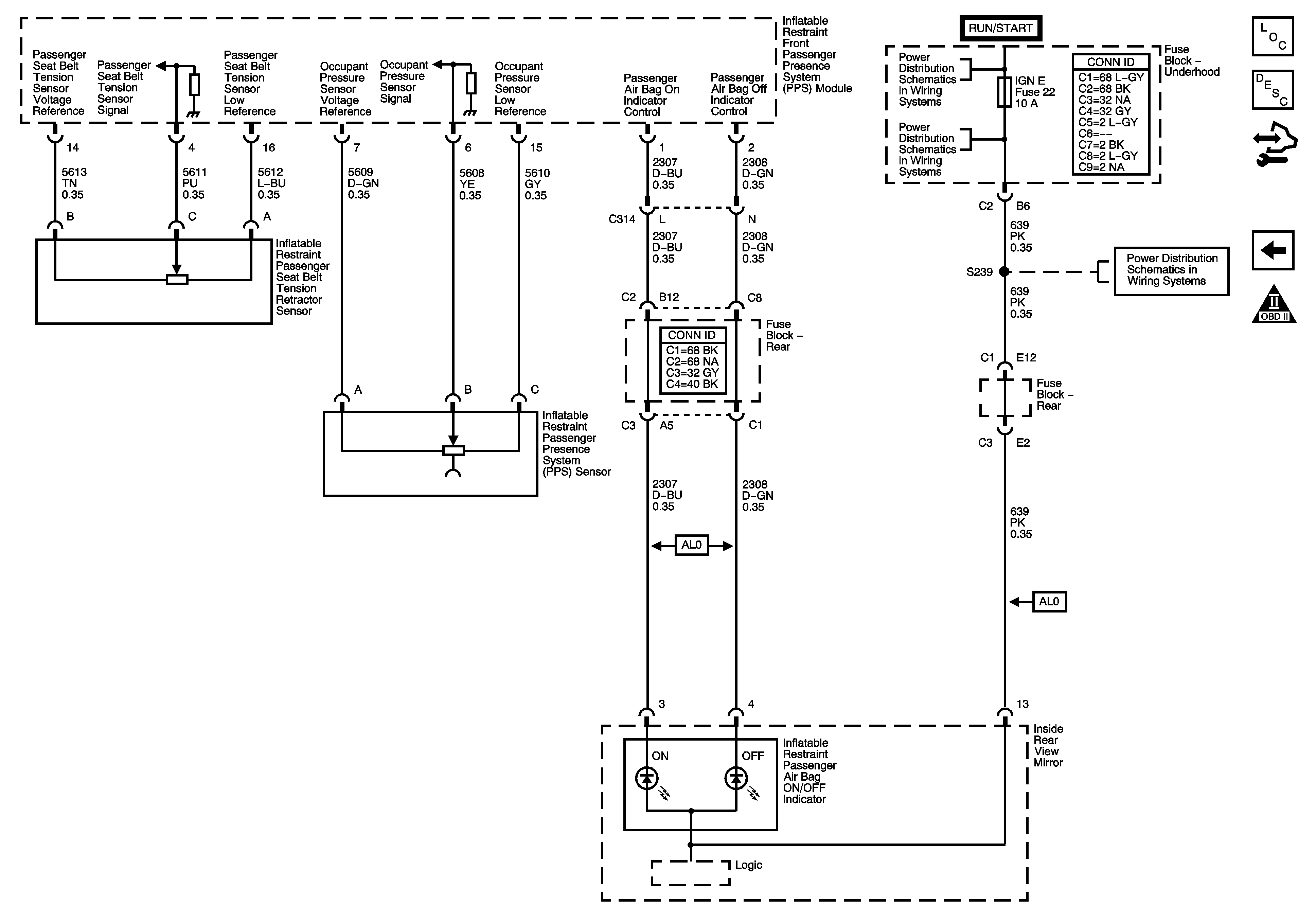
Figure
3:
Seat Position Sensors, Rollover Sensor, and PPS Module
Master Electrical Component List
SIR System Description and Operation
Control Module References
PPS Sensors and Indicators
Front Sensors and Modules
SIR Schematic Icons
SIR Schematic Icons
SIR Schematic Icons
ACCY/RUN, RUN/START, Bus Bars, and IGN B Fuse
4WD, AIRBAG, ECMI, HVAC, and TRANS Fuses
Seat Belt Schematics
SIR Schematic Icons
G102
G102
Figure
4:
PPS Sensors and Indicators
Master Electrical Component List
SIR System Description and Operation
Control Module References
Seat Position Sensors, Rollover Sensor, and PPS Module
SIR Schematic Icons
ACCY/RUN, RUN/START, Bus Bars, and IGN B Fuse
BCK/UP, BTSI, IGN E, TBC IGN1, and TRLR BCK/UP Fuses
BCK/UP, BTSI, IGN E, TBC IGN1, and TRLR BCK/UP Fuses