GM Service Manual Online
For 1990-2009 cars only
Makes
🢒
Chevrolet
🢒
2006
🢒
TrailBlazer - 4WD
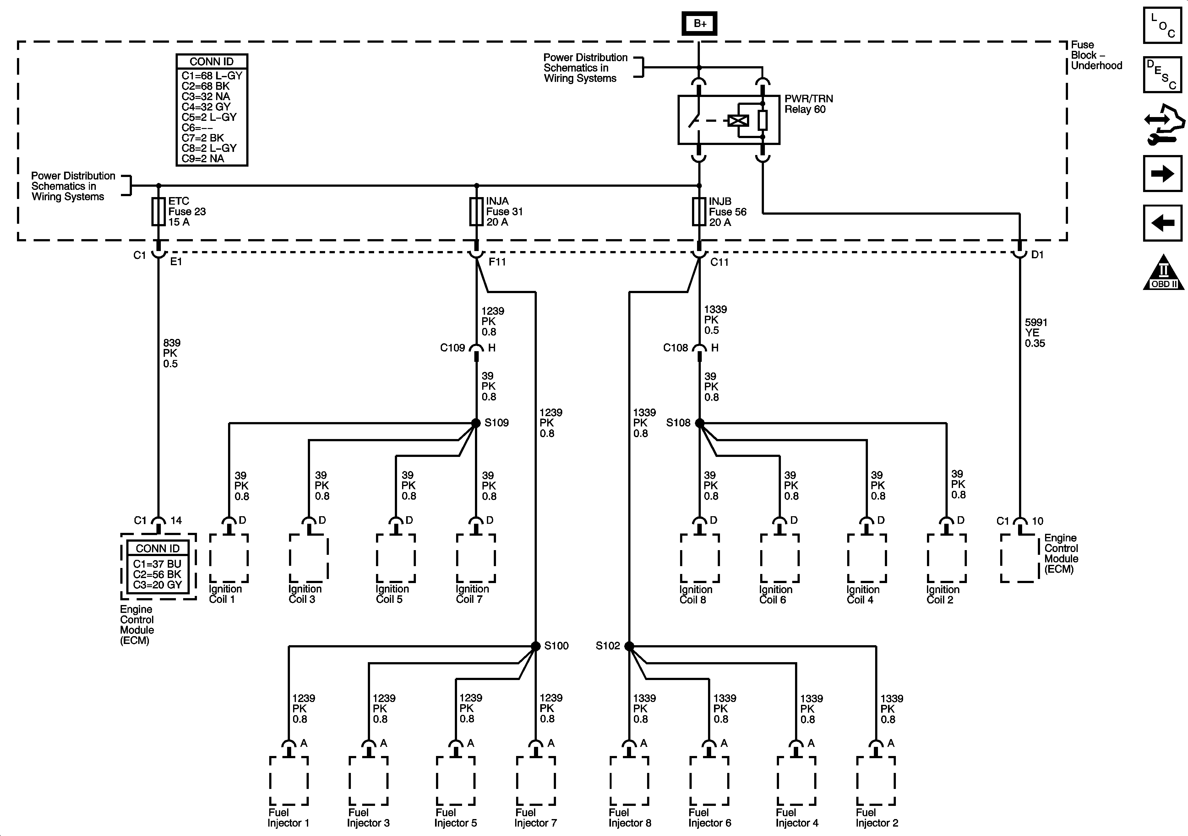
🢒 Underhood Fuse Block - PWR/TRN Relay - 1 of 2
Underhood Fuse Block - PWR/TRN Relay - 1 of 2
Underhood Fuse Block - PWR/TRN Relay - 1 of 2
Master Electrical Component List
Engine Control Module Description
Control Module References
Underhood Fuse Block - PWR/TRN Relay - 2 of 2
Module Power, Ground, Serial Data, and MIL
Engine Controls Schematic Icons
ENG I, ETC, INJA, INJB, O2 SNSR A, and O2 SNSR B Fuses - 5.3L/6.0L
Underhood Fuse Block