GM Service Manual Online
For 1990-2009 cars only
Makes
🢒
Chevrolet
🢒
2006
🢒
TrailBlazer - 4WD
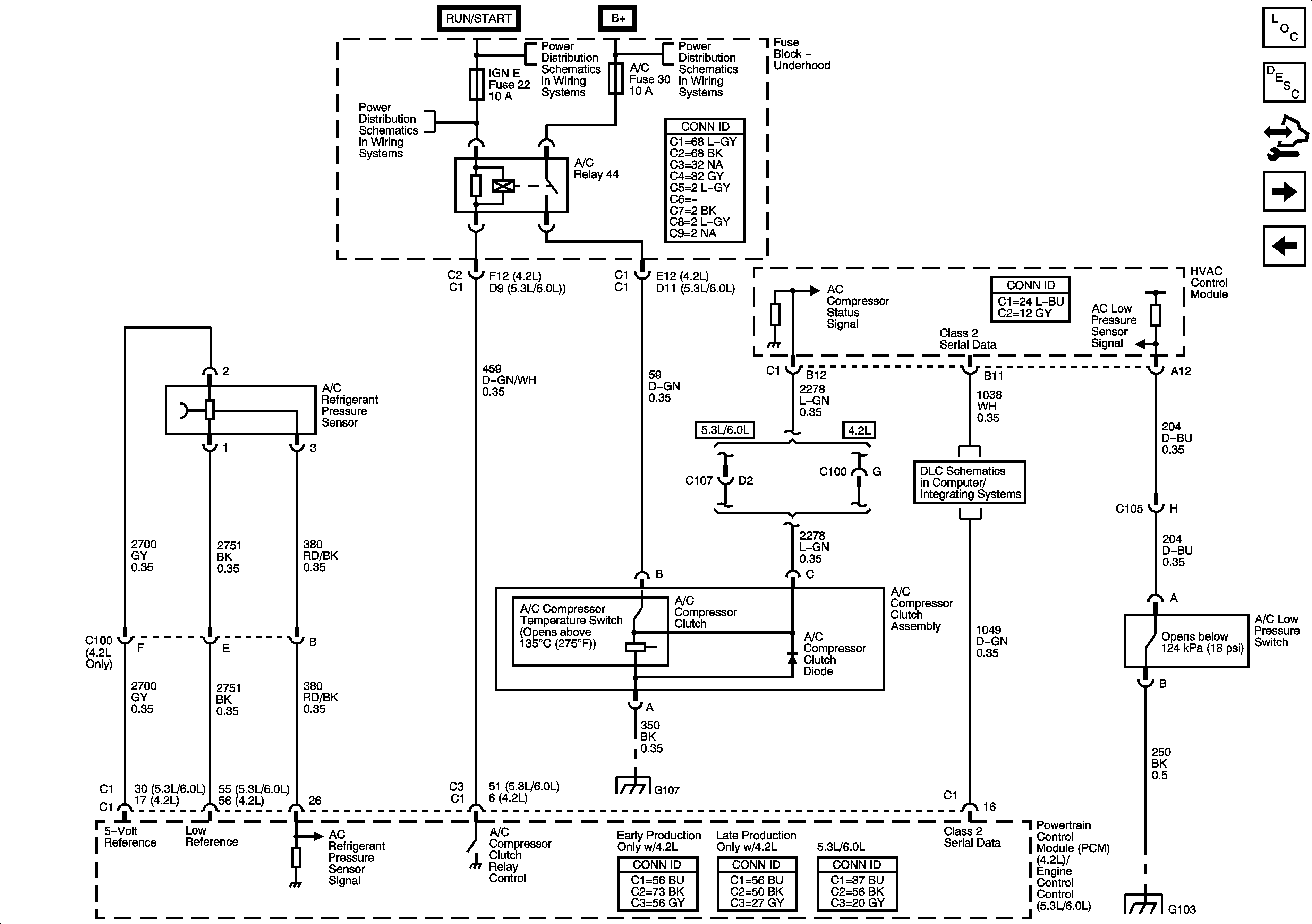
🢒 Compressor Controls
Compressor Controls
Compressor Controls
Master Electrical Component List
Air Delivery Description and Operation
Control Module References
Air Delivery/Temperature Actuators
Module Power, Ground, Serial Data, Blower Moter, and Coolant Bypass Valve
ACCY/RUN, RUN/START, Bus Bars, and IGN B Fuse
ACCY/RUN, RUN/START, Bus Bars, and IGN B Fuse
Underhood Fuse Block
SP205
G104, G105, and G107
G101, G103, G106, and G110