GM Service Manual Online
For 1990-2009 cars only

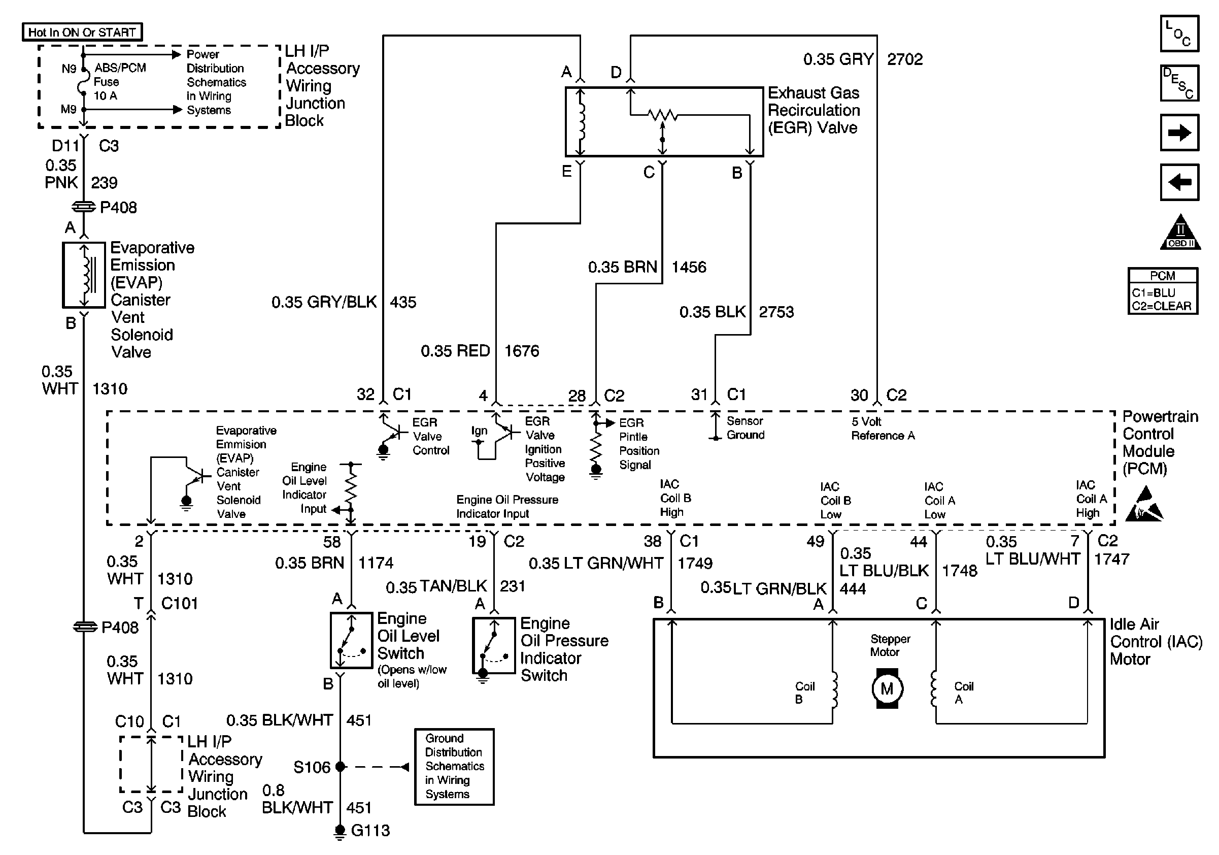
Refer to Engine Controls Schematics

IAC, Engine Oil Level, Engine Oil Pressure, EGR, EVAP Vent


Object Number: 488668  Size: FS
ABS/PCM, STOP, TURN SIGNAL and SRS Fuses
G113 - Continued
Handling ESD Sensitive Parts Notice
Engine Controls Components
Powertrain Control Module Description
VSS, Cruise
Engine Data Sensors - MAF, EVAP Purge, Air Injection
OBD II Symbol Description Notice
.

Circuit Description

The PCM applies battery voltage through a pull up resistor to the Engine Oil Pressure Switch circuit. The PCM monitors the applied voltage on the Engine Oil Pressure Switch circuit. If the ignition switch is turned ON with the engine not running or engine oil pressure is below 35 kPa (5 psi), the Engine Oil Pressure switch grounds the PCM voltage input. The PCM sends the engine oil pressure information via Class II serial data to the Instrument Panel (IP) Cluster. The IP Cluster controls the Engine Oil Pressure Indicator.

Diagnostic Aids

Inspect the following:

Many situations may lead to an intermittent condition. Perform each inspection or test as directed.

Important: :  Remove any debris from the connector surfaces before servicing a component. Inspect the connector gaskets when diagnosing or replacing a component. Ensure that the gaskets are installed correctly. The gaskets prevent contaminate intrusion.

    • Loose terminal connection
       -  Use a corresponding mating terminal to test for proper tension. Refer to Testing for Intermittent Conditions and Poor Connections , and to Connector Repairs in Wiring Systems for diagnosis and repair.
       -  Inspect the harness connectors for backed out terminals, improper mating, broken locks, improperly formed or damaged terminals, and faulty terminal to wire connection. Refer to Testing for Intermittent Conditions and Poor Connections , and to Connector Repairs in Wiring Systems for diagnosis and repair.
    • Damaged harness--Inspect the wiring harness for damage. If the harness inspection does not reveal a problem, observe the display on the scan tool while moving connectors and wiring harnesses related to the sensor. A change in the scan tool display may indicate the location of the fault. Refer to Wiring Repairs in Wiring Systems for diagnosis and repair.
    •  Inspect the powertrain control module (PCM) and the engine grounds for clean and secure connections. Refer to Wiring Repairs in Wiring Systems for diagnosis and repair.

If the condition is determined to be intermittent, reviewing the Snapshot or Freeze Frame/Failure Records may be useful in determining when the DTC or condition was identified.

Engine Oil Pressure Switch Diagnosis

Step

Action

Values

Yes

No

1

Did you perform the Powertrain On Board Diagnostic (OBD) System Check?

--

Go to Step 2

Go to Powertrain On Board Diagnostic (OBD) System Check

2

Are any PCM, or UXXXX communication DTCs stored?

--

Go to Applicable DTCs

Go to Step 3

3

Is the Engine Oil pressure Indicator on?

--

Go to Step 4

Go to Step 12

4

Test the engine for correct oil level.

Is the Correct engine oil level indicated?

--

Go to Step 5

Go to Oil Consumption Diagnosis in Engine Mechanical

5

Test the engine oil pressure with a manual pressure gauge.

Refer to Oil Pressure Diagnosis and Testing in Engine Mechanical.

Is proper engine oil pressure indicated?

--

Go to Step 6

Go to Oil Pressure Diagnosis and Testing in Engine Mechanical

6

  1. Turn off the Ignition switch.
  2. Disconnect the engine oil pressure switch connector.
  3. Turn on the ignition switch.
  4. Connect a test lamp to ground.
  5. Probe the Oil Pressure Switch signal circuit.

Is the test lamp on?

--

Go to Step 8

Go to Step 7

7

  1. Test for the following circuit conditions:
  2. Open or short to ground in the PCM feed to the engine oil pressure switch.
  3. Poor connections at the PCM.

Did you find and correct the condition?

--

Go to Step 12

Go to Step 11

8

  1. Connect a test lamp to battery positive voltage.
  2. Start the engine and idle.
  3. Probe cavity A of the Oil Pressure Switch.
  4. Is the test lamp on?

--

Go to Step 9

Go to Step 10

9

Test the IP Driver Information Display for correct operation.

Refer to Wiring Repairs in Wiring Systems.

Did you find and correct the condition?

--

Go to Step 12

Go to Step 10

10

Replace Engine Oil Pressure switch.

Did you complete the replacement?

--

Go to Step 12

--

11

Important: :  The replacement PCM must be programmed.

Replace the PCM. Refer to Powertrain Control Module Replacement/Programming .

Did you complete the repair?

--

Go to Step 12

--

12

Test for the proper operation of Oil Pressure Switch. Refer to Diagnostic Starting Point in Instrument Panel, Gauges and Console and Oil Pressure Diagnosis and Testing in Engine Mechanical.

Is the correct operation indicated?

--

Go to Step 12

--