GM Service Manual Online
For 1990-2009 cars only
Figure 1:

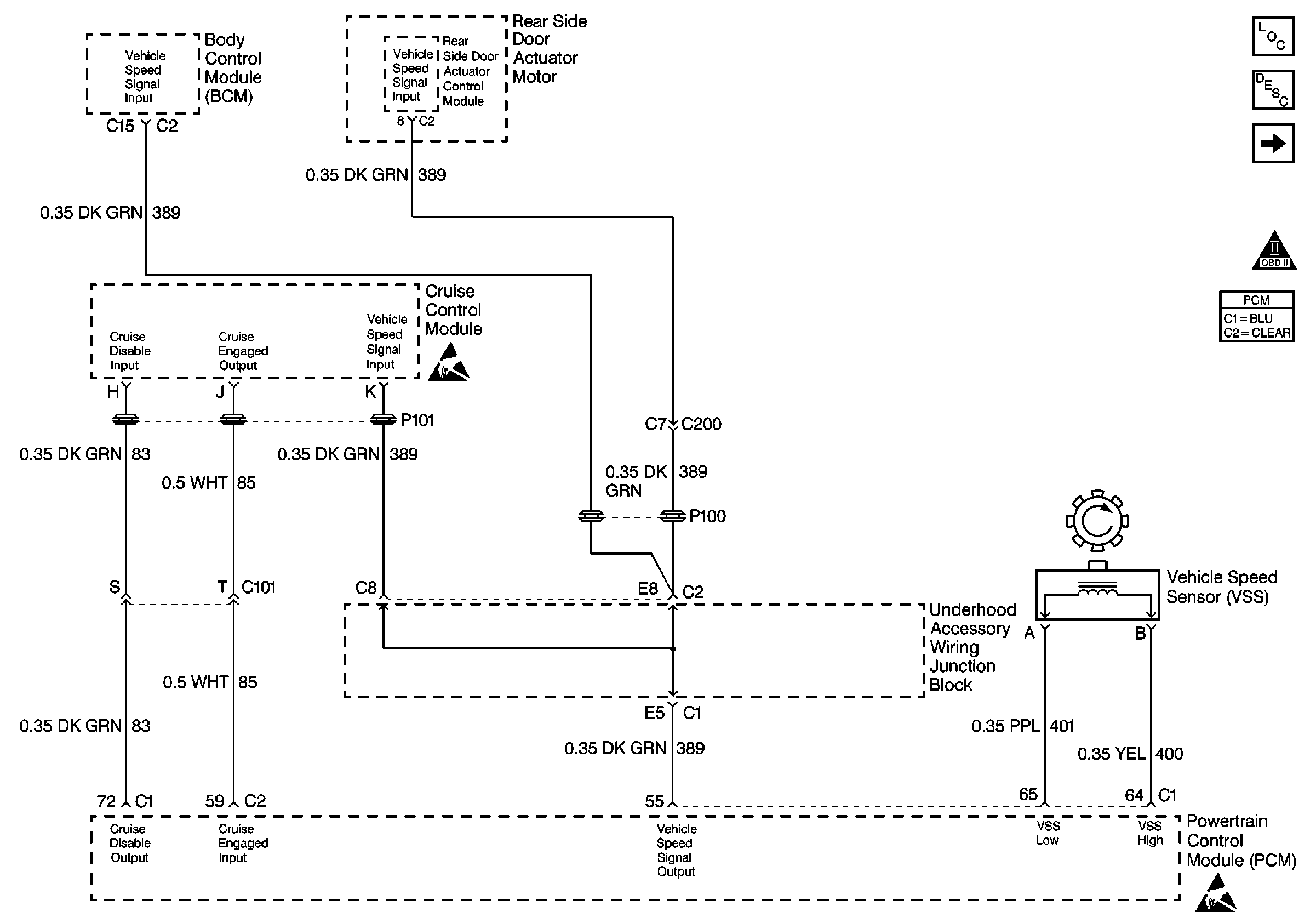
PCM Power, VSS


Object Number: 537579  Size: FS
Handling ESD Sensitive Parts Notice
Automatic Transmission Components
Transmission Component and System Description
Automatic Transaxle TCC Switch (1 of 2)
OBD II Symbol Description Notice
Powertrain Control Module Connector End Views
Handling ESD Sensitive Parts Notice
Figure 2:

Automatic Transaxle TCC Switch (1 of 2)


Object Number: 537586  Size: FS
Handling ESD Sensitive Parts Notice
Automatic Transmission Components
Transmission Component and System Description
Automatic Transaxle TCC Switch (2 of 2)
PCM Power, VSS
OBD II Symbol Description Notice
Powertrain Control Module Connector End Views
Handling ESD Sensitive Parts Notice
Figure 3:

Automatic Transaxle TCC Switch (2 of 2)


Object Number: 537601  Size: FS
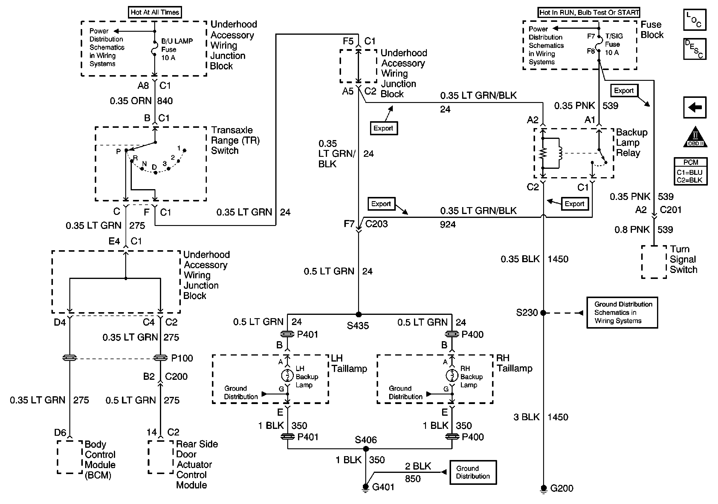
Underhood Accessory Wiring Junction Block
Automatic Transmission Components
Transmission Component and System Description
Transaxle Range Switch (1 of 2)
Automatic Transaxle TCC Switch (1 of 2)
OBD II Symbol Description Notice
Powertrain Control Module Connector End Views
Handling ESD Sensitive Parts Notice
Figure 4:

Transaxle Range Switch (1 of 2)


Object Number: 795585  Size: FS
Automatic Transmission Components
Transmission Component and System Description
Transaxle Range Switch (2 of 2)
Automatic Transaxle TCC Switch (2 of 2)
Powertrain Control Module Connector End Views
Figure 5:

Transaxle Range Switch (2 of 2)


Object Number: 537612  Size: FS
Underhood Accessory Wiring Junction Block, Relay Center, PWR WDO and PWR OTR Vent Fuses
Cell 14: G401 and G402
Cell 14: G401 and G402
Cell 14: G401 and G402
IGN, SIR, T/S/G, Cruise, and PCM/Pass Key 1 Cluster Fuses
Cell 14: G200
Automatic Transmission Components
Transmission Component and System Description
OBD II Symbol Description Notice
Powertrain Control Module Connector End Views
Transaxle Range Switch (1 of 2)