GM Service Manual Online
For 1990-2009 cars only

Exterior Lights Schematics Domestic

Figure 1:

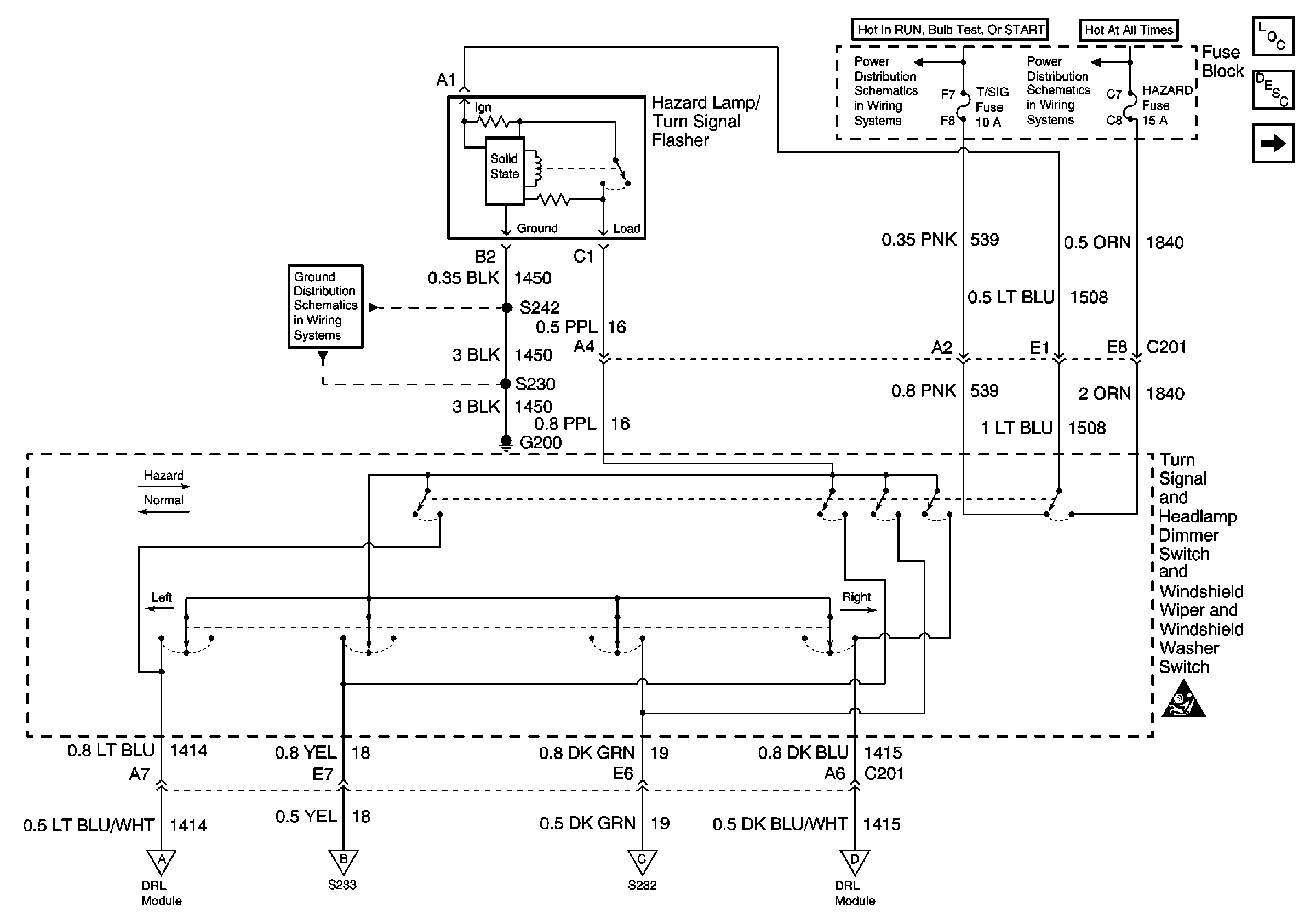
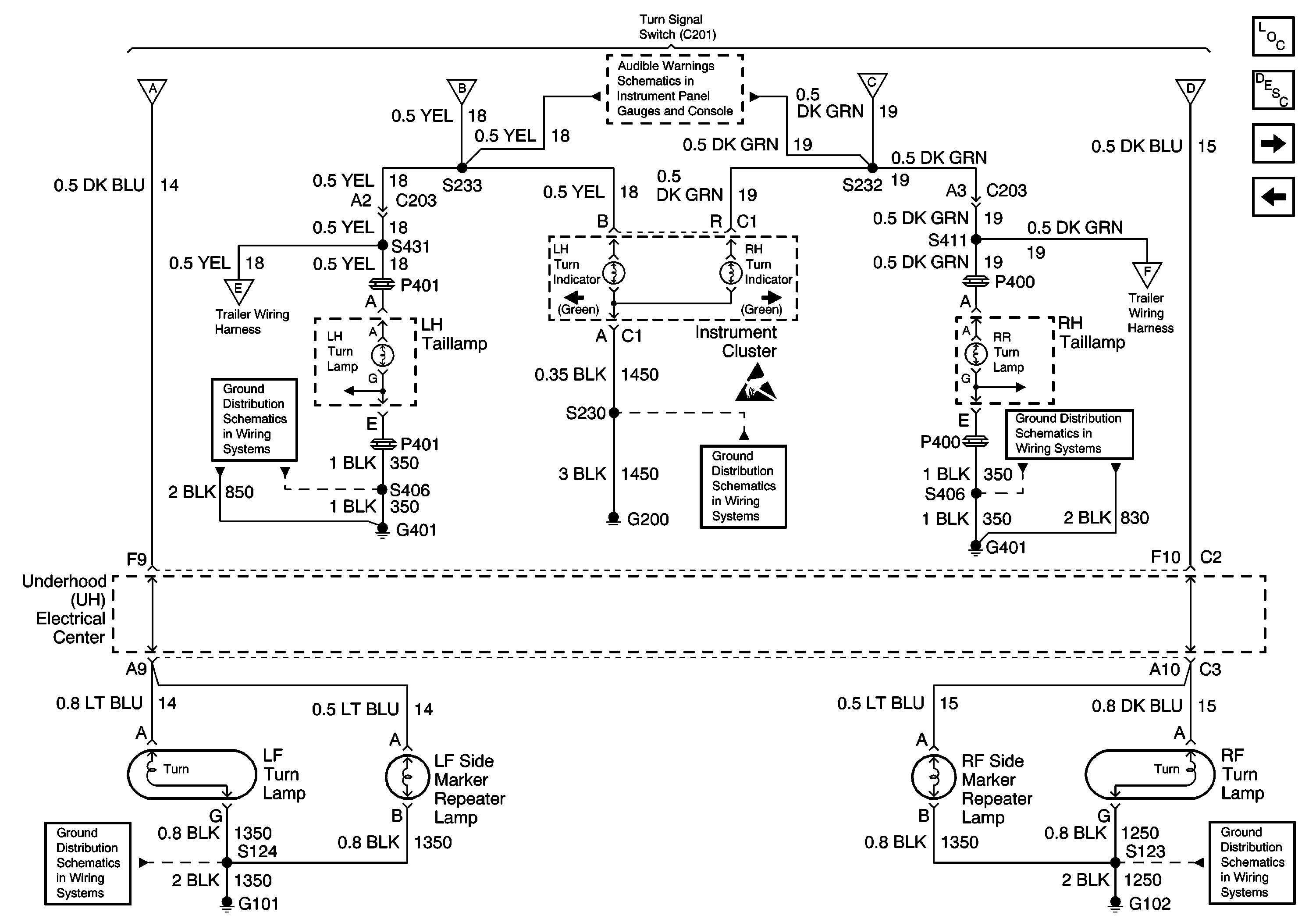
Hazard Lamp/Turn Signal Flasher, Turn Signal Switch


Object Number: 608451  Size: FS
Cell 14: G200
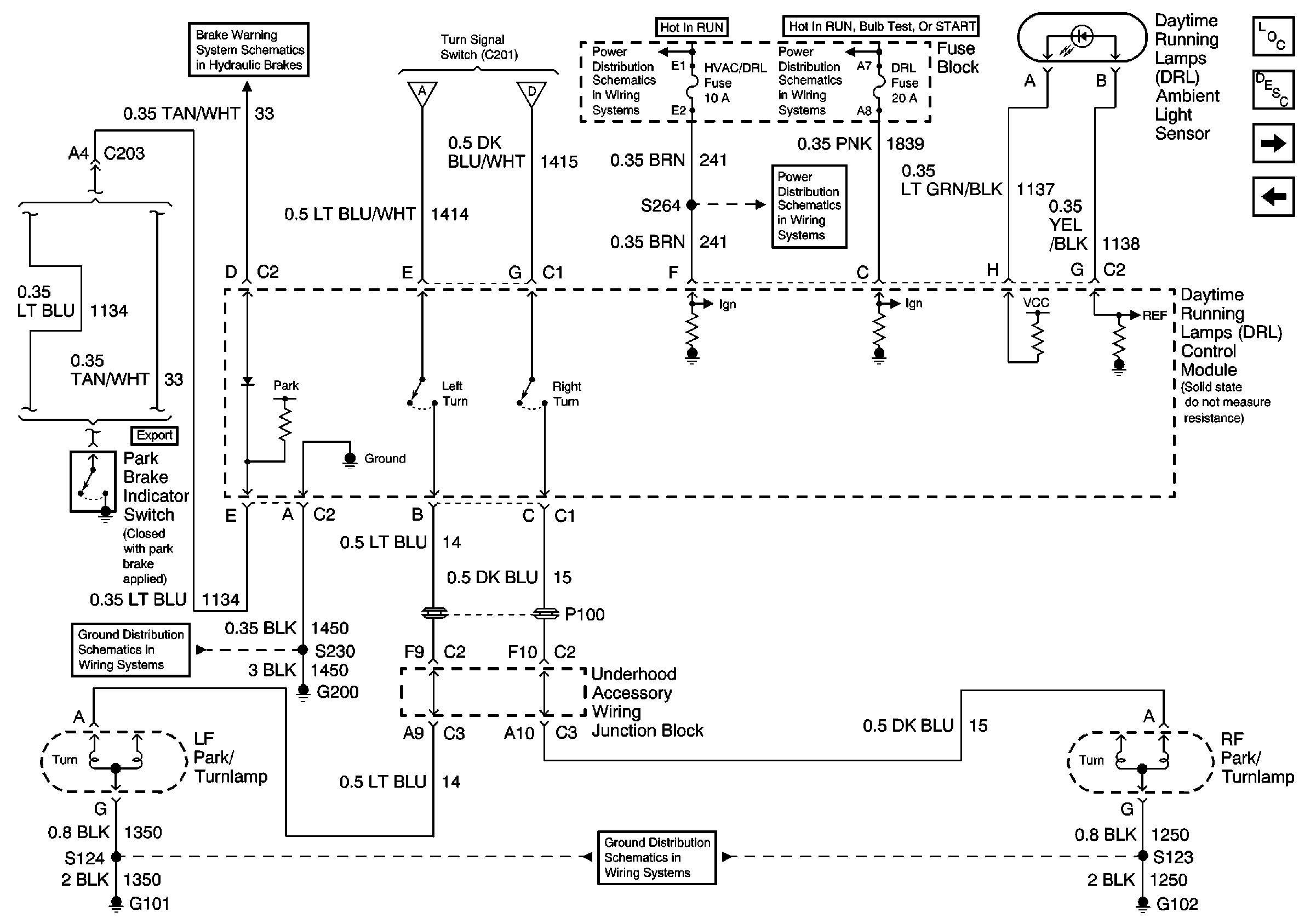
Cell 110: DRL Ambient Light Sensor, DRL Control Module
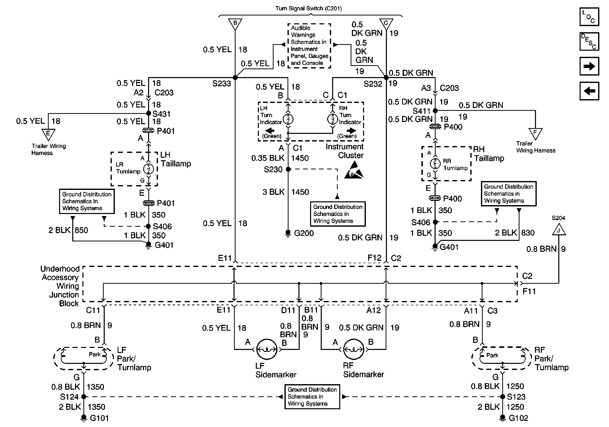
Cell 110: Taillamps, Side Markers, Park/Turn Lamps
Cell 110: Taillamps, Side Markers, Park/Turn Lamps
Cell 110: DRL Ambient Light Sensor, DRL Control Module
IGN, SIR, T/S/G, Cruise, and PCM/Pass Key 1 Cluster Fuses
Stop Lamp, Hazard, and Pass Key Fuses, FRT HVAC MI BLWR and Headlamp Circuit Breakers
SIR Handling Caution
Cell 14: G401
Lighting Systems Components
Exterior Lights Circuit Description
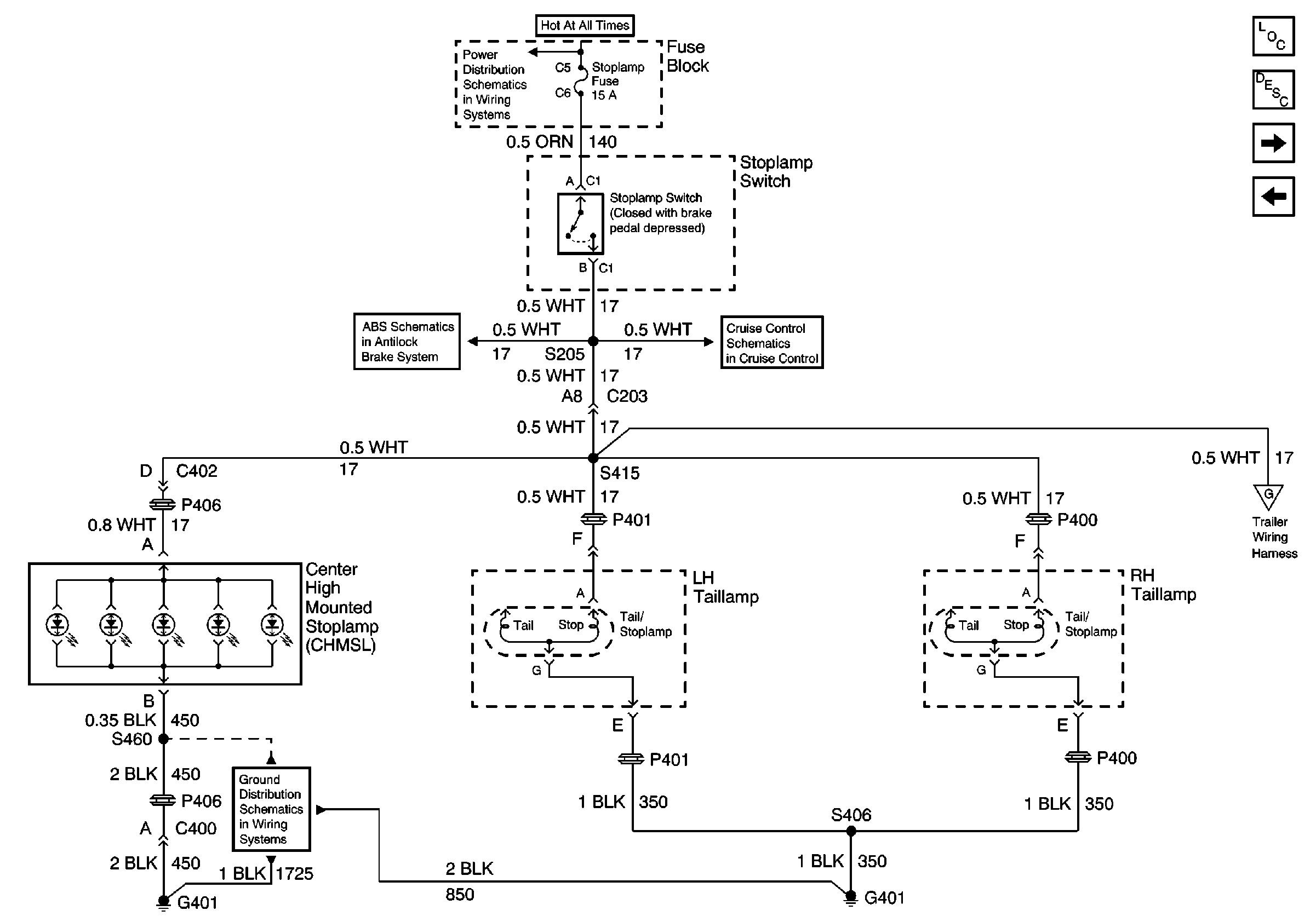
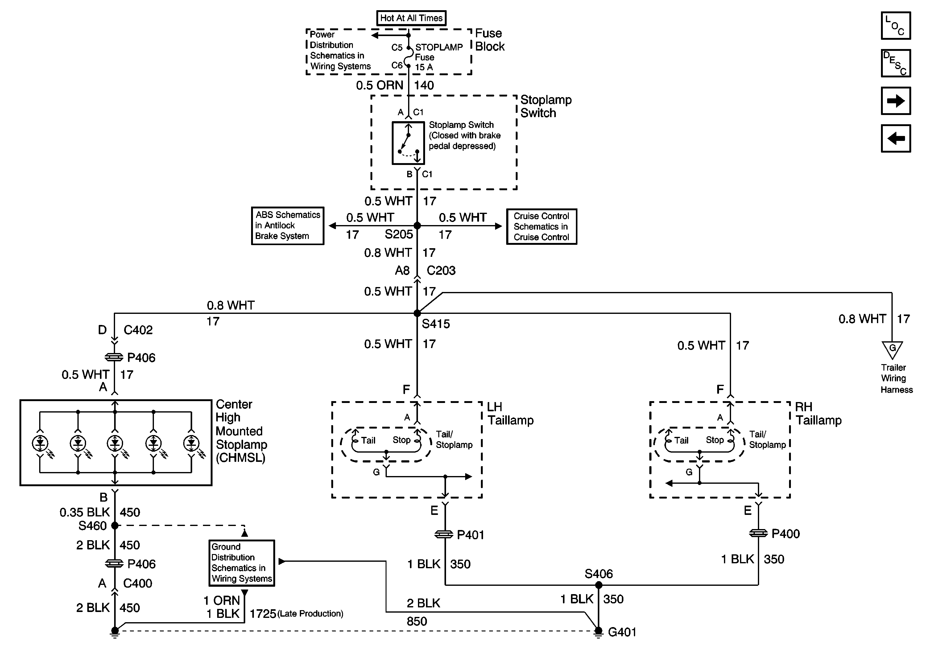
Cell 110: Stoplamp Switch, Center High Mounted Stop Lamp
Figure 2:

Cell 110: Stoplamp Switch, Center High Mounted Stop Lamp


Object Number: 608457  Size: FS
Stop Lamp, Hazard, and Pass Key Fuses, FRT HVAC MI BLWR and Headlamp Circuit Breakers
ABS/TCS Schematics ( ABS MoDULE, DLC, Ground, Instrument Cluster, PCM, Power, Stop Lamp Switch)
Cell 14: G401
Cell 34
Cell 110: Fuse Block and G401
Lighting Systems Components
Exterior Lights Circuit Description
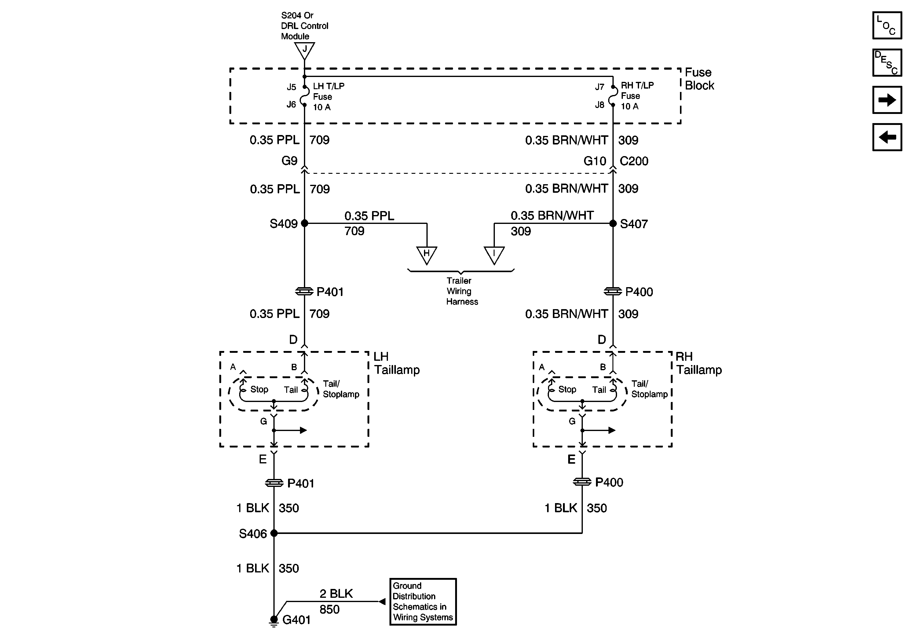
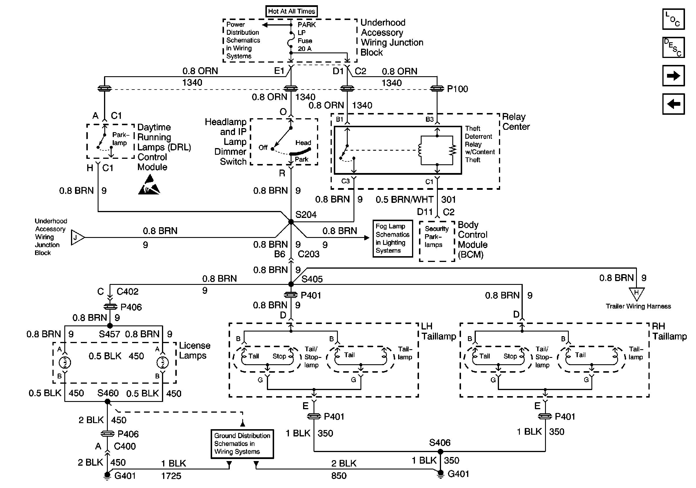
Cell 110: Taillamps, Side Markers, Park/Turn Lamps
Hazard Lamp/Turn Signal Flasher, Turn Signal Switch
Figure 3:

Cell 110: Taillamps, Side Markers, Park/Turn Lamps


Object Number: 608467  Size: FS
Cell 110: Fuse Block and G401
Cell 14: G401 and G402
Hazard Lamp/Turn Signal Flasher, Turn Signal Switch
Hardwire Indicators
Hazard Lamp/Turn Signal Flasher, Turn Signal Switch
Handling ESD Sensitive Parts Notice
Cell 14: G200
Cell 14: G101 and G102
Backup Lights Schematics (Cell 112)
Cell 14: G401 and G402
Cell 110: License Lamps, Relay Center
Lighting Systems Components
Exterior Lights Circuit Description
Cell 110: License Lamps, Relay Center
Cell 110: Stoplamp Switch, Center High Mounted Stop Lamp
Figure 4:

Cell 110: License Lamps, Relay Center


Object Number: 608470  Size: FS
EBCM, BATT Main 1 and Radio Fuses
Handling ESD Sensitive Parts Notice
Cell 110: Taillamps, Side Markers, Park/Turn Lamps
Cell 14: G401 and G402
Fog Lights Schematics (Foglights) Cell 103)
Cell 110: Fuse Block and G401
Lighting Systems Components
Exterior Lights Circuit Description
Cell 110: DRL Ambient Light Sensor, DRL Control Module
Cell 110: Taillamps, Side Markers, Park/Turn Lamps
Figure 5:

Cell 110: DRL Ambient Light Sensor, DRL Control Module


Object Number: 608473  Size: FS
Cell 14: G200
00 U-Van Hydraulic Brakes Schematic, Brake Warning Syste
Hazard Lamp/Turn Signal Flasher, Turn Signal Switch
Hazard Lamp/Turn Signal Flasher, Turn Signal Switch
HVAC/DIC/DRL/Heated Seat, HVAC Blower and RR HVAC/TEMP CONT Fuses
Ignition Switch IGN Main Relay, IGN Main 1, PCM/ABS, CONVENT SOL, DRL, and PCM/Crank Fuses
HVAC/DIC/DRL/Heated Seat, HVAC Blower and RR HVAC/TEMP CONT Fuses
Cell 14: G101 and G102
Lighting Systems Components
Exterior Lights Circuit Description
Cell 110: Fuse Block and G401
Cell 110: License Lamps, Relay Center
Figure 6:

Cell 110: Fuse Block and G401


Object Number: 608479  Size: FS
Cell 110: License Lamps, Relay Center
Cell 110: Taillamps, Side Markers, Park/Turn Lamps
Cell 110: Taillamps, Side Markers, Park/Turn Lamps
Cell 110: Stoplamp Switch, Center High Mounted Stop Lamp
BATT Main 2, Headlamps, ELC/Trailer, RR Defog/HTP Mirrors and RR Fog LP Fuses and PWR/ Heated Seat PSD Circuit Breaker
Cell 14: G401
BATT Main 2, Headlamps, ELC/Trailer, RR Defog/HTP Mirrors and RR Fog LP Fuses and PWR/ Heated Seat PSD Circuit Breaker
Cell 14: G401
Lighting Systems Components
Exterior Lights Circuit Description
Cell 110: DRL Ambient Light Sensor, DRL Control Module

Exterior Lights Schematics Export

Figure 1:

Cell 110: Hazard Lamp/Turn Signal Flasher, Turn Signal Switch-Export


Object Number: 612041  Size: FS
Cell 14: G200
Export Turn and Side Marker Lamps
Export Turn and Side Marker Lamps
Export Turn and Side Marker Lamps
Export Turn and Side Marker Lamps
IGN, SIR, T/S/G, Cruise, and PCM/Pass Key 1 Cluster Fuses
Stop Lamp, Hazard, and Pass Key Fuses, FRT HVAC MI BLWR and Headlamp Circuit Breakers
SIR Handling Caution
Lighting Systems Components
Exterior Lights Circuit Description
Export Turn and Side Marker Lamps
Figure 2:

Export Turn and Side Marker Lamps


Object Number: 615605  Size: FS
Cell 110: Hazard Lamp/Turn Signal Flasher, Turn Signal Switch-Export
Export Trailer Wiring Harness
Cell 14: G401 and G402
Cell 14: G101 and G102
Cell 110: Hazard Lamp/Turn Signal Flasher, Turn Signal Switch-Export
Hardwire Indicators
Cell 110: Hazard Lamp/Turn Signal Flasher, Turn Signal Switch-Export
Handling ESD Sensitive Parts Notice
Cell 14: G200
Cell 110: Hazard Lamp/Turn Signal Flasher, Turn Signal Switch-Export
Export Trailer Wiring Harness
Cell 14: G401 and G402
Cell 14: G101 and G102
Lighting Systems Components
Exterior Lights Circuit Description
Export Headlamp Position Lamps/License Lamps
Cell 110: Hazard Lamp/Turn Signal Flasher, Turn Signal Switch-Export
Figure 3:

Export Headlamp Position Lamps/License Lamps


Object Number: 615610  Size: FS
EBCM, BATT Main 1 and Radio Fuses
Cell 14: G101 and G102
Cell 14: G401 and G402
Export Taillamps
Cell 51: BCM: Interior Lights On Request, Horn Control
Lighting Systems Components
Exterior Lights Circuit Description
Export Taillamps
Export Turn and Side Marker Lamps
Figure 4:

Export Taillamps


Object Number: 615613  Size: FS
Export Headlamp Position Lamps/License Lamps
Export Trailer Wiring Harness
Cell 14: G401 and G402
Lighting Systems Components
Exterior Lights Circuit Description
Export Stoplamps and CHMSL
Export Headlamp Position Lamps/License Lamps
Figure 5:

Export Stoplamps and CHMSL


Object Number: 615616  Size: FS
Stop Lamp, Hazard, and Pass Key Fuses, FRT HVAC MI BLWR and Headlamp Circuit Breakers
ABS/TCS Schematics ( ABS MoDULE, DLC, Ground, Instrument Cluster, PCM, Power, Stop Lamp Switch)
Cell 14: G401
Cell 34
Export Trailer Wiring Harness
Lighting Systems Components
Exterior Lights Circuit Description
Export Trailer Wiring Harness
Export Taillamps
Figure 6:

Export Trailer Wiring Harness


Object Number: 615618  Size: FS
BATT Main 2, Headlamps, ELC/Trailer, RR Defog/HTP Mirrors and RR Fog LP Fuses and PWR/ Heated Seat PSD Circuit Breaker
Export Taillamps
Export Taillamps
Export Turn and Side Marker Lamps
Export Turn and Side Marker Lamps
Export Stoplamps and CHMSL
BATT Main 2, Headlamps, ELC/Trailer, RR Defog/HTP Mirrors and RR Fog LP Fuses and PWR/ Heated Seat PSD Circuit Breaker
Fog Lights Schematics (Rear Fog Lights-Export 2 of 2)
Cell 14: G401
Cell 14: G401
Lighting Systems Components
Exterior Lights Circuit Description
Export Stoplamps and CHMSL