GM Service Manual Online
For 1990-2009 cars only
Makes
🢒
Chevrolet
🢒
2000
🢒
Trans Sport (Export)
🢒
Body and Accessories
🢒
Doors
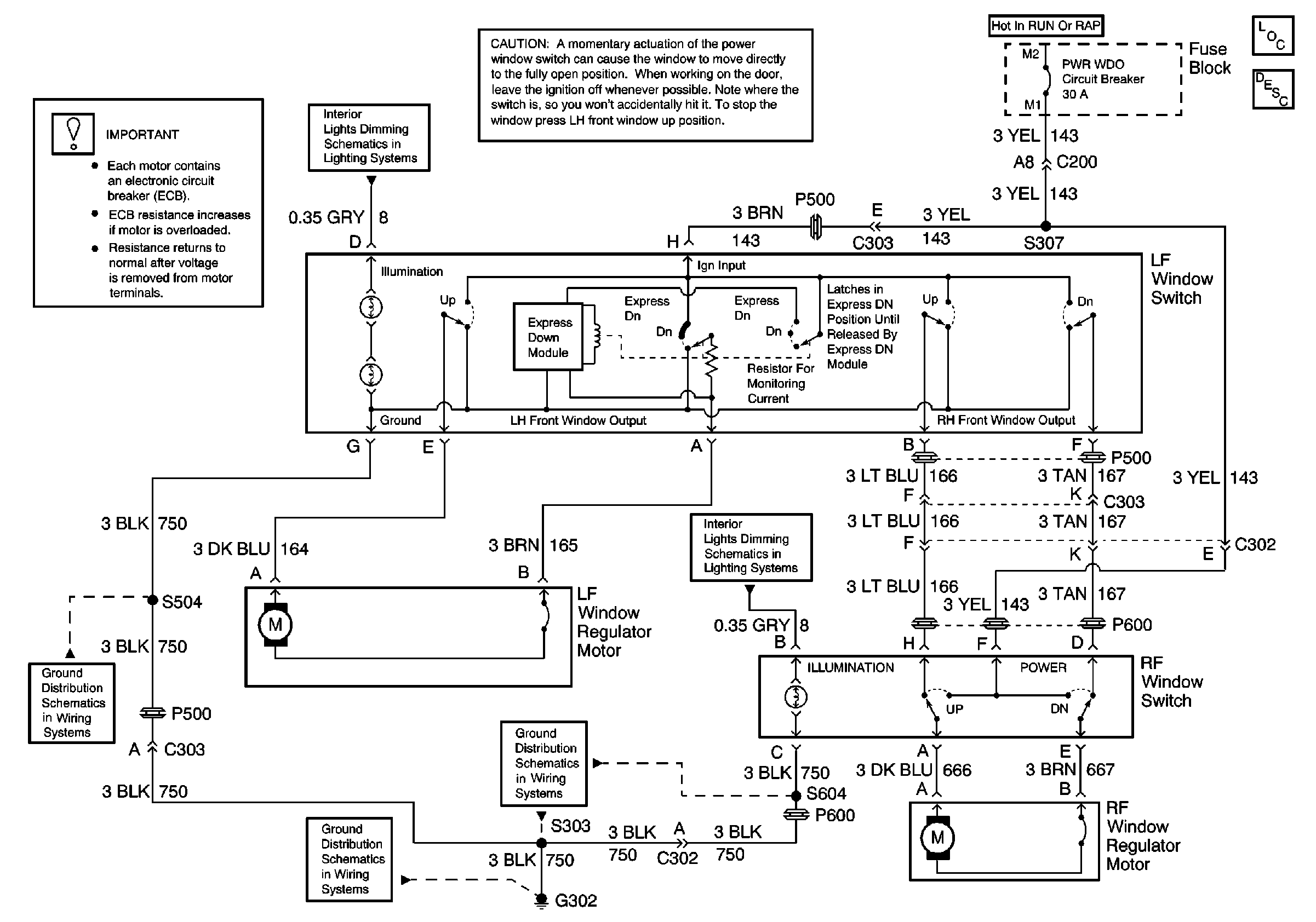
🢒 Power Window Schematics
Power Door Systems Components
Power Windows Circuit Description
Interior Lights Dimming Schematics (Cell 117: Rear Window Wiper/Washer and Multifunction Switch, Window Switches, Door Lock Switches)
Cell 14: G302
Cell 14: G302
Cell 14: G302
Interior Lights Dimming Schematics (Cell 117: Rear Window Wiper/Washer and Multifunction Switch, Window Switches, Door Lock Switches)