GM Service Manual Online
For 1990-2009 cars only
Makes
🢒
Chevrolet
🢒
2000
🢒
Trans Sport (Export)
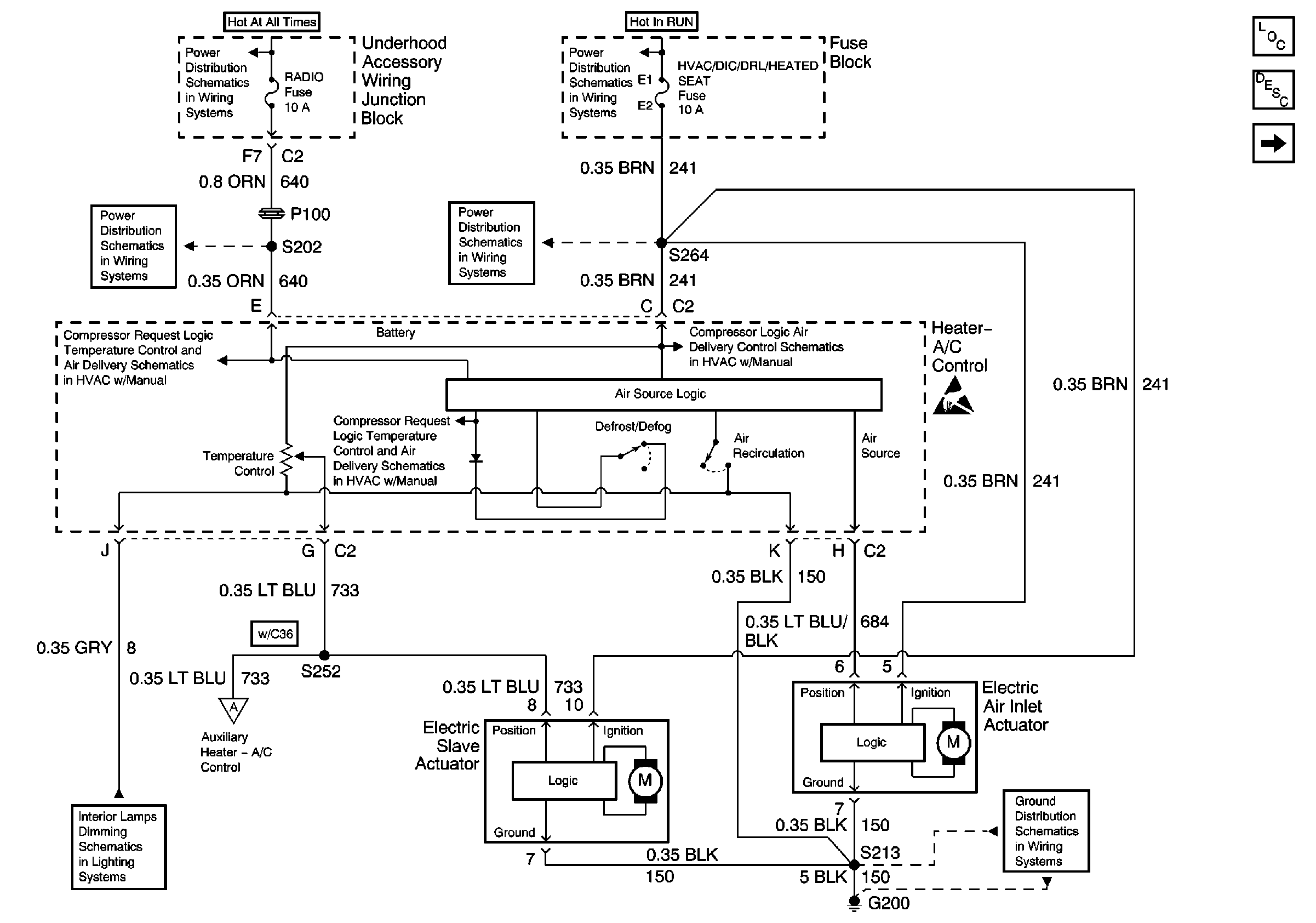
🢒 Front Air Delivery
Front Air Delivery
Front Air Delivery
HVAC Components
HVAC Air Delivery/Temperature Control Circuit Description
Rear Air Delivery
HVAC Compressor and Auxiliary Coollant Bypass Pump Controls
HVAC Compressor and Auxiliary Coollant Bypass Pump Controls
Rear Air Delivery
HVAC Compressor and Auxiliary Coollant Bypass Pump Controls
Handling ESD Sensitive Parts Notice
EBCM, BATT Main 1 and Radio Fuses
EBCM, BATT Main 1 and Radio Fuses
Interior Lights Dimming Schematics (Cell 117: Heater-A/C Control Switches and Instrument Cluster)
Cell 14: G200
HVAC/DIC/DRL/Heated Seat, HVAC Blower and RR HVAC/TEMP CONT Fuses
HVAC/DIC/DRL/Heated Seat, HVAC Blower and RR HVAC/TEMP CONT Fuses