GM Service Manual Online
For 1990-2009 cars only
Makes
🢒
Chevrolet
🢒
2000
🢒
Trans Sport (Export)
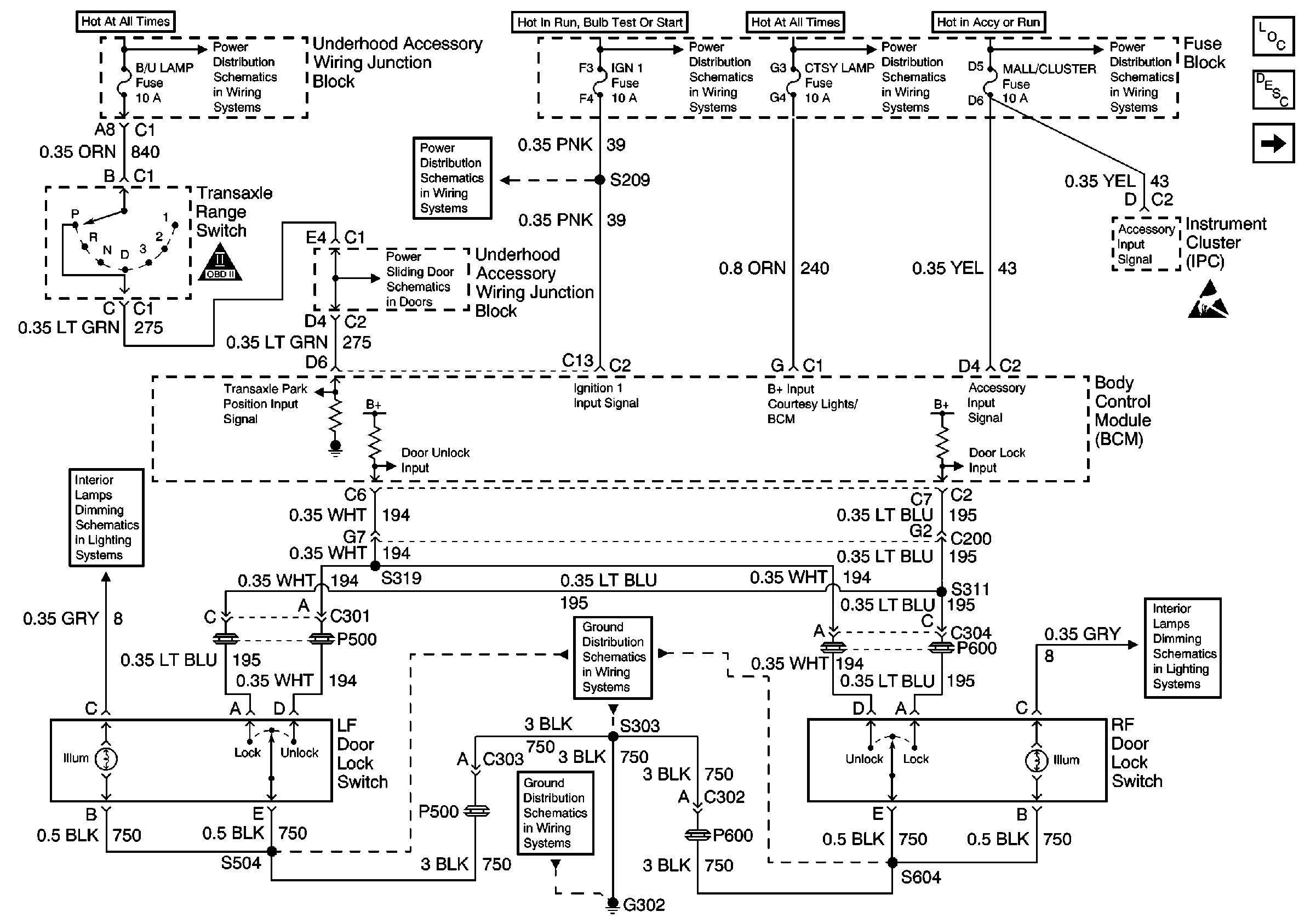
🢒 Door Lock Switches
Door Lock Switches
Door Lock Switches
Power Door Systems Components
Power Door Locks Circuit Description
Key Cylinder Switches
Underhood Accessory Wiring Junction Block, Relay Center, PWR WDO and PWR OTR Vent Fuses
IGN, SIR, T/S/G, Cruise, and PCM/Pass Key 1 Cluster Fuses
IGN, SIR, T/S/G, Cruise, and PCM/Pass Key 1 Cluster Fuses
Cluster BATT, RR PWR SCKT, PWR Lock, Rap Relay, CTSY Lamp, FRT PWR SCKT, Cigar/DLC and PWR Mirror Fuses
Ignition Switch, IGN Main 2, BCM PRORM, RR WPR/WSHR, MALL/Cluster and FRT/WPR/WSHR Fuses
Interior Lights Dimming Schematics (Cell 117: Rear Window Wiper/Washer and Multifunction Switch, Window Switches, Door Lock Switches)
Cell 14: G302
Cell 14: G302
Interior Lights Dimming Schematics (Cell 117: Rear Window Wiper/Washer and Multifunction Switch, Window Switches, Door Lock Switches)
PSD Switches, Transaxle Range Switch, RKE
OBD II Symbol Description Notice
Handling ESD Sensitive Parts Notice