GM Service Manual Online
For 1990-2009 cars only
Makes
🢒
Chevrolet
🢒
2000
🢒
Trans Sport (Export)
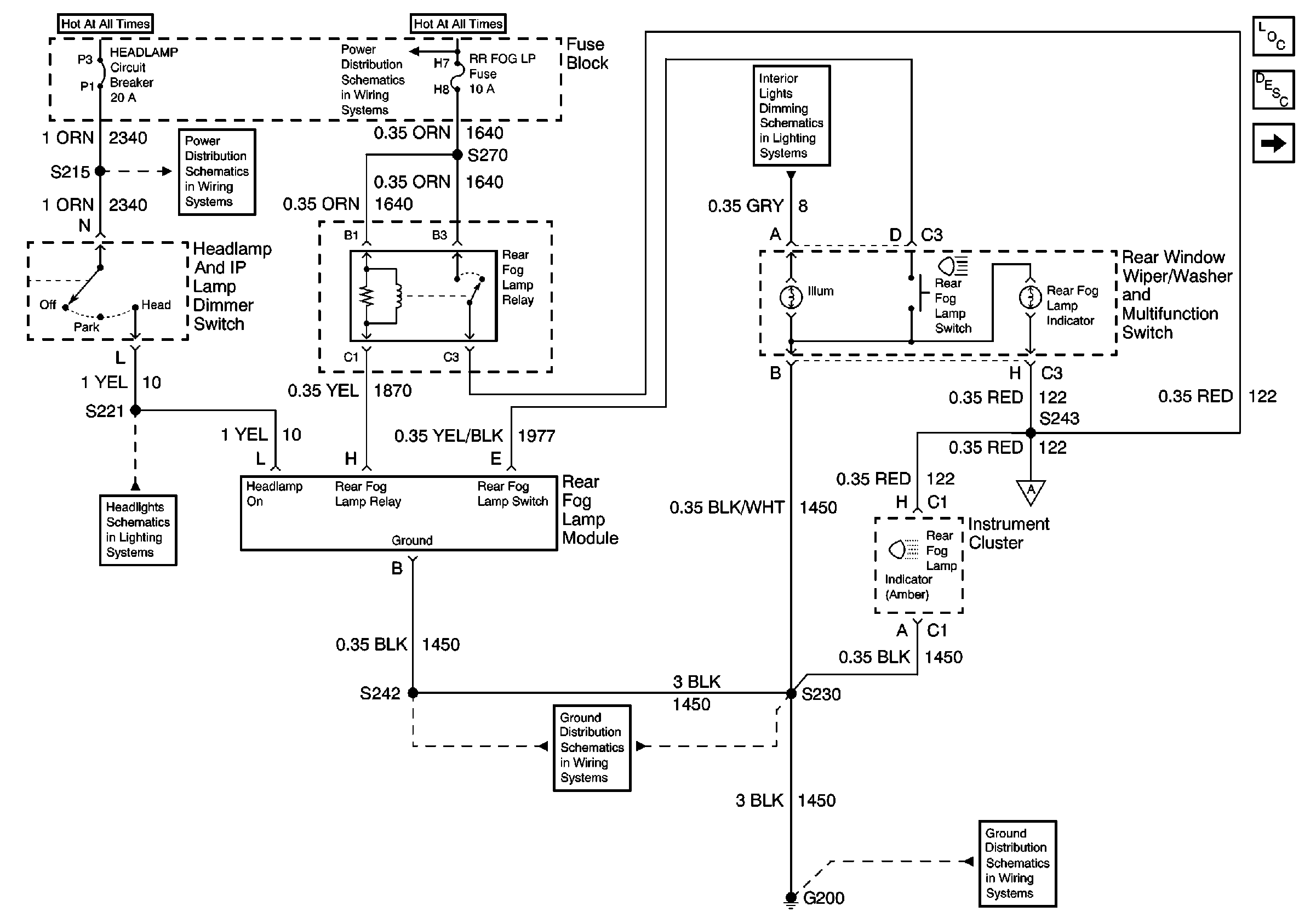
🢒 Fog Lights Schematics (Rear Fog Lights-Export 1of 2)
Fog Lights Schematics (Rear Fog Lights-Export 1of 2)
Fog Lights Schematics (Rear Fog Lights-Export 1of 2)
Stop Lamp, Hazard, and Pass Key Fuses, FRT HVAC MI BLWR and Headlamp Circuit Breakers
Headlights Schematics (Daytime Running Lights-Export 1 of 3)
BATT Main 2, Headlamps, ELC/Trailer, RR Defog/HTP Mirrors and RR Fog LP Fuses and PWR/ Heated Seat PSD Circuit Breaker
Cell 14: G200
Interior Lights Dimming Schematics (Cell 117: Headlamp and IP Lamp Dimmer Switch, Driver Information Display)
Fog Lights Schematics (Rear Fog Lights-Export 2 of 2)
Cell 14: G200
Lighting Systems Components
Fog Lights Circuit Description
Fog Lights Schematics (Rear Fog Lights-Export 2 of 2)