GM Service Manual Online
For 1990-2009 cars only
Makes
🢒
Chevrolet
🢒
2005
🢒
Uplander
🢒
Vehicle Control Systems
🢒
Vehicle DTC Information
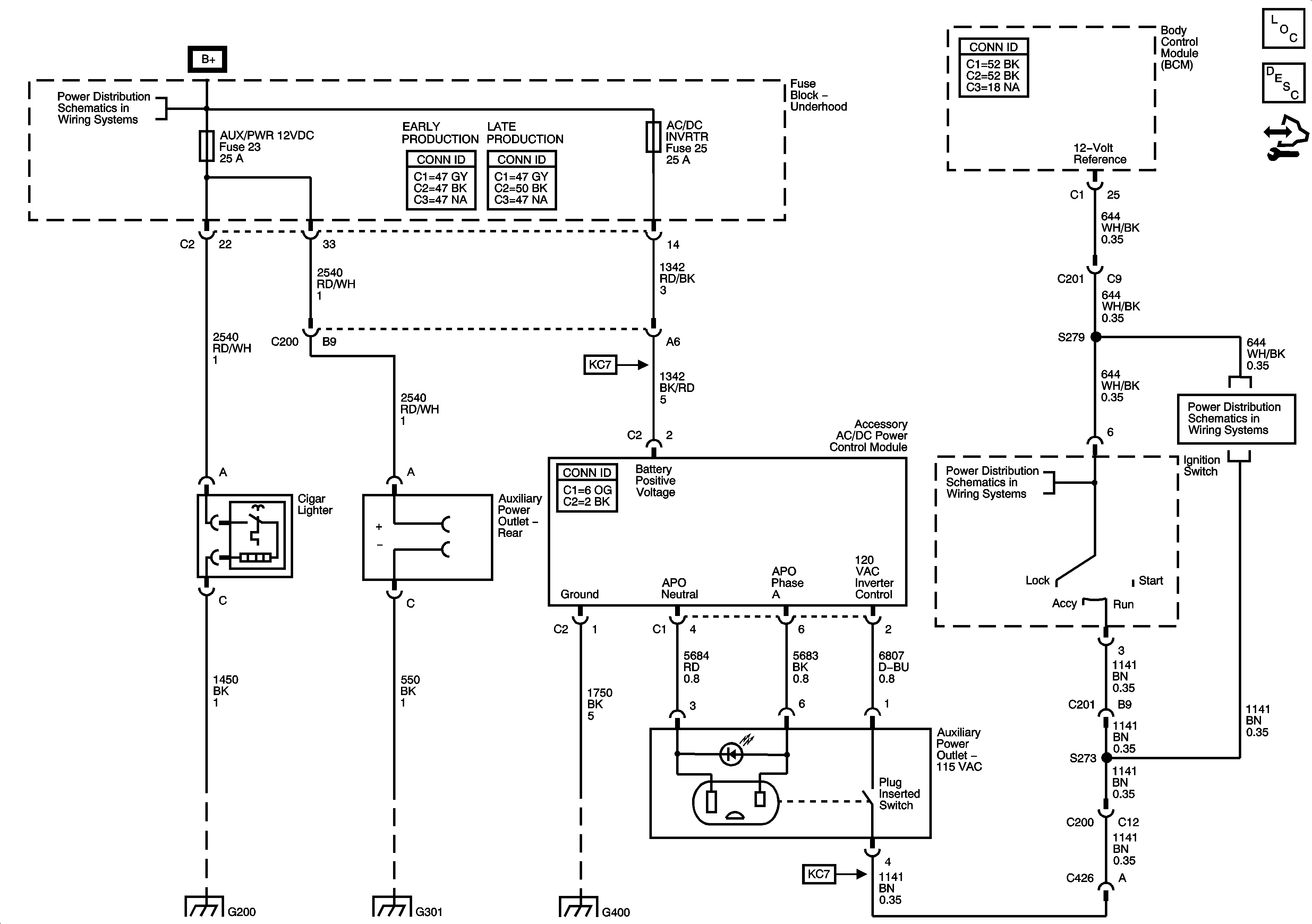
🢒 Cigar Lighter/Power Outlet Schematics
Master Electrical Component List
Power Outlets Description and Operation 120 AC Volts
Control Module References
ABS MOTOR, AC/DC INVRTR, AUX/PWR 12VDC, FRT WSW, and PCM ETC Fuses
Ignition Switch
G200 1 of 2
G301
G400