GM Service Manual Online
For 1990-2009 cars only
Makes
🢒
Chevrolet
🢒
2005
🢒
Uplander
🢒
Vehicle Control Systems
🢒
Vehicle DTC Information
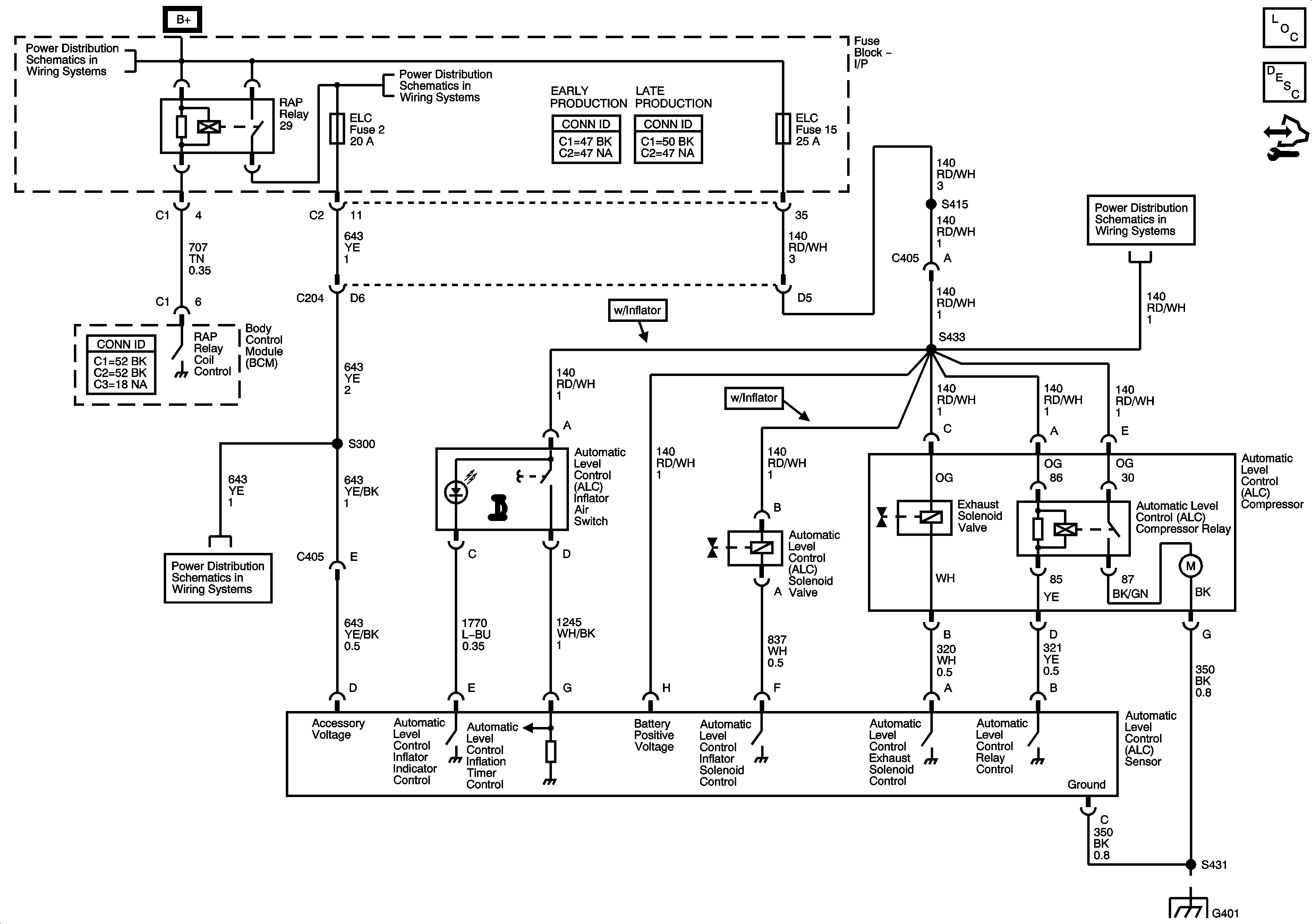
🢒 Automatic Level Control Schematics
Master Electrical Component List
Automatic Level Control Description and Operation
Control Module References
ELC, RR WPR, and STRG WHL ILLUM Fuses PWR WNDW Circuit Breaker
ELC, RR WPR, and STRG WHL ILLUM Fuses PWR WNDW Circuit Breaker
ELC, RR WPR, and STRG WHL ILLUM Fuses PWR WNDW Circuit Breaker
BATT MAIN 3, ELC, and TRUNK/LKS Fuses
G401