GM Service Manual Online
For 1990-2009 cars only
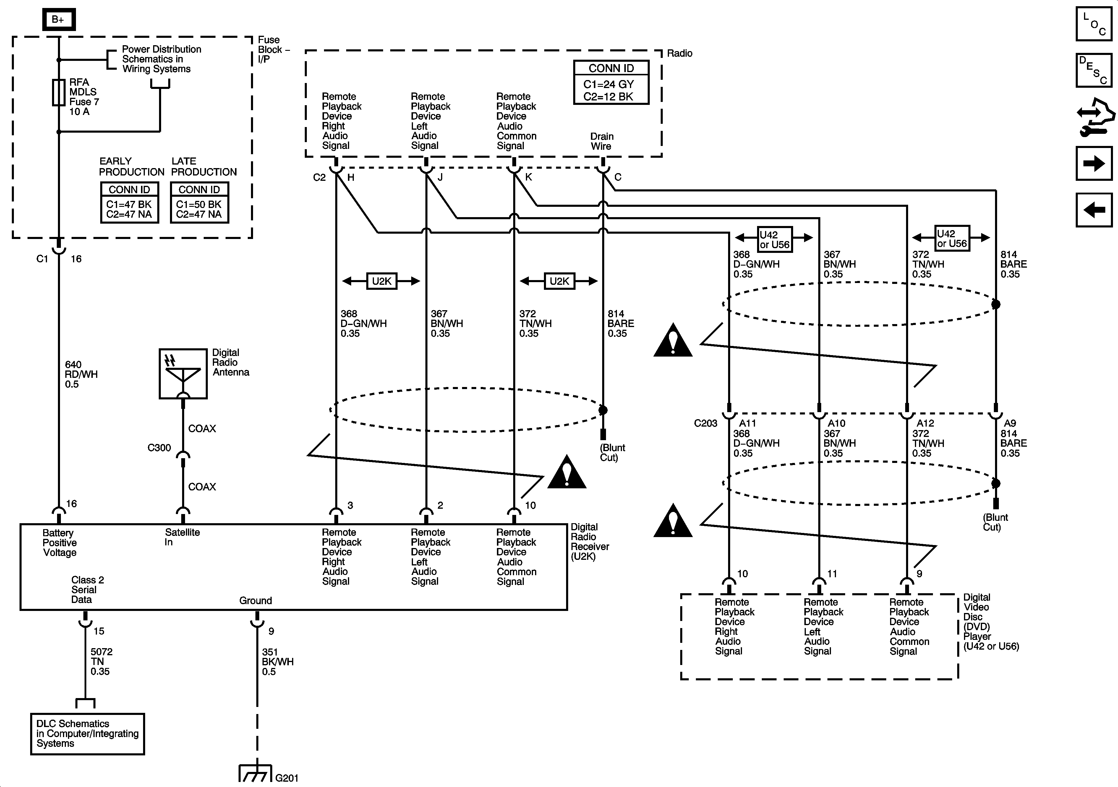
Figure 1:

Antennas, Ground, Power, and Subsystem References


Object Number: 1499900  Size: FS
Master Electrical Component List
Radio/Audio System Description and Operation
Control Module References
DVD and Satellite Audio Sources
CAN VENT, CLSTR/HVAC, INT/LAMP, ONSTAR, and RADIO AMP Fuses
Steering Wheel Controls Schematics
DLC Schematics
OnStar Schematics
Gages, Ground, and Power
G201
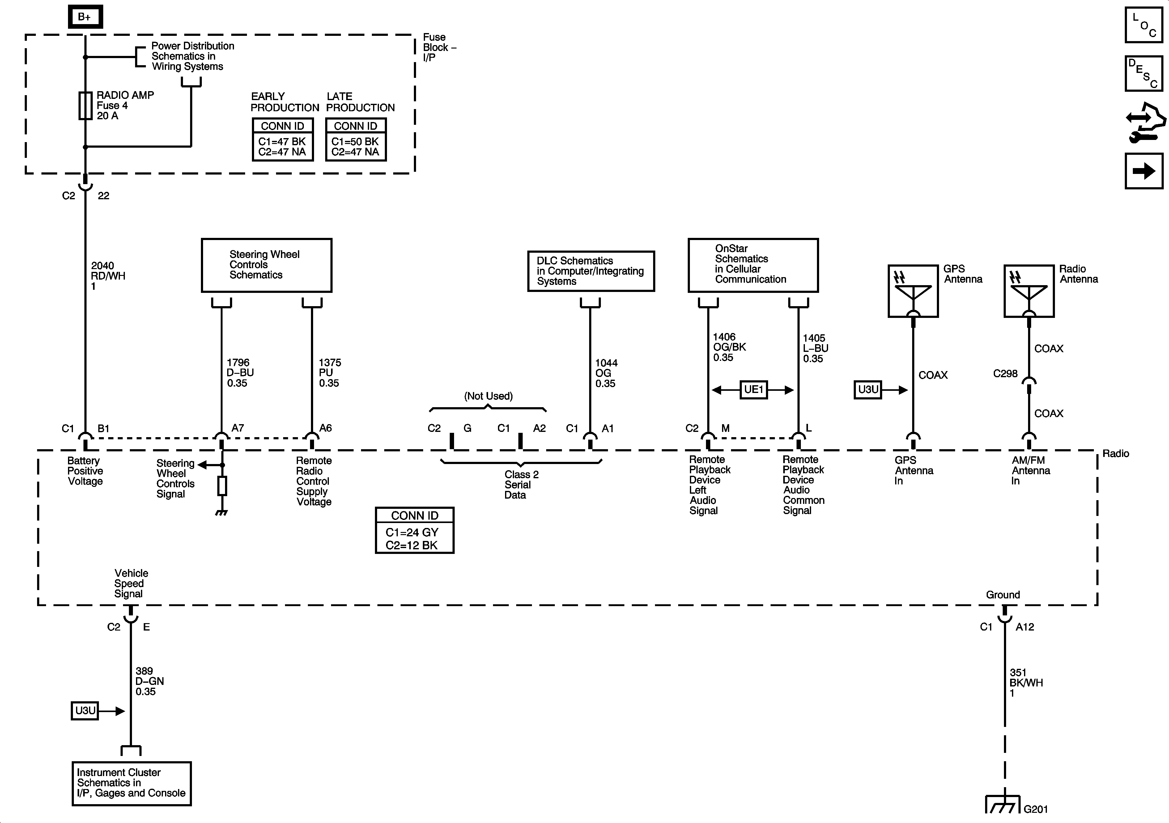
Figure 2:

DVD and Satellite Audio Sources


Object Number: 1499904  Size: FS
Master Electrical Component List
Radio/Audio System Description and Operation
Control Module References
Front Speakers
Antennas, Ground, Power, and Subsystem References
BATT MAIN 1, CHMSL BCK/UP, PRK LAMP, PSD, and RFA MDLS Fuses
Entertainment Schematic Icons
Entertainment Schematic Icons
Entertainment Schematic Icons
DLC Schematics
G201
Figure 3:

Front Speakers


Object Number: 1499906  Size: FS
Master Electrical Component List
Radio/Audio System Description and Operation
Control Module References
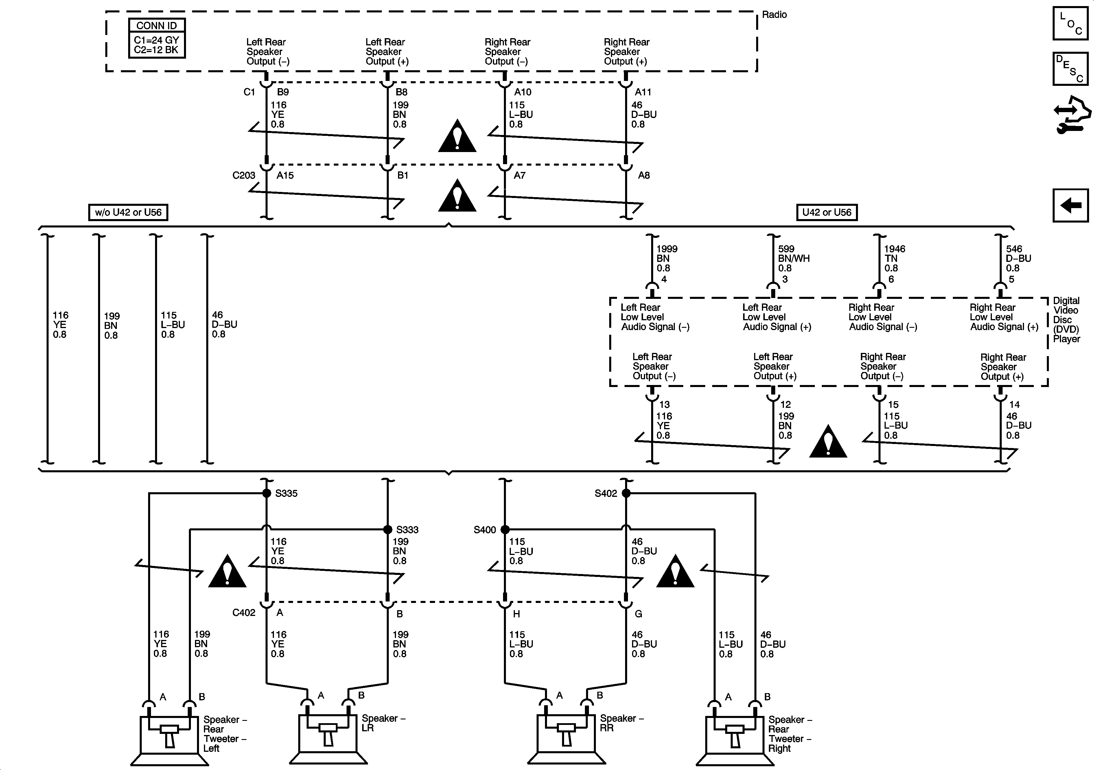
Rear Speakers
DVD and Satellite Audio Sources
Entertainment Schematic Icons
Entertainment Schematic Icons
Figure 4:

Rear Speakers


Object Number: 1499909  Size: FS
Master Electrical Component List
Radio/Audio System Description and Operation
Control Module References
Front Speakers
Entertainment Schematic Icons
Entertainment Schematic Icons
Entertainment Schematic Icons
Entertainment Schematic Icons
Entertainment Schematic Icons