GM Service Manual Online
For 1990-2009 cars only
Makes
🢒
Chevrolet
🢒
2005
🢒
Uplander
🢒
Vehicle Control Systems
🢒
Vehicle DTC Information
🢒 Instrument Cluster Schematics
Figure
1:
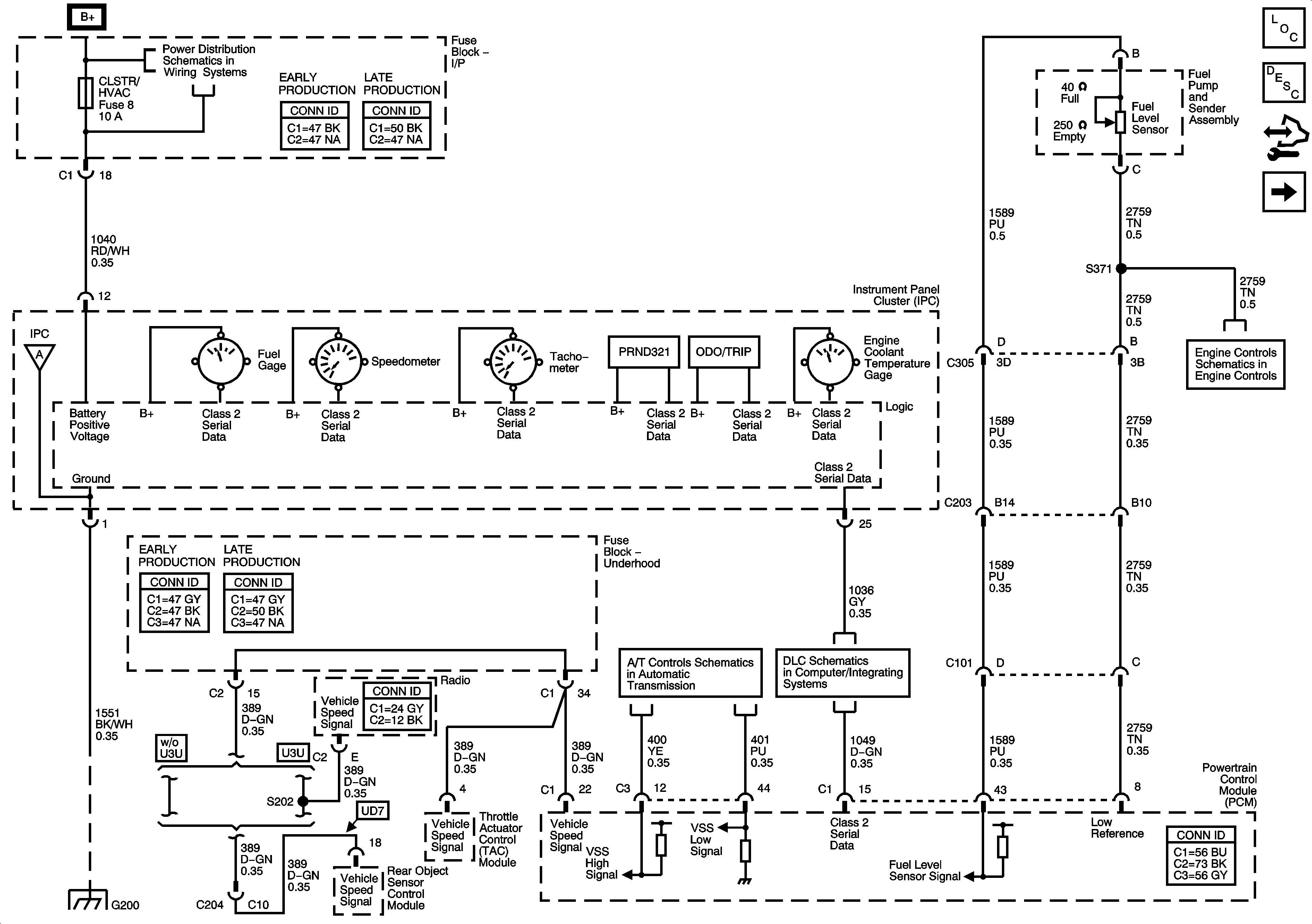
Gages, Ground, and Power
Master Electrical Component List
Instrument Cluster Description and Operation
Control Module References
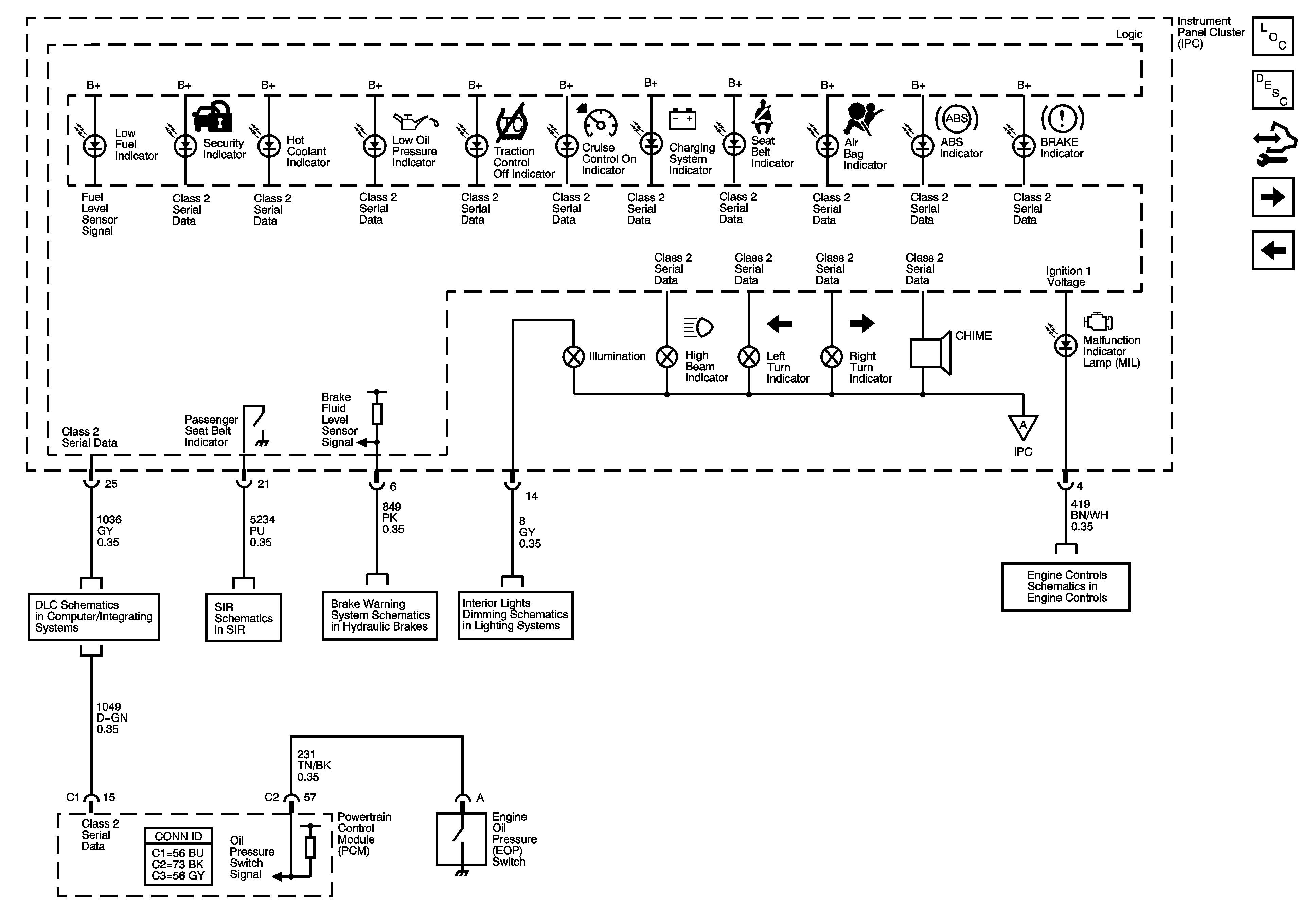
Indicators and Lighting
CAN VENT, CLSTR/HVAC, INT/LAMP, ONSTAR, and RADIO AMP Fuses
Indicators and Lighting
Fuel Controls - EVAP Controls
G200 2 of 2
Figure
2:
Indicators and Lighting
Master Electrical Component List
Indicator/Warning Message Description and Operation
Control Module References
Messages
Gages, Ground, and Power
DLC Schematics
Occupant Sensing
Brake Warning System Schematics
Control, I/P and Passenger Door Lamps
Gages, Ground, and Power
Module Power, Ground, Serial Data, and MIL
Figure
3:
Messages
Master Electrical Component List
Driver Information Center (DIC) Description and Operation
Control Module References
Indicators and Lighting
G200 2 of 2
Driver Inputs, Indicators
Backup Lamps
Control, I/P and Passenger Door Lamps