GM Service Manual Online
For 1990-2009 cars only

Removal Procedure


    Object Number: 1548554  Size: SH
  1. Remove the auxiliary upper air distribution duct. Refer to Auxiliary Air Distributor Duct Replacement - Upper .
  2. Remove the rear (auxiliary) A/C outlet lower duct bolt (1).
  3. Remove the A/C outlet lower duct (2).

  4. Object Number: 1548553  Size: SH
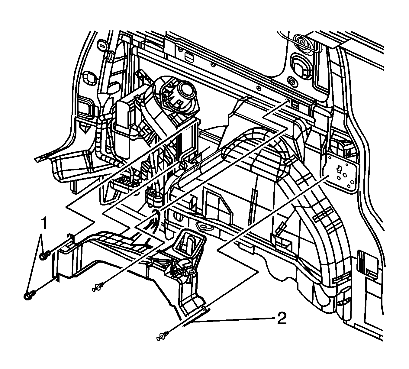
  5. Remove the rear (auxiliary) A/C outlet duct bolts (1).
  6. Remove the A/C outlet duct (2).

Installation Procedure


    Object Number: 1548553  Size: SH
  1. Install the A/C outlet duct (2).
  2. Notice: Refer to Fastener Notice in the Preface section.

  3. Install the rear (auxiliary) A/C outlet duct bolts (1).
  4. Tighten
    Tighten the bolts to 10 N·m (89 lb in).


    Object Number: 1548554  Size: SH
  5. Install the A/C outlet lower duct (2).
  6. Install the rear (auxiliary) A/C outlet lower duct bolt (1).
  7. Tighten
    Tighten the bolt to 10 N·m (89 lb in).

  8. Install the auxiliary air distribution duct. Refer to Auxiliary Air Distributor Duct Replacement - Upper .