GM Service Manual Online
For 1990-2009 cars only
Figure 1:

Ground, Impact Sensors, Indicator, and Power


Object Number: 1486264  Size: FS
Master Electrical Component List
SIR System Description and Operation
Control Module References
Impact Modules and Pretensioners
SIR Schematic Icons
G102, G113 and G115
ABS, AIRBAG, CRUISE/SWTCH, HVAC/RPA/CRUISE, PCM IGN, and TRANS SOLS Fuses
B+ Bus
DLC Schematics
SIR Schematic Icons
SIR Schematic Icons
SIR Schematic Icons
SIR Schematic Icons
G102, G113 and G115
Occupant Sensing
Occupant Sensing
G302 - 1 of 2
Figure 2:

Impact Modules and Pretensioners


Object Number: 1486266  Size: FS
Master Electrical Component List
SIR System Description and Operation
Control Module References
Occupant Sensing
Ground, Impact Sensors, Indicator, and Power
SIR Schematic Icons
SIR Schematic Icons
SIR Schematic Icons
SIR Schematic Icons
SIR Schematic Icons
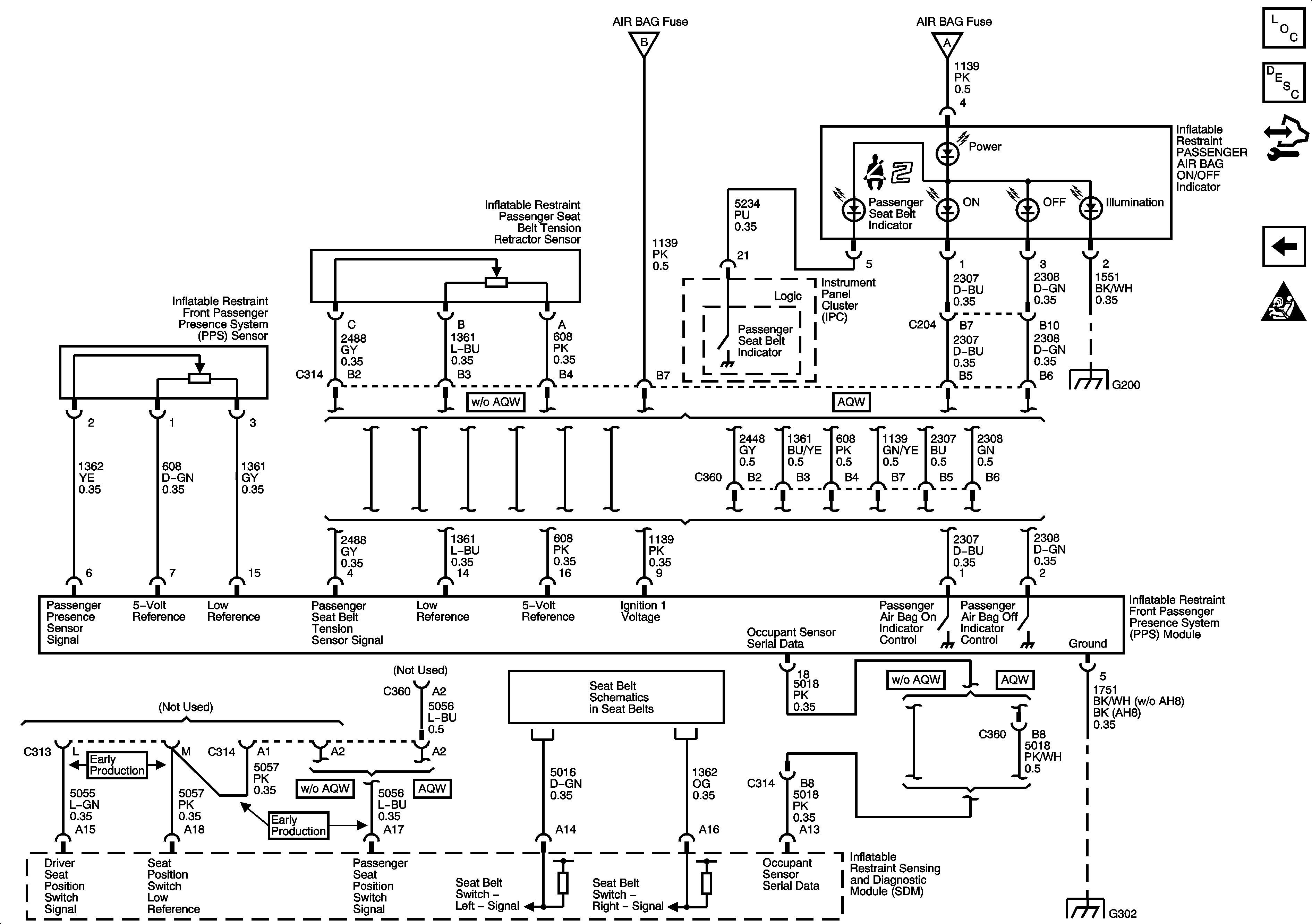
Figure 3:

Occupant Sensing


Object Number: 1486271  Size: FS
Master Electrical Component List
SIR System Description and Operation
Control Module References
Impact Modules and Pretensioners
SIR Schematic Icons
Ground, Impact Sensors, Indicator, and Power
Ground, Impact Sensors, Indicator, and Power
G200 2 of 2
Seat Belts Schematics
G302 - 1 of 2