GM Service Manual Online
For 1990-2009 cars only
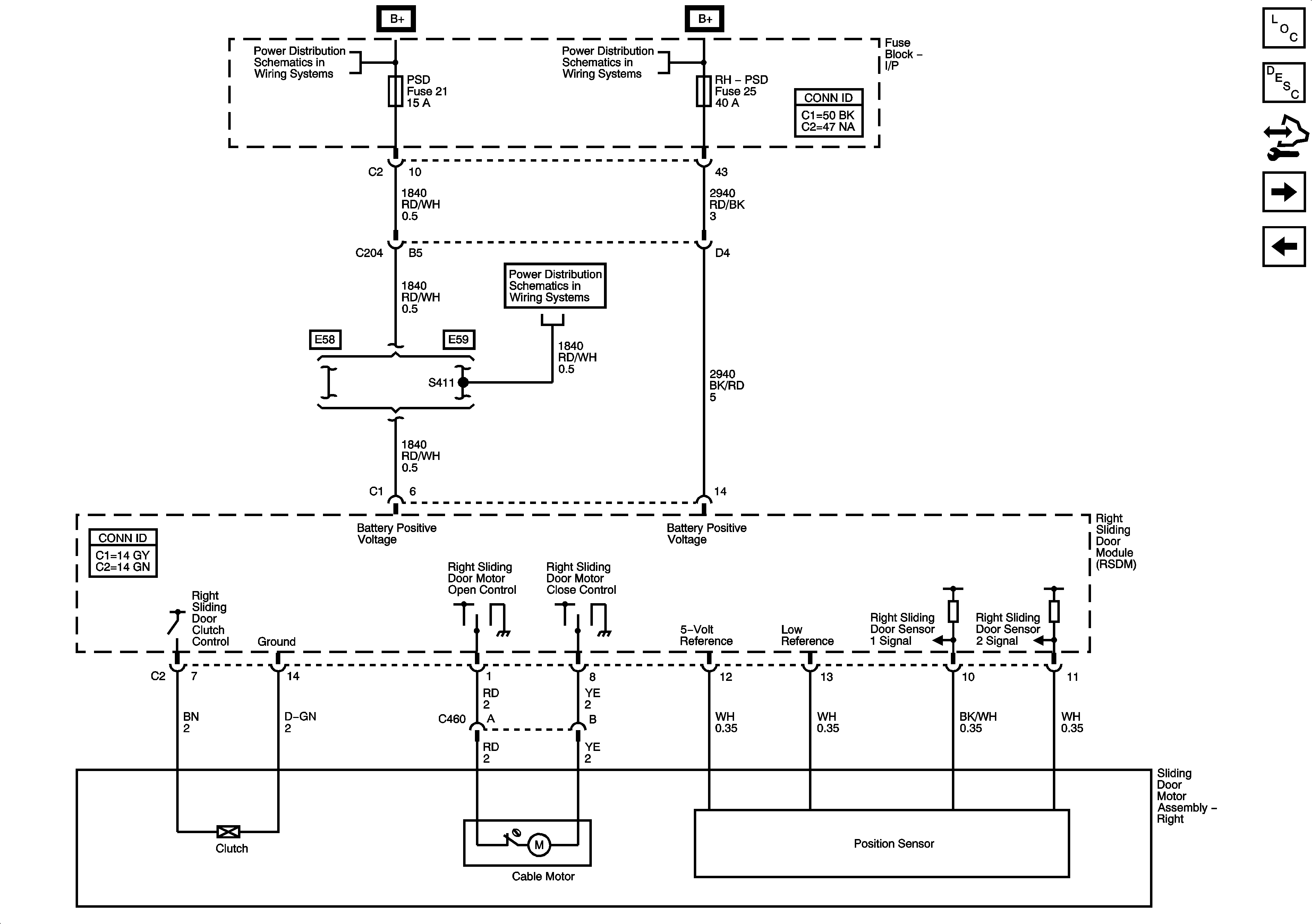
Figure 1:

Right Door Controls


Object Number: 1636955  Size: FS
Master Electrical Component List
Power Sliding Door (PSD) Description and Operation
Control Module References
Right Door Motor
Control, I/P and Passenger Door Lamps
Left Door Controls
Data Link Connector (DLC) Schematics
G400
G302 - 2 of 2
Left Door and Roof
G302 - 1 of 2
G302 - 1 of 2
Left Door Controls
Sit-N-Lift Seat Door and PNP Interlocks, and Remote
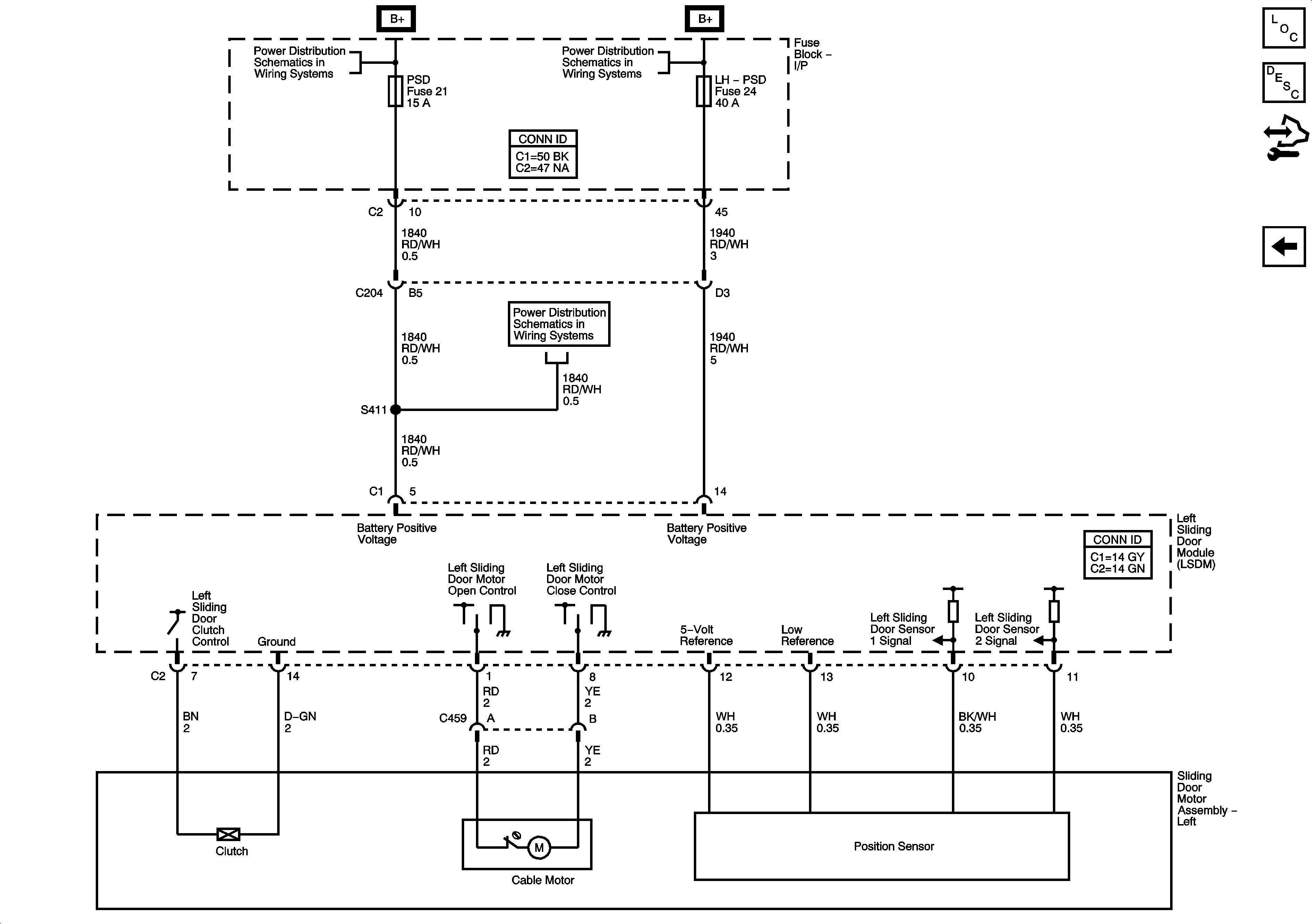
Figure 2:

Right Door Motor


Object Number: 1636956  Size: FS
Master Electrical Component List
Power Sliding Door (PSD) Description and Operation
Control Module References
Left Door Controls
Right Door Controls
CHMSL BCK/UP, PRK LAMP, PSD, and RFA MDLS Fuses
BATT MAIN 2, HTD/SEATS, LH-PSD, PWR MIR, RH-PSD, Sit-N-Lift Seat, and STOP/TRN Fuses, PWR SEATS and Sit-N-Lift Circuit Breaker
CHMSL BCK/UP, PRK LAMP, PSD, and RFA MDLS Fuses
Figure 3:

Left Door Controls


Object Number: 1636957  Size: FS
Master Electrical Component List
Power Sliding Door (PSD) Description and Operation
Control Module References
Left Door Motor
Right Door Motor
Right Door Controls
Left Door and Roof
Data Link Connector (DLC) Schematics
G401
Right Door Controls
G301
Figure 4:

Left Door Motor


Object Number: 1636958  Size: FS
Master Electrical Component List
Power Sliding Door (PSD) Description and Operation
Control Module References
Left Door Controls
CHMSL BCK/UP, PRK LAMP, PSD, and RFA MDLS Fuses
BATT MAIN 2, HTD/SEATS, LH-PSD, PWR MIR, RH-PSD, Sit-N-Lift Seat, and STOP/TRN Fuses, PWR SEATS and Sit-N-Lift Circuit Breaker
CHMSL BCK/UP, PRK LAMP, PSD, and RFA MDLS Fuses