GM Service Manual Online
For 1990-2009 cars only
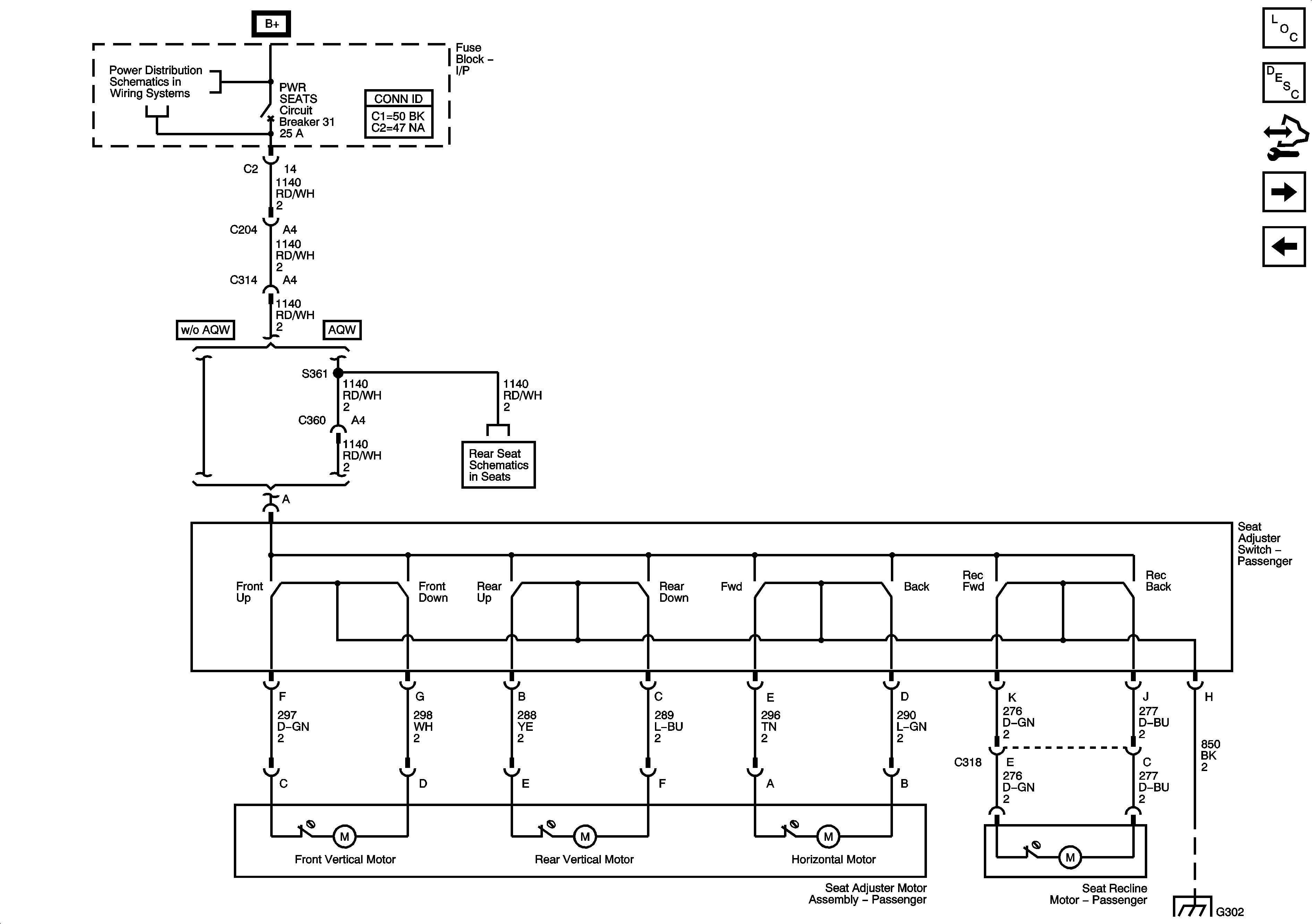
Figure 1:

6-Way Power Seat


Object Number: 1636964  Size: FS
Master Electrical Component List
Power Seats System Description and Operation
Control Module References
BATT MAIN 2, HTD/SEATS, LH-PSD, PWR MIR, RH-PSD, Sit-N-Lift Seat, and STOP/TRN Fuses, PWR SEATS and Sit-N-Lift Circuit Breaker
Sit-N-Lift Seat Power and A/T Shift Interlock
G302 - 1 of 2
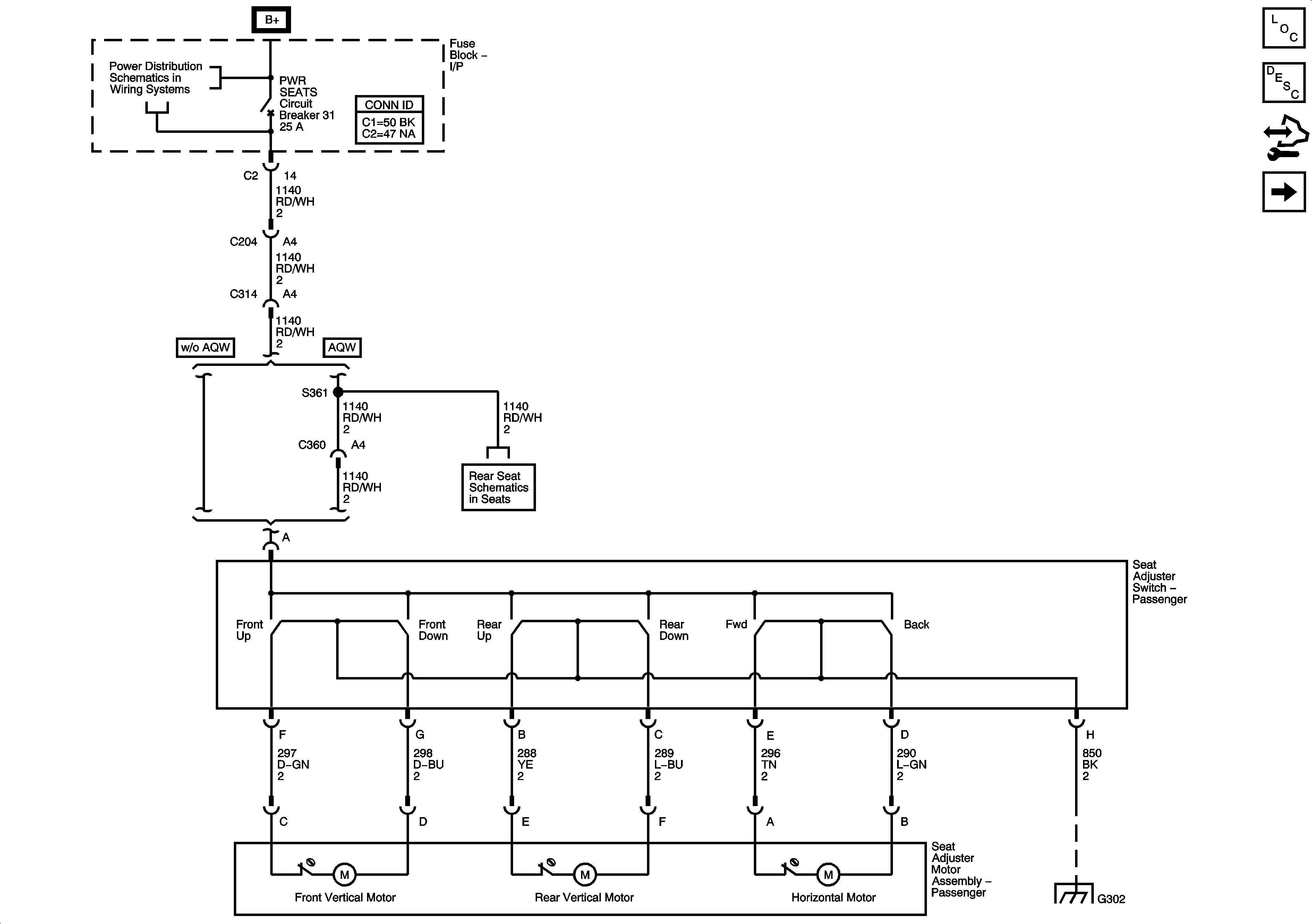
Figure 2:

8-Way Power Seat


Object Number: 1636965  Size: FS
Master Electrical Component List
Power Seats System Description and Operation
Control Module References
Heated Seat
6-Way Power Seat
BATT MAIN 2, HTD/SEATS, LH-PSD, PWR MIR, RH-PSD, Sit-N-Lift Seat, and STOP/TRN Fuses, PWR SEATS and Sit-N-Lift Circuit Breaker
Sit-N-Lift Seat Power and A/T Shift Interlock
G302 - 1 of 2
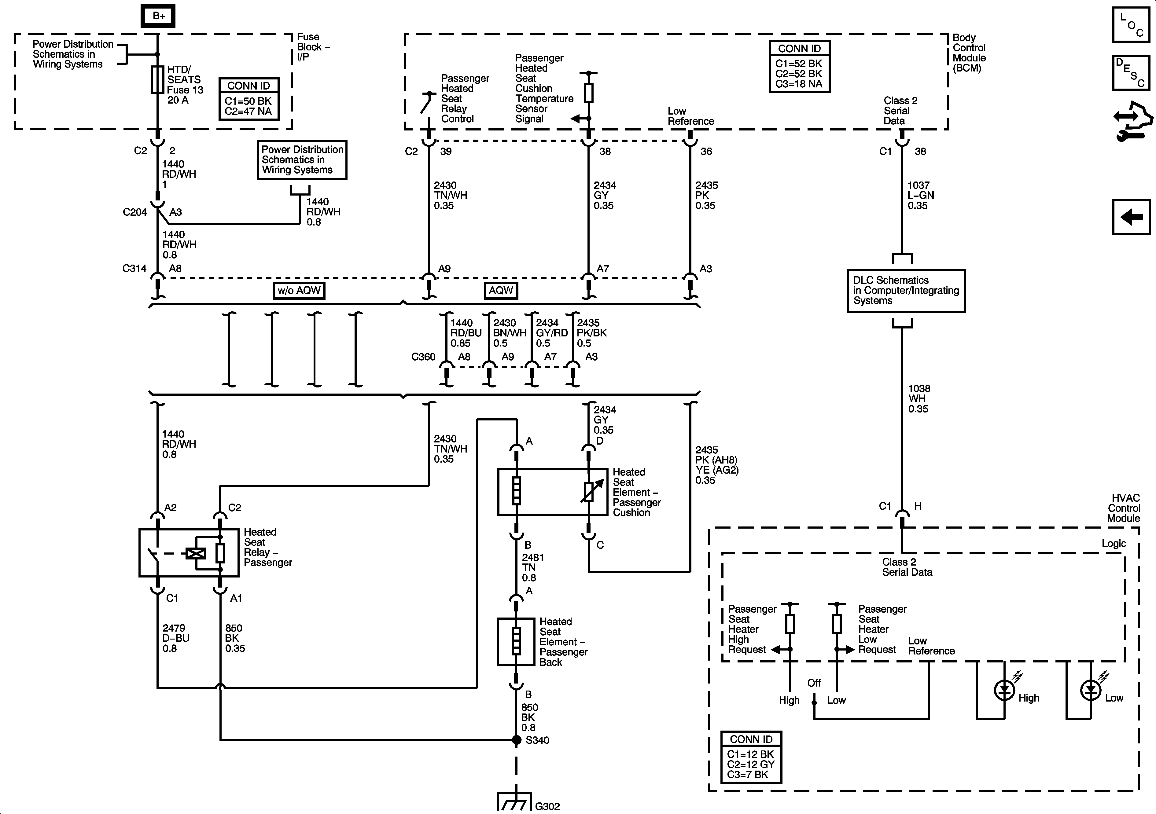
Figure 3:

Heated Seat


Object Number: 1636966  Size: FS
Master Electrical Component List
Heated Seats Description and Operation
Control Module References
8-Way Power Seat
BATT MAIN 2, HTD/SEATS, LH-PSD, PWR MIR, RH-PSD, Sit-N-Lift Seat, and STOP/TRN Fuses, PWR SEATS and Sit-N-Lift Circuit Breaker
BATT MAIN 2, HTD/SEATS, LH-PSD, PWR MIR, RH-PSD, Sit-N-Lift Seat, and STOP/TRN Fuses, PWR SEATS and Sit-N-Lift Circuit Breaker
Data Link Connector (DLC) Schematics
G302 - 1 of 2