GM Service Manual Online
For 1990-2009 cars only

Video System Schematics w/o UMS


Object Number: 1636980  Size: FS
Master Electrical Component List
Video Entertainment System Description and Operation
Control Module References
CNSTR/VENT, CLSTR/HVAC, INT/LAMP, ONSTAR, and RADIO AMP Fuses
Data Link Connector (DLC) Schematics
DVD and Satellite Audio Sources
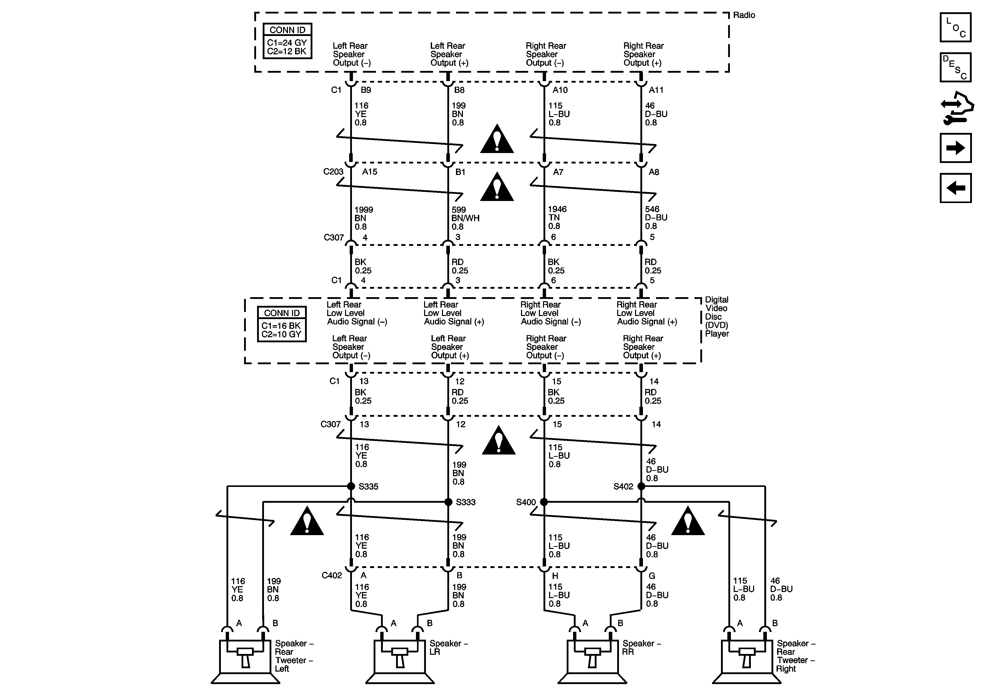
Rear Speakers
G201

Video System Schematics UMS

Figure 1:

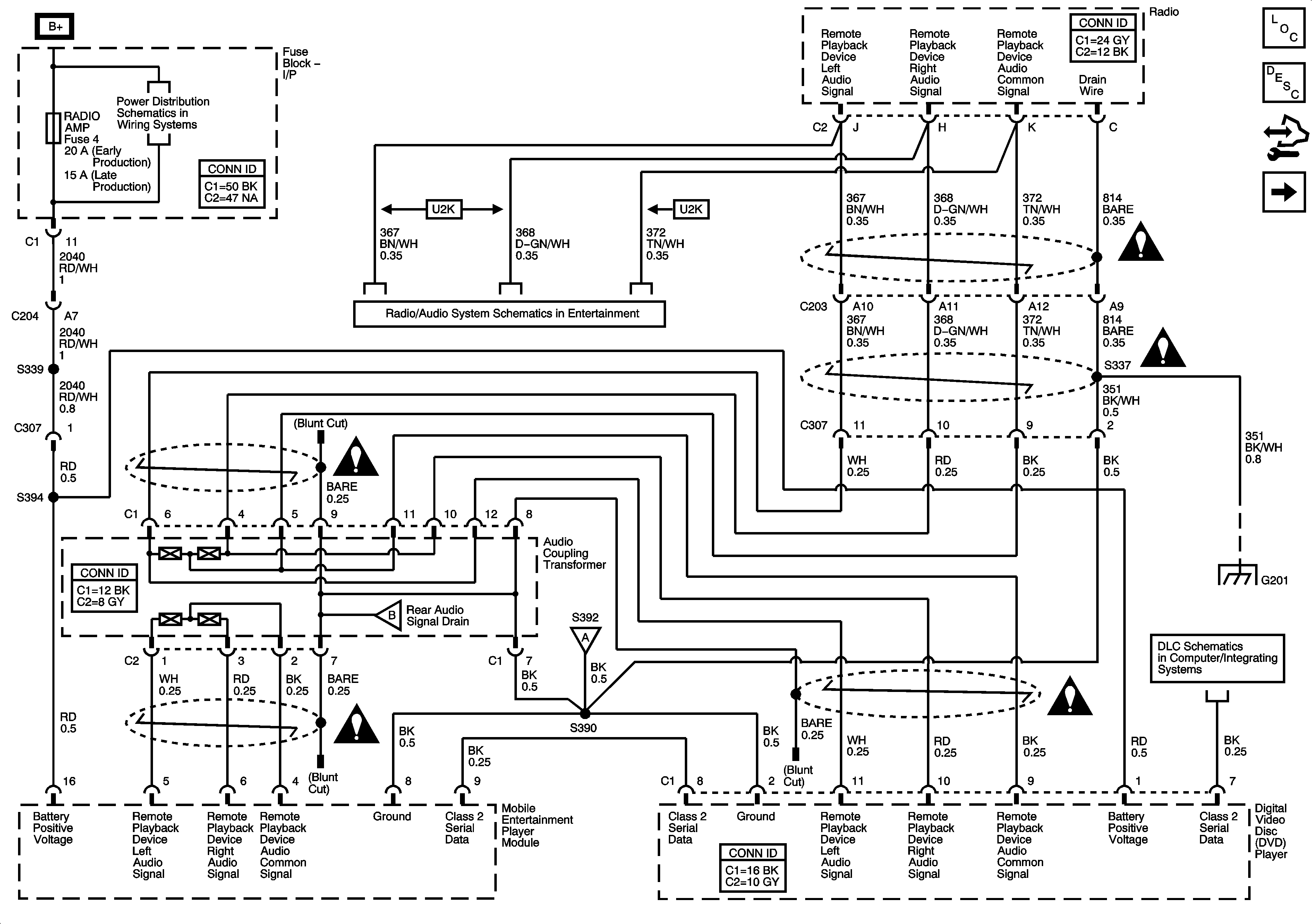
Ground, Power, Serial Data, and Front Audio Signals


Object Number: 1636982  Size: FS
Master Electrical Component List
Video Entertainment System Description and Operation
Control Module References
Rear Audio Output
CNSTR/VENT, CLSTR/HVAC, INT/LAMP, ONSTAR, and RADIO AMP Fuses
DVD and Satellite Audio Sources
Entertainment Schematic Icons
Entertainment Schematic Icons
Entertainment Schematic Icons
Entertainment Schematic Icons
Entertainment Schematic Icons
Data Link Connector (DLC) Schematics
Auxiliary and Rear Audio and Video Signals
Auxiliary and Rear Audio and Video Signals
G201
Figure 2:

Rear Audio Output


Object Number: 1636983  Size: FS
Master Electrical Component List
Video Entertainment System Description and Operation
Control Module References
Auxiliary and Rear Audio and Video Signals
Ground, Power, Serial Data and Front Audio Signals
Entertainment Schematic Icons
Entertainment Schematic Icons
Entertainment Schematic Icons
Entertainment Schematic Icons
Entertainment Schematic Icons
Figure 3:

Auxiliary and Rear Audio and Video Signals


Object Number: 1636985  Size: FS
Master Electrical Component List
Video Entertainment System Description and Operation
Control Module References
Rear Audio Output
Ground, Power, Serial Data and Front Audio Signals
Ground, Power, Serial Data and Front Audio Signals
Entertainment Schematic Icons
Entertainment Schematic Icons
Entertainment Schematic Icons
Entertainment Schematic Icons