GM Service Manual Online
For 1990-2009 cars only
Makes
🢒
Chevrolet
🢒
2006
🢒
Uplander Ext.
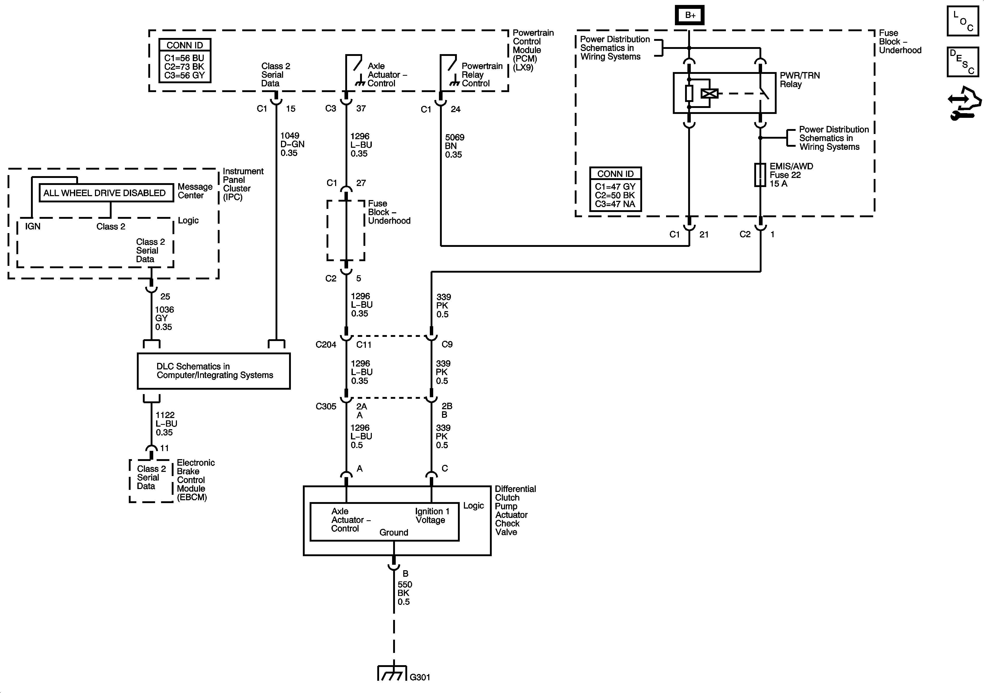
🢒 All-Wheel Drive Schematics
All-Wheel Drive Schematics
Master Electrical Component List
Locking Differential Description and Operation
Control Module References
ELEC IGN, EMIS/AWD, ENG SNSR/EVAP, ETC, FRT BLWR HI, and FUEL INJ Fuses
ELEC IGN, EMIS/AWD, ENG SNSR/EVAP, ETC, FRT BLWR HI, and FUEL INJ Fuses
Data Link Connector (DLC) Schematics
G301