GM Service Manual Online
For 1990-2009 cars only
Figure 1:

Front Blower Control, Ground, and Power


Object Number: 1486292  Size: FS
Master Electrical Component List
Air Delivery Description and Operation
Control Module References
Air Delivery and Temperature Control
CAN VENT, CLSTR/HVAC, INT/LAMP, ONSTAR, and RADIO AMP Fuses
Control, I/P and Passenger Door Lamps
DLC Schematics
B+ Bus
G102, G113 and G115
G102, G113 and G115
ABS, AIRBAG, CRUISE/SWTCH, HVAC/RPA/CRUISE, PCM IGN, and TRANS SOLS Fuses
Auxiliary Blower Controls - C69
G200 1 of 2
G200 2 of 2
G200 1 of 2
G200 1 of 2
Figure 2:

Air Delivery and Temperature Control


Object Number: 1486297  Size: FS
Master Electrical Component List
Air Delivery Description and Operation
Control Module References
A/C Compressor Controls
Front Blower Control, Ground, and Power
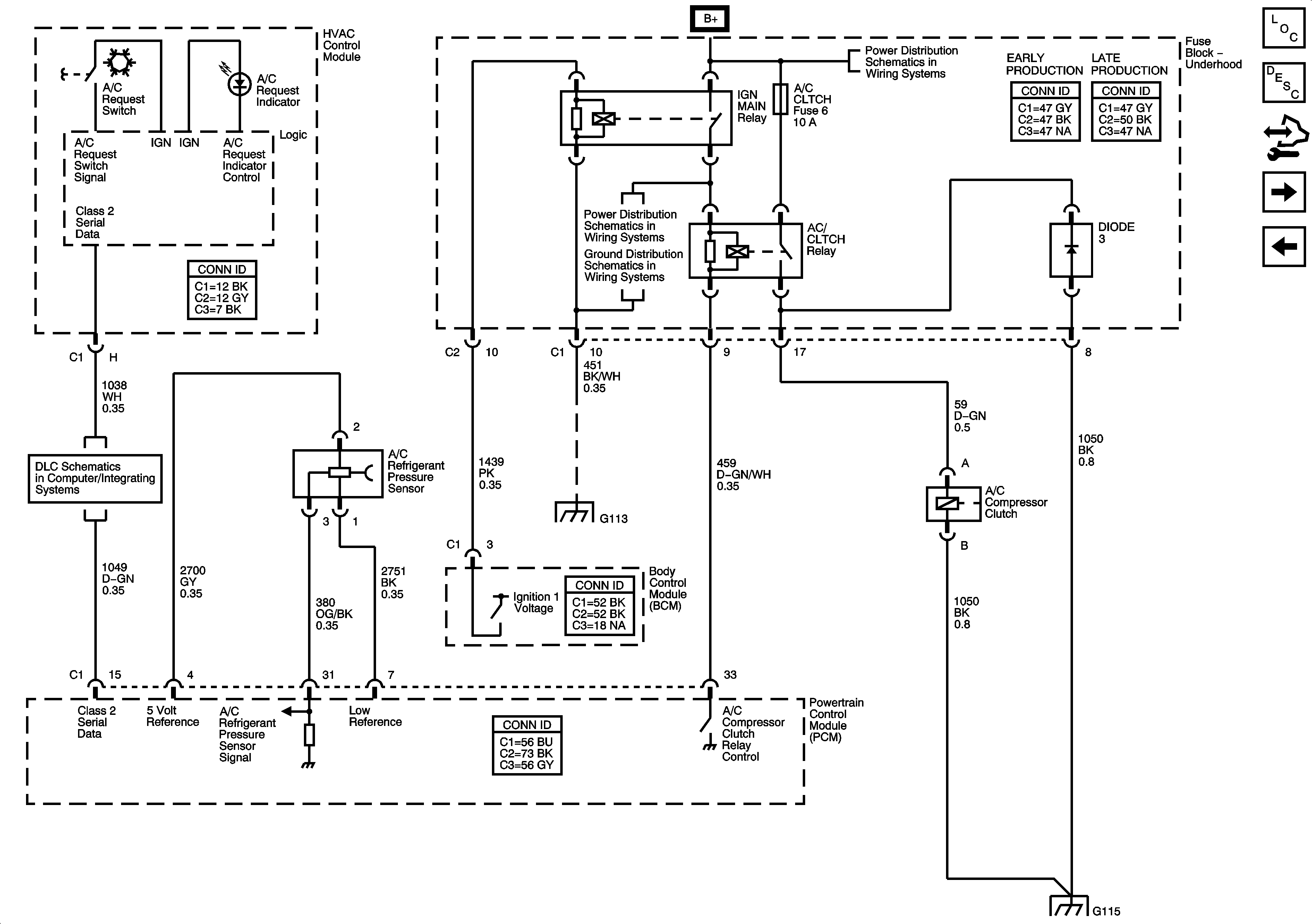
Figure 3:

A/C Compressor Controls


Object Number: 1486293  Size: FS
Master Electrical Component List
Air Temperature Description and Operation
Control Module References
Auxiliary Blower Controls - C69
Air Delivery and Temperature Control
B+ Bus
ABS, AIRBAG, CRUISE/SWTCH, HVAC/RPA/CRUISE, PCM IGN, and TRANS SOLS Fuses
G102, G113 and G115
DLC Schematics
G102, G113 and G115
G102, G113 and G115
Figure 4:

Auxiliary Blower Controls - C69


Object Number: 1486295  Size: FS
Master Electrical Component List
Air Delivery Description and Operation
Control Module References
A/C Compressor Controls
Front Blower Control, Ground, and Power
DLC Schematics
G401