GM Service Manual Online
For 1990-2009 cars only
Makes
🢒
Chevrolet
🢒
2005
🢒
Uplander - 4WD
🢒
Body
🢒
Wiring Systems
🢒 Wiper/Washer Schematics
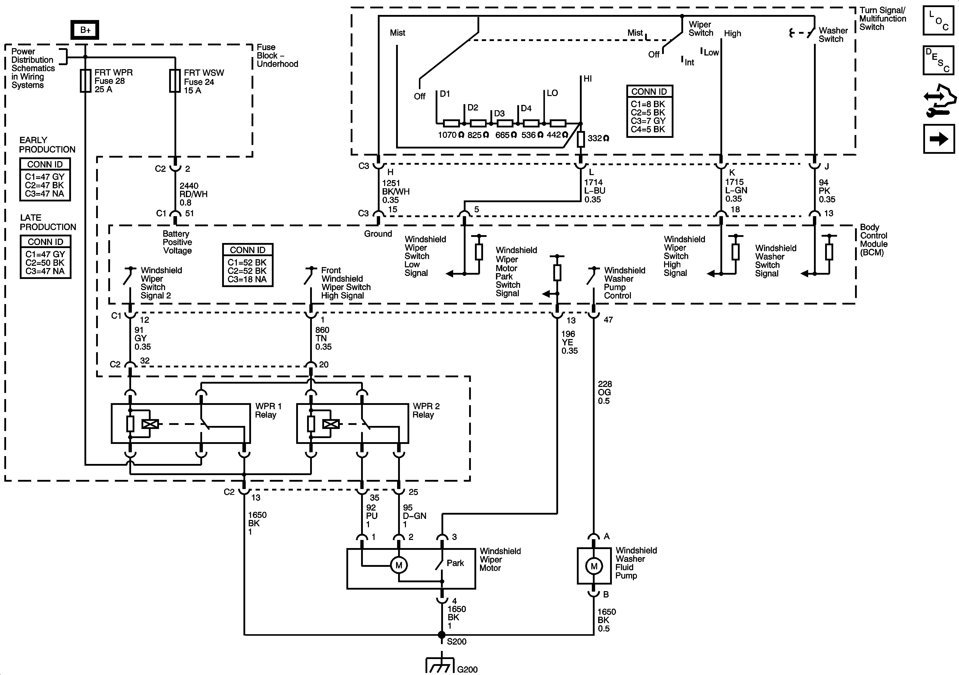
Figure
1:
Front
Master Electrical Component List
Wiper/Washer System Description and Operation
Control Module References
Rear
B+ Bus
G200 1 of 2
Figure
2:
Rear
Master Electrical Component List
Rear Wiper/Washer System Description and Operation
Control Module References
Front
ELC, RR WPR, and STRG WHL ILLUM Fuses PWR WNDW Circuit Breaker
ELC, RR WPR, and STRG WHL ILLUM Fuses PWR WNDW Circuit Breaker
ELC, RR WPR, and STRG WHL ILLUM Fuses PWR WNDW Circuit Breaker
G401
G400
G200 2 of 2