GM Service Manual Online
For 1990-2009 cars only
Makes
🢒
Chevrolet
🢒
2005
🢒
Uplander - 4WD
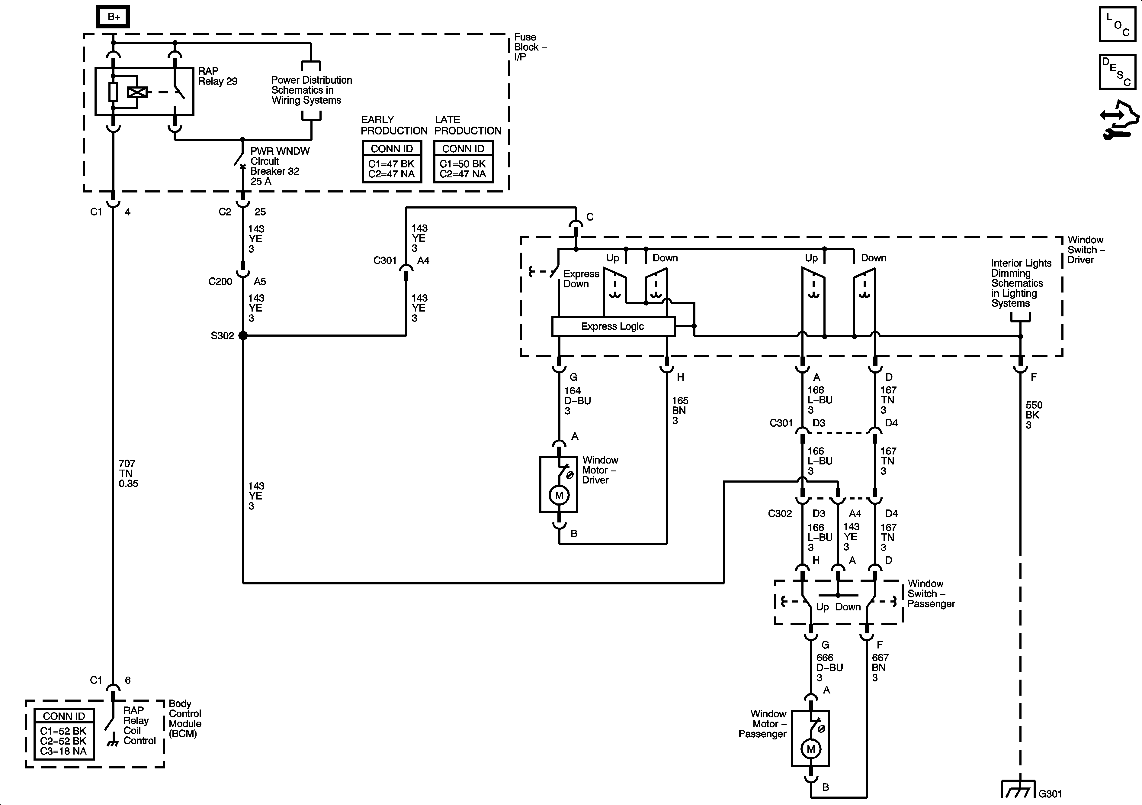
🢒 Power Windows Schematics
Power Windows Schematics
Master Electrical Component List
Power Windows Description and Operation
Control Module References
ELC, RR WPR, and STRG WHL ILLUM Fuses PWR WNDW Circuit Breaker
G301