GM Service Manual Online
For 1990-2009 cars only
Makes
🢒
Chevrolet
🢒
2005
🢒
Uplander - 4WD
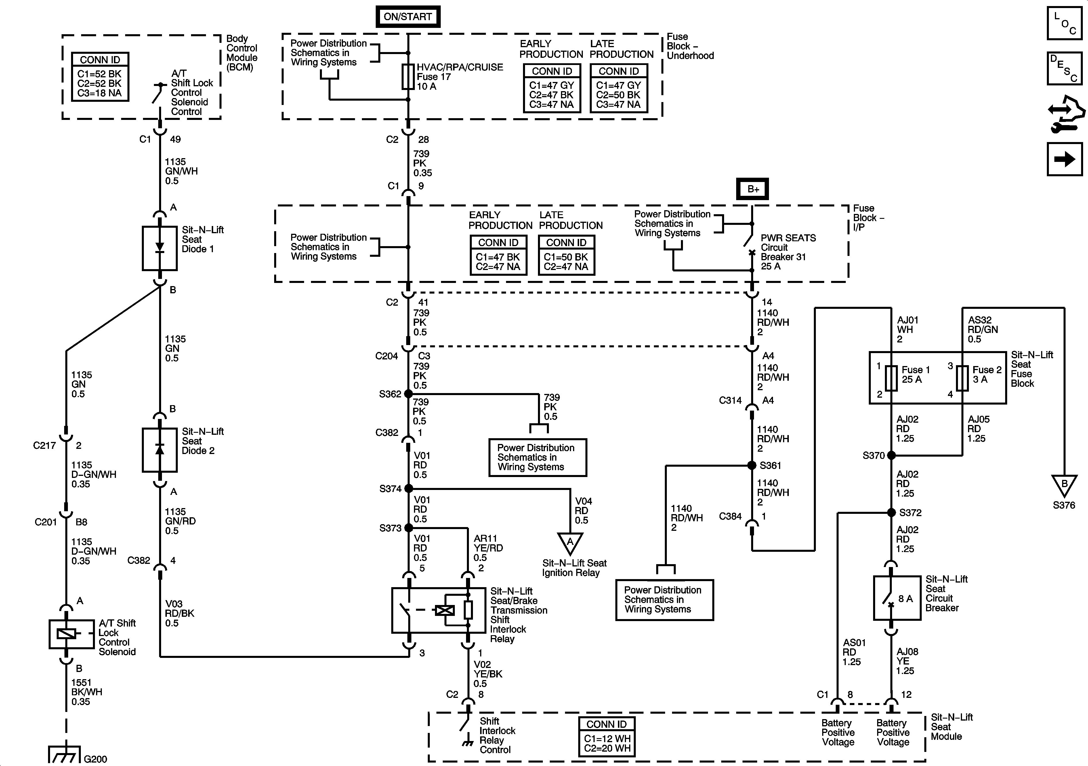
🢒 Sit-N-Lift Seat Power and A/T Shift Interlock
Sit-N-Lift Seat Power and A/T Shift Interlock
Sit-N-Lift Seat Power and A/T Shift Interlock
Master Electrical Component List
Sit-N-Lift Mobility Seat Description and Operation
Control Module References
Sit-N-Lift Seat Door and PNP Interlocks, and Remote
G200 2 of 2
ABS, AIRBAG, CRUISE/SWTCH, HVAC/RPA/CRUISE, PCM IGN, and TRANS SOLS Fuses
ABS, AIRBAG, CRUISE/SWTCH, HVAC/RPA/CRUISE, PCM IGN, and TRANS SOLS Fuses
ABS, AIRBAG, CRUISE/SWTCH, HVAC/RPA/CRUISE, PCM IGN, and TRANS SOLS Fuses
BATT MAIN 2, HTD/SEATS, LH-PSD, PWR MIR, RH-PSD, and STOP/TRN Fuses, PWR SEATS Circuit Breaker
Sit-N-Lift Seat Door and PNP Interlocks, and Remote
BATT MAIN 2, HTD/SEATS, LH-PSD, PWR MIR, RH-PSD, and STOP/TRN Fuses, PWR SEATS Circuit Breaker
Sit-N-Lift Seat Door and PNP Interlocks, and Remote