GM Service Manual Online
For 1990-2009 cars only

WINDSHIELD WIPER LINK INTERFERENCE WITH TRACTION

NOTE: GM Canada version is located below U.S. version.

********************** U.S. Version

PRODUCT CAMPAIGNS 98014 APRIL, 1998

PRODUCT RECALL CAMPAIGN

PRODUCT SAFETY CAMPAIGN

SUBJECT: 98014 - WINDSHIELD WIPER LINK INTERFERENCE WITH TRACTION CONTROL SYSTEM (TCS) BRAKE LINE

MODELS: 1997-98 CHEVROLET VENTURE, PONTIAC TRANS SPORT AND OLDSMOBILE SILHOUETTE WITH TCS (RPO NW9)

THE HIGHWAY SAFETY ACT, AS AMENDED, PROVIDES THAT EACH VEHICLE WHICH IS SUBJECT TO A RECALL CAMPAIGN OF THIS TYPE MUST BE ADEQUATELY REPAIRED WITHIN A REASONABLE TIME AFTER THE CUSTOMER HAS TENDERED IT FOR REPAIR. A FAILURE TO REPAIR WITHIN SIXTY (60) DAYS AFTER TENDER OF A VEHICLE IS PRIMA FACIE EVIDENCE OF FAILURE TO REPAIR WITHIN A REASONABLE TIME.

IF THE CONDITION IS NOT ADEQUATELY REPAIRED WITHIN A REASONABLE TIME, THE CUSTOMER MAY BE ENTITLED TO AN IDENTICAL OR REASONABLY EQUIVALENT VEHICLE AT NO CHARGE OR TO A REFUND OF THE PURCHASE PRICE LESS A REASONABLE ALLOWANCE FOR DEPRECIATION.

TO AVOID HAVING TO PROVIDE THESE BURDENSOME REMEDIES, EVERY EFFORT MUST BE MADE TO PROMPTLY SCHEDULE AN APPOINTMENT WITH EACH CUSTOMER AND TO REPAIR THEIR VEHICLE AS SOON AS POSSIBLE. AS YOU WILL SEE IN READING THE ATTACHED COPY OF THE DIVISIONAL LETTER THAT IS BEING SENT TO CUSTOMERS, THE CUSTOMERS ARE BEING INSTRUCTED TO CONTACT THE APPROPRIATE CUSTOMER RELATIONS CENTER IF THEIR DEALER DOES NOT REMEDY THE CONDITION WITHIN FIVE (5) DAYS OF THE MUTUALLY AGREED UPON SERVICE DATE. IF THE CONDITION IS NOT REMEDIED WITHIN A REASONABLE TIME, THEY ARE INSTRUCTED ON HOW TO CONTACT THE NATIONAL HIGHWAY TRAFFIC SAFETY ADMINISTRATION.

DEFECT INVOLVED

GENERAL MOTORS HAS DECIDED THAT A DEFECT WHICH RELATES TO MOTOR VEHICLE SAFETY EXISTS IN CERTAIN 1997-98 CHEVROLET VENTURE, PONTIAC TRANS SPORT AND OLDSMOBILE SILHOUETTE MODEL VEHICLES. WHEN THE WINDSHIELD WIPERS ON THESE VEHICLES ARE TURNED ON, THE WINDSHIELD WIPER LINKAGE ARM MAY CONTACT A BRAKE LINE CONNECTED TO THE TRACTION CONTROL SYSTEM (TCS) MODULATOR. THIS CONTACT COULD CAUSE THE WIPER LINKAGE ARM TO RUB THROUGH THE BRAKE LINE RESULTING IN A BRAKE FLUID LEAK, REDUCED BRAKE EFFECTIVENESS AND INCREASED STOPPING DISTANCES. PARTIAL LOSS OF BRAKING AT A TIME WHEN MINIMUM STOPPING DISTANCE IS REQUIRED COULD RESULT IN A VEHICLE CRASH WITHOUT PRIOR WARNING.

TO CORRECT THIS CONDITION, DEALERS ARE TO INSTALL A BRAKE LINE CLIP WHICH ASSURES PROPER CLEARANCE. ADDITIONALLY, VEHICLES WILL BE INSPECTED FOR BRAKE LINE DAMAGE CAUSED BY THIS CONDITION AND ANY DAMAGED BRAKE LINES WILL BE REPLACED.

VEHICLES INVOLVED

INVOLVED ARE CERTAIN 1997-98 CHEVROLET VENTURE, PONTIAC TRANS SPORT AND OLDSMOBILE SILHOUETTE MODEL VEHICLES BUILT WITHIN THE FOLLOWING VIN BREAKPOINTS:

YEAR MODEL PLANT CODE FROM THROUGH 1997 VENTURE DORAVILLE "D" VD100087 VD297306 1997 TRANS SPORT DORAVILLE "D" VD100018 VD297312 1997 SILHOUETTE DORAVILLE "D" VD100165 VD297310 1998 VENTURE DORAVILLE "D" WD100013 WD124472 1998 TRANS SPORT DORAVILLE "D" WD100026 WD124510 1998 SILHOUETTE DORAVILLE "D" WD100012 WD124508

IMPORTANT: DEALERS SHOULD CONFIRM VEHICLE ELIGIBILITY THROUGH VISS (VEHICLE INFORMATION SERVICE SYSTEM) PRIOR TO BEGINNING CAMPAIGN REPAIRS. NOT ALL VEHICLES WITHIN THE ABOVE BREAKPOINTS MAY BE INVOLVED

INVOLVED VEHICLES HAVE BEEN IDENTIFIED BY VEHICLE IDENTIFICATION NUMBER. COMPUTER LISTINGS CONTAINING THE COMPLETE VEHICLE IDENTIFICATION NUMBER, CUSTOMER NAME AND ADDRESS DATA HAVE BEEN PREPARED, AND ARE BEING FURNISHED TO INVOLVED DEALERS WITH THE CAMPAIGN BULLETIN. THE CUSTOMER NAME AND ADDRESS DATA FURNISHED WILL ENABLE DEALERS TO FOLLOW-UP WITH CUSTOMERS INVOLVED IN THIS CAMPAIGN. ANY DEALER NOT RECEIVING A COMPUTER LISTING WITH THE CAMPAIGN BULLETIN HAS NO INVOLVED VEHICLES CURRENTLY ASSIGNED.

THESE DEALER LISTINGS MAY CONTAIN CUSTOMER NAMES AND ADDRESSES OBTAINED FROM STATE MOTOR VEHICLE REGISTRATION RECORDS. THE USE OF SUCH MOTOR VEHICLE REGISTRATION DATA FOR ANY OTHER PURPOSE IS A VIOLATION OF LAW IN SEVERAL STATES. ACCORDINGLY, YOU ARE URGED TO LIMIT THE USE OF THIS LISTING TO THE FOLLOW-UP NECESSARY TO COMPLETE THIS CAMPAIGN.

PARTS INFORMATION

AN INITIAL SUPPLY OF BRAKE LINE CLIPS, EQUIVALENT TO 30% OF INVOLVED VEHICLES, WILL BE PRE-SHIPPED TO INVOLVED DEALERS OF RECORD. THIS PRE-SHIPMENT WILL OCCUR LATE IN THE WEEK OF APRIL 20, 1998. PRE-SHIPPED PARTS WILL BE CHARGED TO DEALER'S OPEN PARTS ACCOUNT.

PARTS REQUIRED TO COMPLETE THIS CAMPAIGN ARE TO BE OBTAINED FROM GENERAL MOTORS SERVICE PARTS OPERATIONS (GMSPO). PLEASE REFER TO YOUR "INVOLVED VEHICLES LISTING" PRIOR TO ORDERING REQUIREMENTS. NORMAL ORDERS SHOULD BE PLACED ON A DRO = DAILY REPLENISHMENT ORDER. AN EMERGENCY REQUIREMENT SHOULD BE ORDERED ON A CSO = CUSTOMER SPECIAL ORDER.

IMPORTANT: IT IS ANTICIPATED THAT APPROXIMATELY LESS THAN 5% OF THE SUSPECT BRAKE LINES WILL REQUIRE REPLACEMENT FOR THIS CONDITION. THEREFORE, PLEASE DO NOT ORDER PARTS FOR SHELF STOCK. ONLY ORDER PARTS WHEN TRULY NEEDED.

PART NUMBER DESCRIPTION QUANTITY/VEHICLE 25550348 BRAKE LINE CLIP 1 10296765 BRAKE LINE (LEFT HAND) AS REQUIRED 10404656 BRAKE LINE (RIGHT HAND) AS REQUIRED

CUSTOMER NOTIFICATION

CUSTOMERS WILL BE NOTIFIED OF THIS CAMPAIGN ON THEIR VEHICLES BY GENERAL MOTORS (SEE COPY OF TYPICAL CUSTOMER LETTER INCLUDED WITH THIS BULLETIN - ACTUAL DIVISIONAL LETTER MAY VARY SLIGHTLY).

COURTESY TRANSPORTATION

WHEN INSPECTION INDICATES THAT A BRAKE LINE REPLACEMENT WILL BE REQUIRED, DEALERS MAY PROVIDE COURTESY TRANSPORTATION IF REQUIRED. THE ASSOCIATED CHARGES SHOULD COMPLY WITH THE GUIDELINES REGARDING LOANER/RENTALS AS STATED IN CORPORATE BULLETIN 68-05-02 RELEASED IN OCTOBER 1996. CHARGES RELATED TO COURTESY TRANSPORTATION SHOULD BE CHARGED TO "NET AMOUNT". SEE THE "CLAIM INFORMATION" SECTION OF THIS BULLETIN FOR FURTHER CLAIM PROCESSING INFORMATION

DEALER CAMPAIGN RESPONSIBILITY

ALL UNSOLD NEW VEHICLES IN DEALERS' POSSESSION AND SUBJECT TO THIS CAMPAIGN MUST BE HELD AND INSPECTED/REPAIRED PER THE SERVICE PROCEDURE OF THIS CAMPAIGN BULLETIN BEFORE CUSTOMERS TAKE POSSESSION OF THESE VEHICLES.

DEALERS ARE TO SERVICE ALL VEHICLES SUBJECT TO THIS CAMPAIGN AT NO CHARGE TO CUSTOMERS, REGARDLESS OF MILEAGE, AGE OF VEHICLE, OR OWNERSHIP, FROM THIS TIME FORWARD.

CUSTOMERS WHO HAVE RECENTLY PURCHASED VEHICLES SOLD FROM YOUR VEHICLE INVENTORY, AND FOR WHICH THERE IS NO CUSTOMER INFORMATION INDICATED ON THE DEALER LISTING, ARE TO BE CONTACTED BY THE DEALER. ARRANGEMENTS ARE TO BE MADE TO MAKE THE REQUIRED CORRECTION ACCORDING TO THE INSTRUCTIONS CONTAINED IN THIS BULLETIN. THIS COULD BE DONE BY MAILING TO SUCH CUSTOMERS A COPY OF THE APPROPRIATE DIVISIONAL CUSTOMER LETTER ACCOMPANYING THIS BULLETIN. CAMPAIGN FOLLOW-UP CARDS SHOULD NOT BE USED FOR THIS PURPOSE, SINCE THE CUSTOMER MAY NOT AS YET HAVE RECEIVED THE NOTIFICATION LETTER.

IN SUMMARY, WHENEVER A VEHICLE SUBJECT TO THIS CAMPAIGN ENTERS YOUR VEHICLE INVENTORY, OR IS IN YOUR DEALERSHIP FOR SERVICE IN THE FUTURE, PLEASE TAKE THE STEPS NECESSARY TO BE SURE THE CAMPAIGN CORRECTION HAS BEEN MADE BEFORE SELLING OR RELEASING THE VEHICLE.

SERVICE PROCEDURE

INSPECTION - ALL VEHICLES

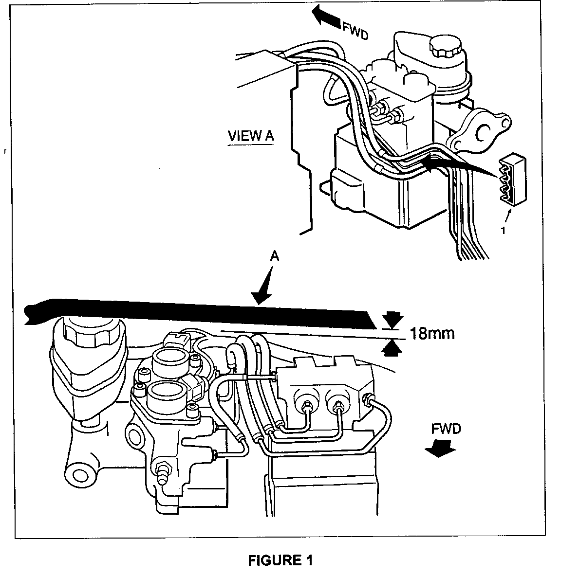
1) RAISE HOOD AND LOCATE TRACTION CONTROL SYSTEM (TCS) MODULATOR IN COWL AREA ON DRIVER SIDE OF ENGINE COMPARTMENT (FIGURE 1, PAGE 5).

2) INSPECT BRAKE LINES LEADING FROM TCS MODULATOR (LINES WITH RED AND GREEN FITTINGS AT MODULATOR) TO FRONT BRAKE CALIPERS FOR POSSIBLE CONTACT AND DAMAGE FROM WINDSHIELD WIPER LINKAGE.

3) BASED ON INSPECTION MADE IN STEP 2, PERFORM ONE OF THE FOLLOWING PROCEDURES:

- PROCEDURE A - NO DAMAGE TO EITHER BRAKE LINE (PAGE 6).

- PROCEDURE B - BRAKE LINE CONNECTING TO DRIVER SIDE (LEFT) FRONT BRAKE CALIPER DAMAGED (PAGES 6-7).

- PROCEDURE C - BRAKE LINE CONNECTING TO PASSENGER SIDE (RIGHT) FRONT BRAKE CALIPER DAMAGED(PAGES 8-9)

IMPORTANT: IF INSPECTION INDICATES DAMAGE TO BOTH BRAKE LINES LEADING FROM THE TCS, PERFORM PROCEDURES B AND C. ONLY ONE BRAKE LINE CLIP WILL BE REQUIRED AND IT SHOULD BE INSTALLED AFTER THE FINAL BRAKE LINE IS REPLACED AS INDICATED IN PROCEDURE B OR C.

FIGURE 1

PROCEDURE A

NO DAMAGE TO EITHER BRAKE LINE

1) OPERATE WIPER SYSTEM AND TURN IGNITION OFF WHEN WIPER BLADES ARE IN A VERTICAL POSITION.

2) DISCONNECT BATTERY GROUND CABLE AFTER RECORDING RADIO STATION PRESETS.

3) DISCONNECT TWO (2) BRAKE SOLENOID ELECTRICAL CONNECTORS ON ABS BRAKE MODULATOR AND BRAKE FLUID LEVEL INDICATOR SENSOR CONNECTOR ON MASTER CYLINDER.

4) REMOVE TWO (2) NUTS ATTACHING BRAKE MASTER CYLINDER AND ABS MODULATOR TO BRAKE BOOSTER. POSITION UNIT AS FAR FORWARD AS POSSIBLE (APPROXIMATELY 3" OR 76MM).

5) POSITION NEW BRAKE LINE CLIP (P/N 25550348) AS SHOWN IN FIGURE 1, VIEW "A" (PAGE 5) AND SNAP LINES INTO CLIP.

6) POSITION BRAKE MASTER CYLINDER AND ABS MODULATOR UNIT ON STUDS OF BRAKE BOOSTER, INSTALL TWO (2) NUTS AND TORQUE TO 27 NM (20 LB. FT.).

7) CONNECT TWO (2) BRAKE SOLENOID CONNECTORS AND FLUID LEVEL SENSOR ELECTRICAL CONNECTOR.

8) CONNECT BATTERY GROUND CABLE (RESET RADIO PRESETS), TURN IGNITION ON, TURN WIPER SWITCH OFF AND AFTER WIPERS HAVE RETURNED TO THEIR PARKED POSITION, TURN IGNITION OFF.

9) INSURE THERE IS 18 MM (0.70 INCH) CLEARANCE BETWEEN WIPER LINKAGE AND THE TWO BRAKE LINES IDENTIFIED BY RED AND GREEN FITTINGS LEADING FROM TCS MODULATOR AS SHOWN IN FIGURE 1, PAGE 5.

10) INSTALL GM CAMPAIGN IDENTIFICATION LABEL.

PROCEDURE B

BRAKE LINE CONNECTING TO DRIVER SIDE (LEFT) FRONT BRAKE CALIPER DAMAGED (RED FITTING AT TCS MODULATOR)

1) OPERATE WIPER SYSTEM AND TURN IGNITION OFF WHEN WIPER BLADES ARE IN A VERTICAL POSITION. DISCONNECT BATTERY GROUND CABLE (RECORD RADIO STATION PRESETS).

2) DISCONNECT TWO (2) BRAKE SOLENOID ELECTRICAL CONNECTORS ON ABS BRAKE MODULATOR AND BRAKE FLUID LEVEL INDICATOR SENSOR CONNECTOR ON MASTER CYLINDER.

3) REMOVE TWO (2) NUTS ATTACHING BRAKE MASTER CYLINDER AND ABS MODULATOR TO BRAKE BOOSTER. POSITION UNIT AS FAR FORWARD AS POSSIBLE (APPROXIMATELY 3" OR 76MM).

BRAKE LINE CONNECTING TO DRIVER SIDE (LEFT) FRONT BRAKE CALIPER DAMAGED (RED FITTING AT TCS MODULATOR)

4) DISCONNECT RED BRAKE LINE FITTING AT TCS MODULATOR.

5) RAISE VEHICLE AND SUPPORT.

6) DISCONNECT BRAKE LINE FROM BRAKE HOSE AT BRACKET AND REMOVE LINE FROM BRAKE LINE CLIP (LOWEST LINE IN CLIP).

7) REMOVE BRAKE LINE FROM VEHICLE THROUGH LEFT FRONT WHEEL WELL OPENING NOTING CORRECT ROUTING AND DISCARD REMOVED BRAKE LINE ASSEMBLY.

8) INSTALL NEW BRAKE LINE (P/N 10296765) THROUGH LEFT FRONT WHEEL WELL OPENING AND SECURE IN BRAKE LINE CLIP INSURING ROUTING IS CORRECT.

9) CONNECT BRAKE LINE TO BRAKE HOSE AT BRACKET AND TORQUE FITTING TO 21 NM (15 LB. FT.).

NOTICE: USE BACKUP WRENCH ON HOSE FITTINGS BEING CAREFUL NOT TO BEND BRAKE LINE.

10) LOWER VEHICLE.

11) CONNECT BRAKE LINE FITTING TO TCS MODULATOR AND TORQUE FITTING TO 24 NM (18 LB. FT.).

12) POSITION NEW BRAKE LINE CLIP, P/N 25550348, AS SHOWN IN FIGURE 1, VIEW "A" (PAGE 5) AND SNAP BRAKE LINES INTO CLIP.

13) POSITION BRAKE MASTER CYLINDER AND ABS MODULATOR UNIT ON STUDS OF BRAKE BOOSTER, INSTALL TWO (2) NUTS AND TORQUE TO 27 NM (20 LB. FT.).

14) CONNECT TWO (2) BRAKE SOLENOID CONNECTORS AND FLUID LEVEL SENSOR ELECTRICAL CONNECTOR.

15) CONNECT BATTERY GROUND CABLE, TURN IGNITION ON, TURN WIPER SWITCH OFF AND AFTER WIPERS HAVE RETURNED TO THEIR PARKED POSITION, TURN IGNITION OFF.

16) INSURE THERE IS 18 MM (0.70 INCH) CLEARANCE BETWEEN WIPER LINKAGE AND THE TWO BRAKE LINES IDENTIFIED BY RED AND GREEN FITTINGS LEADING FROM TCS MODULATOR AS SHOWN IN FIGURE 1, PAGE 5.

17) BLEED BRAKE SYSTEM FOLLOWING APPLICABLE PROCEDURE IN SERVICE MANUAL, SECTION 5, "BRAKES".

18) INSTALL GM CAMPAIGN IDENTIFICATION LABEL.

PROCEDURE C

BRAKE LINE CONNECTING TO PASSENGER SIDE (RIGHT) FRONT BRAKE CALIPER DAMAGED (GREEN FITTING AT TCS MODULATOR)

1) OPERATE WIPER SYSTEM AND TURN IGNITION OFF WHEN WIPER BLADES ARE IN A VERTICAL POSITION. DISCONNECT BATTERY GROUND CABLE.

2) DISCONNECT TWO (2) BRAKE SOLENOID ELECTRICAL CONNECTORS ON ABS BRAKE MODULATOR AND BRAKE FLUID LEVEL INDICATOR SENSOR CONNECTOR ON MASTER CYLINDER.

3) REMOVE TWO (2) NUTS ATTACHING BRAKE MASTER CYLINDER AND ABS MODULATOR TO BRAKE BOOSTER. POSITION UNIT AS FAR FORWARD AS POSSIBLE (APPROXIMATELY 3" OR 76MM).

4) DISCONNECT GREEN BRAKE LINE FITTING AT TCS MODULATOR.

5) RAISE VEHICLE, SUPPORT AND REMOVE LEFT FRONT WHEEL AND TIRE ASSEMBLY.

6) DISCONNECT OXYGEN SENSOR ELECTRICAL CONNECTOR.

7) DISCONNECT CATALYTIC CONVERTER AT ENGINE MANIFOLD AND AT INTERMEDIATE EXHAUST PIPE. DISCONNECT ASSEMBLY FROM HANGER AND REMOVE FROM VEHICLE.

8) REMOVE NUT SECURING REAR HEATER LINE CLIP IN THE KICK-UP AREA OF THE COWL AND POSITION LINES UPWARD TO PROVIDE CLEARANCE FOR REMOVAL OF BRAKE LINE.

9) DISCONNECT BRAKE LINE FROM BRAKE HOSE AT BRACKET IN RIGHT FRONT WHEEL WELL AREA, REMOVE BRAKE LINE FROM BRAKE LINE BUNDLE CLIP (UPPER MOST LINE IN CLIP) AND TWO (2) COWL BRAKE LINE CLIPS.

10) REMOVE BRAKE LINE FROM VEHICLE THROUGH OPENING BETWEEN FRAME AND KICK-UP AREA OF THE COWL. NOTE CORRECT ROUTING DURING REMOVAL AND DISCARD REMOVED LINE ASSEMBLY.

11) INSTALL NEW BRAKE LINE (P/N 10404656) THROUGH OPENING BETWEEN FRAME AND KICK-UP AREA OF COWL. SECURE BRAKE LINE IN BUNDLE CLIP AND TWO (2) COWL BRAKE LINE CLIPS INSURING ROUTING IS CORRECT.

12) CONNECT BRAKE LINE TO BRAKE HOSE AT BRACKET AND TORQUE FITTING TO 21 NM (15 LB. FT.).

NOTICE: USE BACKUP WRENCH ON HOSE FITTING BEING CAREFUL NOT TO BEND BRAKE LINE.

13) INSTALL WHEEL AND TIRE ASSEMBLY. INSTALL WHEEL NUTS AND TORQUE TO 140 NM (100 LB. FT.).

BRAKE LINE CONNECTING TO PASSENGER SIDE (RIGHT) FRONT BRAKE CALIPER DAMAGED (GREEN FITTING AT TCS MODULATOR)

14) POSITION REAR HEATER LINE CLIP ONTO STUD IN COWL KICK-UP AREA AND SECURE WITH NUT TORQUED TO 33 NM (29 LB. IN.).

15) INSTALL CATALYTIC CONVERTER ASSEMBLY, CONNECT EXHAUST HANGER AND OXYGEN SENSOR ELECTRICAL CONNECTOR.

16) CONNECT CATALYTIC CONVERTER AT ENGINE MANIFOLD AND AT INTERMEDIATE EXHAUST PIPE, AND TORQUE APPLICABLE FASTENERS TO 32 NM (24 LB. FT.) AND 47 NM (35 LB. FT.) RESPECTIVELY.

17) LOWER VEHICLE.

18) CONNECT BRAKE LINE FITTING TO TCS MODULATOR AND TORQUE FITTING TO 24 NM (18 LB. FT.)

19) POSITION NEW BRAKE LINE CLIP, P/N 25550348, AS SHOWN IN FIGURE 1, VIEW "A" (PAGE 5) AND SNAP BRAKE LINES INTO CLIP.

20) POSITION BRAKE MASTER CYLINDER AND ABS MODULATOR UNIT ON STUDS OF BRAKE BOOSTER, INSTALL TWO (2) NUTS AND TORQUE TO 27 NM (20 LB. FT.).

21) CONNECT TWO (2) BRAKE SOLENOID AND THE FLUID LEVEL SENSOR ELECTRICAL CONNECTORS.

22) CONNECT BATTERY GROUND CABLE, TURN IGNITION ON, TURN WIPER SWITCH OFF AND AFTER WIPERS HAVE RETURNED TO THEIR PARKED POSITION , TURN IGNITION OFF.

23) INSURE THEIR IS 18 MM (0.70 INCH) CLEARANCE BETWEEN WIPER LINKAGE AND TWO BRAKE LINES IDENTIFIED BY RED AND GREEN FITTINGS LEADING FROM TCS MODULATOR AS SHOWN IN FIGURE 1, PAGE 5.

24) BLEED BRAKE SYSTEM FOLLOWING APPLICABLE PROCEDURE IN SERVICE MANUAL, SECTION 5, "BRAKES".

25) INSTALL GM CAMPAIGN IDENTIFICATION LABEL.

CAMPAIGN IDENTIFICATION LABEL

EACH VEHICLE CORRECTED IN ACCORDANCE WITH THE INSTRUCTIONS OUTLINED IN THIS PRODUCT CAMPAIGN BULLETIN WILL REQUIRE A "CAMPAIGN IDENTIFICATION LABEL". EACH LABEL PROVIDES A SPACE TO INCLUDE THE CAMPAIGN NUMBER AND THE FIVE (5) DIGIT DEALER CODE OF THE DEALER PERFORMING THE CAMPAIGN SERVICE. THIS INFORMATION MAY BE INSERTED WITH A TYPEWRITER OR A BALL POINT PEN.

EACH "CAMPAIGN IDENTIFICATION LABEL" IS TO BE LOCATED ON THE RADIATOR CORE SUPPORT IN AN AREA WHICH WILL BE VISIBLE WHEN THE VEHICLE IS BROUGHT IN BY THE CUSTOMER FOR PERIODIC SERVICING. WHEN INSTALLING THE CAMPAIGN IDENTIFICATION LABEL, BE SURE TO PULL THE TAB TO ALLOW ADHESION OF THE CLEAR PROTECTIVE COVERING. ADDITIONAL CAMPAIGN IDENTIFICATION LABELS CAN BE OBTAINED FROM VISPAC INCORPORATED BY CALLING 1-800-269-5100 (MONDAY-FRIDAY, 8:00 A.M. TO 4:30 P.M. EST). ASK FOR ITEM NUMBER S-1015 WHEN ORDERING.

APPLY THE "CAMPAIGN IDENTIFICATION LABEL" ONLY ON A CLEAN, DRY SURFACE.

CLAIM INFORMATION

SUBMIT A PRODUCT CAMPAIGN CLAIM WITH THE INFORMATION INDICATED BELOW:

PART FAILED PARTS LABOR LABOR NET REPAIR PERFORMED COUNT PART NO. ALLOW CC-FC OP * HOURS ITEM INSPECT - NO BRAKE LINE DAMAGE - INSTALL CLIP 1 25550348 ** MA-96 V0151 0.3 - -

INSPECT-INSTALL CLIP AND REPLACE ** MA-96 V0152 ***

LH BRAKE LINE 2 10296765 0.8 RH BRAKE LINE 2 10404656 1.2

INSPECT - REPLACE BOTH BRAKE LINES AND INSTALL CLIP 3 10404656 ** MA-96 V0149 1.5 ***

* FOR CAMPAIGN ADMINISTRATIVE ALLOWANCE, ADD 0.1 HOURS TO THE "LABOR HOURS".

** THE "PARTS ALLOWANCE" SHOULD BE THE SUM TOTAL OF THE CURRENT GMSPO DEALER NET PRICE PLUS 40% FOR PARTS REQUIRED TO COMPLETE THE REPAIR.

*** THE AMOUNT IDENTIFIED IN THE "NET ITEM" COLUMN SHOULD REPRESENT THE SUM TOTAL OF THE CURRENT GMSPO DEALER NET PRICE PLUS 40% FOR THE AMOUNT OF BRAKE FLUID NEEDED TO PERFORM THE REQUIRED REPAIRS. IN ADDITION, THE AMOUNT IDENTIFIED IN THE "NET ITEM" COLUMN SHOULD INCLUDE THE COST ASSOCIATED WITH PROVIDING COURTESY TRANSPORTATION AS STATED IN CORPORATE BULLETIN 68-05-02 RELEASED IN OCTOBER 1996.

REFER TO THE GENERAL MOTORS CORPORATION CLAIMS PROCESSING MANUAL FOR DETAILS ON PRODUCT CAMPAIGN CLAIM SUBMISSION.

FIGURES: 1


Object Number: 336560  Size: FS

GM BULLETINS ARE INTENDED FOR USE BY PROFESSIONAL TECHNICIANS, NOT A "DO-IT-YOURSELFER". THEY ARE WRITTEN TO INFORM THESE TECHNICIANS OF CONDITIONS THAT MAY OCCUR ON SOME VEHICLES, OR TO PROVIDE INFORMATION THAT COULD ASSIST IN THE PROPER SERVICE OF A VEHICLE. PROPERLY TRAINED TECHNICIANS HAVE THE TOOLS, EQUIPMENT, SAFETY INSTRUCTIONS, AND KNOW-HOW TO DO A JOB PROPERLY AND SAFELY. IF A CONDITION IS DESCRIBED, DO NOT ASSUME THAT THE BULLETIN APPLIES TO YOUR VEHICLE, OR THAT YOUR VEHICLE WILL HAVE THAT CONDITION. SEE YOUR DEALER/RETAILER FOR INFORMATION ON WHETHER YOUR VEHICLE MAY BENEFIT FROM THE INFORMATION.

WE SUPPORT VOLUNTARY TECHNICIAN CERTIFICATION

98014-S APRIL, 1998

DEAR CHEVROLET VENTURE, PONTIAC TRANS SPORT OR OLDSMOBILE SILHOUETTE CUSTOMER:

THIS NOTICE IS SENT TO YOU IN ACCORDANCE WITH THE REQUIREMENTS OF THE NATIONAL TRAFFIC AND MOTOR VEHICLE SAFETY ACT.

REASON FOR THIS RECALL: GENERAL MOTORS HAS DECIDED THAT A DEFECT WHICH RELATES TO MOTOR VEHICLE SAFETY EXISTS IN CERTAIN 1997-98 CHEVROLET VENTURE, PONTIAC TRANS SPORT AND OLDSMOBILE SILHOUETTE MODEL VEHICLES. WHEN THE WINDSHIELD WIPERS ON THESE VEHICLES ARE TURNED ON, THE WINDSHIELD WIPER LINKAGE ARM MAY CONTACT A BRAKE LINE CONNECTED TO THE TRACTION CONTROL SYSTEM (TCS) MODULATOR. THIS CONTACT COULD CAUSE THE WIPER LINKAGE ARM TO RUB THROUGH THE BRAKE LINE, RESULTING IN A BRAKE FLUID LEAK, REDUCED BRAKE EFFECTIVENESS AND INCREASED STOPPING DISTANCES. PARTIAL LOSS OF BRAKING AT A TIME WHEN MINIMUM STOPPING DISTANCE IS REQUIRED COULD RESULT IN A VEHICLE CRASH WITHOUT PRIOR WARNING.

WHAT WILL BE DONE: TO CORRECT THIS CONDITION, YOUR DEALER WILL INSTALL A BRAKE LINE CLIP WHICH ASSURES PROPER CLEARANCE. ADDITIONALLY, YOUR VEHICLE WILL BE INSPECTED FOR BRAKE LINE DAMAGE CAUSED BY THIS CONDITION AND ANY DAMAGED BRAKE LINES WILL BE REPLACED. THIS SERVICE WILL BE PERFORMED FOR YOU AT NO CHARGE.

HOW LONG WILL THE REPAIR TAKE? THE LENGTH OF TIME REQUIRED TO PERFORM THIS SERVICE INSPECTION/CORRECTION IS APPROXIMATELY 15 TO 90 MINUTES DEPENDING ON WHETHER BRAKE LINE REPLACEMENT IS REQUIRED. ADDITIONAL TIME MAY BE REQUIRED TO SCHEDULE AND PROCESS YOUR VEHICLE. IF YOUR DEALER HAS A LARGE NUMBER OF VEHICLES AWAITING SERVICE, THIS ADDITIONAL TIME MAY BE SIGNIFICANT. PLEASE ASK YOUR DEALER IF YOU WISH TO KNOW HOW MUCH ADDITIONAL TIME WILL BE NEEDED.

CONTACTING YOUR DEALER: PLEASE CONTACT YOUR DEALER AS SOON AS POSSIBLE TO ARRANGE A SERVICE DATE AND SO PARTS CAN BE ORDERED. INSTRUCTIONS FOR MAKING THIS CORRECTION HAVE BEEN SENT TO YOUR DEALER.

YOUR DEALER IS BEST EQUIPPED TO OBTAIN PARTS AND PROVIDE SERVICES TO CORRECT YOUR VEHICLE AS PROMPTLY AS POSSIBLE. SHOULD YOUR DEALER BE UNABLE TO SCHEDULE A SERVICE DATE WITHIN A REASONABLE TIME, YOU SHOULD CONTACT THE APPROPRIATE CUSTOMER ASSISTANCE CENTER LISTED BELOW.

DIVISION

NUMBER DEAF, HEARING IMPAIRED OR SPEECH IMPAIRED *

CHEVROLET 1-800-222-1020 1-800-833-2438

PONTIAC 1-800-762-2737 1-800-833-7668

OLDSMOBILE 1-800-442-6537 1-800-833-6537

* UTILIZES TELECOMMUNICATION DEVICES FOR THE DEAF/TEXT TELEPHONES (TDD/TTY)

IF, AFTER CONTACTING THE CUSTOMER ASSISTANCE CENTER, YOU ARE STILL NOT SATISFIED THAT WE HAVE DONE OUR BEST TO REMEDY THIS CONDITION WITHOUT CHARGE AND WITHIN A REASONABLE TIME, YOU MAY WISH TO WRITE THE ADMINISTRATOR, NATIONAL HIGHWAY TRAFFIC SAFETY ADMINISTRATION, 400 SEVENTH STREET, S.W. WASHINGTON, D.C. 20590 OR CALL 1-800-424-9393 (WASHINGTON D.C. RESIDENTS USE 202-366-0123).

CUSTOMER REPLY CARD: THE ENCLOSED CUSTOMER REPLY CARD IDENTIFIES YOUR VEHICLE. PRESENTATION OF THIS CARD TO YOUR DEALER WILL ASSIST IN MAKING THE NECESSARY CORRECTION IN THE SHORTEST POSSIBLE TIME. IF YOU NO LONGER OWN THIS VEHICLE, PLEASE LET US KNOW BY COMPLETING THE POSTAGE PAID REPLY CARD AND RETURNING IT TO US.

COURTESY TRANSPORTATION: IF REQUIRED YOUR DEALER WILL PROVIDE YOU WITH SHUTTLE SERVICE OR SOME OTHER FORM OF COURTESY TRANSPORTATION WHILE YOUR VEHICLE IS AT THE DEALERSHIP FOR THIS REPAIR. PLEASE REFER TO YOUR OWNER'S MANUAL AND YOUR DEALER FOR DETAILS ON COURTESY TRANSPORTATION.

WE ARE SORRY TO CAUSE YOU THIS INCONVENIENCE; HOWEVER, WE HAVE TAKEN THIS ACTION IN THE INTEREST OF YOUR SAFETY AND CONTINUED SATISFACTION WITH OUR PRODUCTS.

CHEVROLET, PONTIAC-GMC OR OLDSMOBILE MOTOR DIVISION GENERAL MOTORS CORPORATION

ENCLOSURE

COPYRIGHT 1998 GENERAL MOTORS CORPORATION. ALL RIGHTS RESERVED.

************************************************************************** ********************** GM Canada Version ******************************* **************************************************************************

PRODUCT SAFETY CAMPAIGN

SUBJECT: CAMPAIGN 98014 - WINDSHIELD WIPER LINK INTERFERENCE WITH TRACTION CONTROL SYSTEM (TCS) BRAKE LINE

MODELS: 1997-98 CHEVROLET VENTURE, PONTIAC TRANS SPORT AND OLDSMOBILE SILHOUETTE WITH TCS (RPO NW9)

DEFECT INVOLVED

General Motors of Canada Limited has decided that a defect which relates to motor vehicle safety exists in certain 1997-98 Chevrolet Venture, Pontiac Trans Sport and Oldsmobile Silhouette model vehicles. When the windshield wipers on these vehicles are turned on, the windshield wiper linkage arm may contact a brake line connected to the traction control system (TCS) modulator. This contact could cause the wiper linkage arm to rub through the brake line resulting in a brake fluid leak, reduced brake effectiveness and increased stopping distances. Partial loss of braking at a time when minimum stopping distance is required could result in a vehicle crash without prior warning.

To correct this condition, dealers are to install a brake line clip which assures proper clearance. Additionally, vehicles will be inspected for brake line damage caused by this condition and any damaged brake lines will be replaced.

VEHICLES INVOLVED

Involved are certain 1997-98 Chevrolet Venture, Pontiac Trans Sport and Oldsmobile Silhouette model vehicles built within the following VIN breakpoints:

YEAR DIVISION MODEL PLANT PLANT CODE FROM THROUGH

1997 Chevrolet Venture Doraville "D" VD100087 VD297306 1997 Pontiac Trans Sport Doraville "D" VD100018 VD297312 1997 Oldsmobile Silhouette Doraville "D" VD100165 VD297310 1998 Chevrolet Venture Doraville "D" WD100013 WD124472 1998 Pontiac Trans Sport Doraville "D" WD100026 WD124510 1998 Oldsmobile Silhouette Doraville "D" WD100012 WD124508

NOTE: PLEASE CHECK DCS SCREEN 445 OR YOUR V.I.N. LISTING BEFORE PERFORMING CAMPAIGN TO ENSURE THAT THE VEHICLE IS AFFECTED. ONLY AFFECTED VIN'S WILL BE PAID.

Involved vehicles have been identified by Vehicle Identification Number. Computer listings containing the complete Vehicle Identification Number, customer name and address data have been prepared,and are being furnished to involved dealers with the campaign bulletin. The customer name and address data furnished will enable dealers to follow-up with customers involved in this campaign. Any dealer not receiving a computer listing with the campaign bulletin has no involved vehicles currently assigned.

These dealer listings may contain customer names and addresses obtained from the Inter-Provincial Records. The use of such motor vehicle registration data for any other purpose is a violation of provincial laws. Accordingly, you are urged to limit the use of this listing to the follow-up necessary to complete this campaign.

PARTS INFORMATION

Notice: An initial supply of brake line clips will be pre-shipped to involved dealers of record. This pre-shipment will occur the week of April 20, 1998. Parts received for a recently transferred vehicle should be forwarded by the original dealer (with a phone call) to the dealer that received the transferred vehicle. Pre-shipped parts will be charged to dealer's open parts account.

Additional parts, if required, are to be obtained from General Motors Service Parts Operations (GMSPO). Please refer to your "involved vehicles listing" prior to ordering requirements.

Important: It is anticipated that approximately less than 5% of the suspect brake lines will require replacement for this condition. Therefore, please do not order parts for shelf stock. Only order parts when truly needed.

Part Number Description Quantity/Vehicle

25550348 Brake Line Clip 1 10296765 Brake Line (Left Hand) As Required 10404656 Brake Line (Right Hand) As Required

CUSTOMER NOTIFICATION

All customers of record at the time of campaign release are shown on the attached computer listing and have been notified by first class mail from General Motors (see copy of customer letter included with this bulletin).

COURTESY TRANSPORTATION

The availability of courtesy transportation to customers whose vehicles are involved in this campaign is of the utmost importance in maintaining customer satisfaction. Dealers are to take the steps necessary to ensure that these customers clearly understand that courtesy transportation is available and will be provided upon request at no charge. Dealers should submit such claims in the normal manner and appropriate credit will be issued. See the "Claim Information" section of this bulletin for further claim processing information.

DEALER CAMPAIGN RESPONSIBILITY

All unsold new vehicles in dealer's possession and subject to this campaign must be held and inspected/repaired per the service procedure of this carnpaign bulletin before customers take possession of these vehicles.

Dealers are to service all vehicles subject to this campaign at no charge to customers, regardless of mileage, age of vehicle, or ownership, from this time forward.

Customers who have recently purchased vehicles sold from your vehicle inventory, and for which there is no customer information indicated on the dealer listing, are to be contacted by the dealer. Arrangements are to be made to make the required correction according to the instructions contained in this bulletin. This could be done by mailing to such customers a copy of the appropriate customer letter accompanying this bulletin.

In summary, whenever a vehicle subject to this campaign enters your vehicle inventory, or is in your dealership for service in the future, you must take the steps necessary to be sure the campaign correction has been made before selling or releasing the vehicle.

SERVICE PROCEDURE

Inspection - All Vehicles

1. Raise hood and locate Traction Control System (TCS) Modulator in cowl area on driver side of engine compartment (Figure 1, page 4).

2. Inspect brake lines leading from TCS Modulator (lines with red & green fittings at modulator) to front brake calipers for possible contact and damage from windshield wiper linkage.

3. Based on inspection made in step 2, perform one of the following procedures:

- Procedure A - No Damage To Either Brake Line (Page 5).

- Procedure B - Brake Line Connecting To Driver Side (Left) Front Brake Caliper Damaged (Pages 5-6).

- Procedure C - Brake Line Connecting To Passenger Side (Right) Front Brake Caliper Damaged (pages 6-7)

Important: If inspection indicates damage to both brake lines leading from the TCS, perform procedures B and C. Only one brake line clip will be required and it should be installed after the final brake line is replaced as indicated in procedure B or C.

PROCEDURE A

No Damage To Either Brake Line

1. Operate wiper system and tum ignition off when wiper blades are in a vertical position.

2. Disconnect battery ground cable after recording radio station presets.

3. Disconnect two (2) brake solenoid electrical connectors on ABS brake modulator and brake fluid level indicator sensor connector on master cylinder.

4. Remove two (2) nuts attaching brake master cylinder and ABS modulator to brake booster. Position unit as far forward as possible (approximately 76mm or 3").

5. Position new brake line clip (P/N 25550348) as shown in Figure 1, View "A" (Page 4) and snap lines into clip.

6. Position brake master cylinder and ABS modulator unit on studs of brake booster, install two (2) nuts and torque to 27 N-m (20 lb. ft.).

7. Connect two (2) brake solenoid connectors and fluid level sensor electrical connector.

8. Connect battery ground cable (reset radio presets), turn ignition on, turn wiper switch off and after wipers have returned to their parked position, turn ignition off.

9. Ensure there is 18mm (0.70 inch) clearance between wiper linkage and the two brake lines identified by red and green fittings leading from TCS modulator as shown in Figure 1, page 4.

10. Install Campaign Identification Label.

PROCEDURE B

Brake Line Connecting To Driver Side (Left) Front Brake Caliper Damaged (Red Fitting At TCS Modulator)

1. Operate wiper system and turn ignition off when wiper blades are in a vertical position. Disconnect battery ground cable (record radio station presets).

2. Disconnect two (2) brake solenoid electrical connectors on ABS brake modulator and brake fluid level indicator sensor connector on master cylinder.

3. Remove two (2) nuts attaching brake master cylinder and ABS modulator to brake booster. Position unit as far forward as possible (approximately 76mm or 3").

4. Disconnect red brake line fitting at TCS modulator.

5. Raise vehicle and support.

6. Disconnect brake line from brake hose at bracket and remove line from brake line clip (lowest line in clip).

7. Remove brake line from vehicle through left front wheel well opening noting correct routing and discard removed brake line assembly.

8. Install new brake line (PN 10296765) through left front wheel well opening and secure in brake line clip ensuring routing is correct.

9. Connect brake line to brake hose at bracket and torque fitting to 21 N-m (15 lb. ft.).

Notice: Use backup wrench on hose fittings being careful not to bend brake line.

10. Lower vehicle.

11. Connect brake line fitting to TCS modulator and torque fitting to 24 N-m (18 lb. ft.).

12. Position new brake line clip, PN 25550348, as shown in Figure 1, View "A" (page 4) and snap brake lines into clip.

13. Position brake master cylinder and ABS modulator unit on studs of brake booster, install two (2) nuts and torque to 27 N-m (20 lb. ft.).

14. Connect two (2) brake solenoid connectors and fluid level sensor electrical connector.

15. Connect battery ground cable, turn ignition on, turn wiper switch off and after wipers have returned to their parked position, turn ignition off.

16. Ensure there is 18 mm (0.70 inch) clearance between wiper linkage and the two brake lines identified by red and green fittings leading from TCS modulator as shown in Figure 1, page 4.

17. Bleed brake system following applicable procedure in service manual, Section 5, "Brakes".

18. Install Campaign Identification Label.

PROCEDURE C

Brake Line Connecting To Passenger Side (Right) Front Brake Caliper Damaged (Green Fitting At TCS Modulator)

1. Operate wiper system and turn ignition off when wiper blades are in a vertical position. Disconnect battery ground cable.

2. Disconnect two (2) brake solenoid electrical connectors on ABS brake modulator and brake fluid level indicator sensor connector on master cylinder.

3. Remove two (2) nuts attaching brake master cylinder and ABS modulator to brake booster. Position unit as far forward as possible (approximately 76mm or 3").

4. Disconnect green brake line fitting at TCS modulator.

5. Raise vehicle, support and remove left front wheel and tire assembly.

6. Disconnect oxygen sensor electrical connector.

7. Disconnect catalytic converter at engine manifold and at intermediate exhaust pipe. Disconnect assembly from hanger and remove from vehicle.

8. Remove nut securing rear heater line clip in the kick-up area of the cowl and position lines upward to provide clearance for removal of brake line.

9. Disconnect brake line from brake hose at bracket in right front wheel well area, remove brake line from brake line bundle clip (upper most line in clip) and two (2) cowl brake line clips.

10. Remove brake line from vehicle through opening between frame and kick-up area of the cowl. Note correct routing during removal and discard removed line assembly.

11. Install new brake line (P/N 10404656) through opening between frame and kick-up area of cowl. Secure brake line in bundle clip and two (2) cowl brake line clips ensuring routing is correct.

12. Connect brake line to brake hose at bracket and torque fitting to 21 N-m (15 lb. ft.).

Notice: Use backup wrench on hose fitting being careful not to bend brake line.

13. Install wheel and tire assembly. Install wheel nuts and torque to 140 N-m (100 lb. ft.).

14. Position rear heater line clip onto stud in cowl kick-up area and secure with nut torqued to 33 N-m (29 lb. in.).

15. Install catalytic converter assembly, connect exhaust hanger and oxygen sensor electrical connector.

16. Connect catalytic converter at engine manifold and at intermediate exhaust pipe, and torque applicable fasteners to 32 N-m (24 lb. ft.) and 47 N-m (35 lb. ft.) respectively.

17. Lower vehicle.

18. Connect brake line fitting to TCS modulator and torque fitting to 24 N-m (18 lb. ft.)

19. Position new brake line clip, P/N 25550348, as shown in Figure 1, View "A" (page 4) and snap brake lines into clip.

20. Position brake master cylinder and ABS modulator unit on studs of brake booster, install two (2) nuts and torque to 27 N-m (20 lb. ft.).

21. Connect two (2) brake solenoid connectors and the fluid level sensor electrical connector.

22. Connect battery ground cable, tum ignition on, turn wiper switch off and after wipers have returned to their parked position, turn ignition off.

23. Ensure their is 18 mm (0.70 inch) clearance between wiper linkage and two brake lines identified by red and green fittings leading from TCS modulator as shown in Figure 1, Page 4.

24. Bleed brake system following applicable procedure in service manual, Section 5, "Brakes".

25. Install Campaign Identification Label.

CAMPAIGN IDENTIFICATION LABEL

Each vehicle corrected in accordance with the instructions outlined in this Product Campaign Bulletin will require a "Campaign Identification Label." Each label provides a space to include the campaign number and the five (5) digit dealer code of the dealer performing the campaign service. This information may be inserted with a typewriter or a ball point pen.

Each "Campaign Identification Label" is to be located on the radiator core support in an area which will be visible when the vehicle is brought in by the customer for periodic servicing. Additional Campaign Identification Labels can be obtained from DGN by calling 1-800-668-5539 (Monday-Friday, 8:00 a.m. to 5:00 p.m. EST). Ask for Item Number GMP 91 when ordering.

Apply the "Campaign Identification Label" only on a clean, dry surface.

CLAIM INFORMATION

Submit a Product Campaign Claim with the information indicated below:

* REPAIR PERFORMED PART FAILED PARTS LABOUR LABOUR NET COUNT PART NO. ALLOW CC-FC 0P HOURS ITEM

Inspect - No Brake Line Damage - Install Clip 1 25550348 ** MA-96 V0151 0.3 --

Inspect - Install Clip And Replace... LH Brake Line 2 10296765 ** MA-96 V0152 0.8 *** or RH Brake Line 2 10404656 1.2

Inspect- Replace Both Brake Lines 3 10404656 ** MA-96 V0149 1.5 *** & Install Clip

* For Campaign Administrative Allowance,add 0.1 hours to the "Labour Hours".

** The "Parts Allowance" should be the sum total of the current GMSPO Dealer Net price plus 40% for parts required to complete the repair.

*** The amount identified in the "Net Item" column should represent the sum total of the Current GMSPO Dealer Net Price plus 40% for the amount of brake fluid needed to perform the required repairs In addition, the amount identified in the "Net Item" column should include the cost associated with providing courtesy transportation as stated in Corporate Bulletin 68-05-02A, released in October 1996.

Refer to the General Motors Claims Processing Manual for details on Product Campaign Claim Submission.

April 1998

Dear General Motors Customer:

General Motors of Canada Limited has decided that a defect which relates to motor vehicle safety exists in certain 1997-98 Chevrolet Venture, Pontiac Trans Sport and Oldsmobile Silhouette model vehicles. When the windshield wipers on these vehicles are turned on, the windshield wiper linkage arm may contact a brake line connected to the traction control system (TCS) modulator. This contact could cause the wiper linkage arm to rub through the brake line, resulting in a brake fluid leak, reduced brake effectiveness and increased stopping distances. Partial loss of braking at a time when minimum stopping distance is required could result in a vehicle crash without prior warning.

To correct this condition, your GM dealer will install a brake line clip which assures proper clearance. Additionally, your vehicle will be inspected for brake line damage caused by this condition and any damaged brake lines will be replaced.

This service will be provided for you at no charge.

Please contact your GM dealer as soon as possible to arrange a service date.

If parts are required, ask your dealer for details regarding their availability. If parts are not in stock, they can be ordered before scheduling your service date.

This letter identifies your vehicle. Presentation of this letter to your dealer will assist their Service personnel in completing the necessary correction to your vehicle in the shortest possible time.

We are sorry to cause you this inconvenience; however, we have taken this action in the interest of your continued satisfaction with our products.

Customer Support Department General Motors of Canada Limited