GM Service Manual Online
For 1990-2009 cars only
Figure 1:

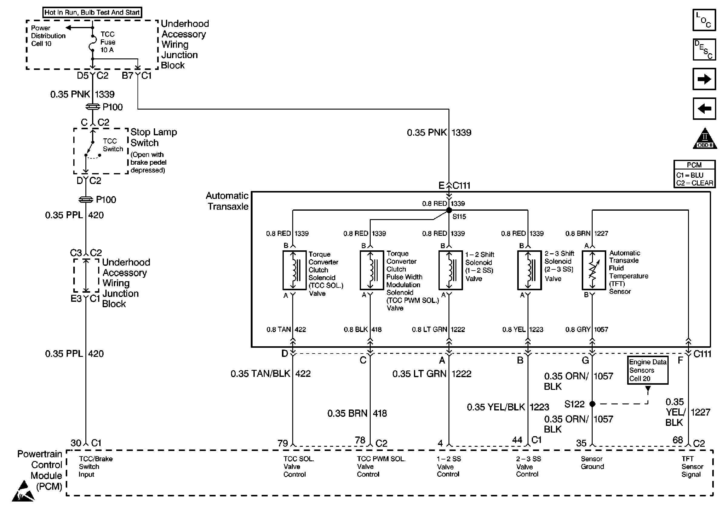
PCM, Power, VSS


Object Number: 214339  Size: FS
Automatic Transmission Components
Transmission General Description
Automatic Transaxle, TCC Switch
OBD II Symbol Description Notice
Inline Harness Connector End Views
Figure 2:

Automatic Transaxle, TCC Switch


Object Number: 214344  Size: FS
Automatic Transmission Components
Transmission General Description
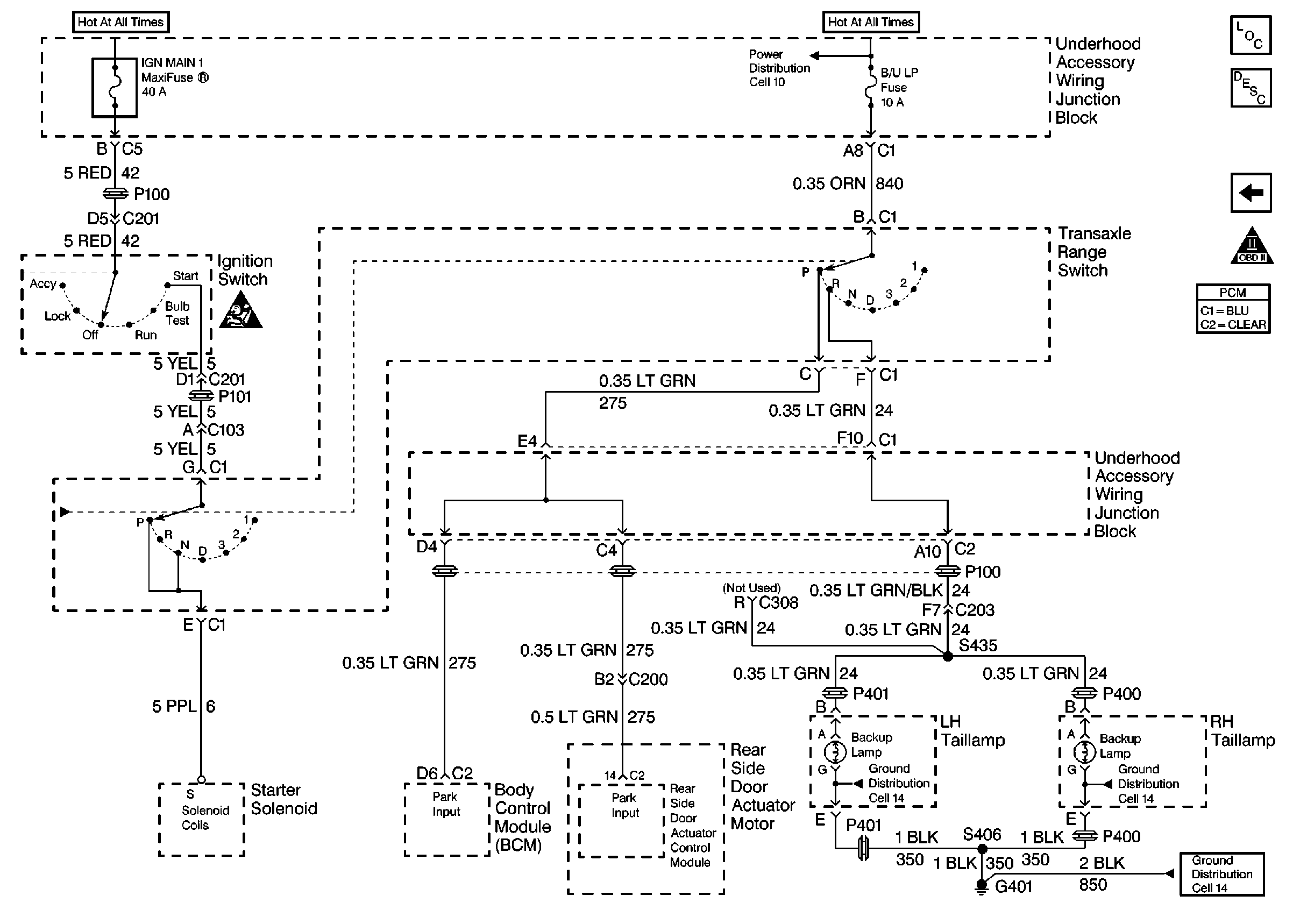
Transaxle Range Switch, Part 1 of 2
PCM, Power, VSS
OBD II Symbol Description Notice
Inline Harness Connector End Views
Figure 3:

Transaxle Range Switch, Part 1 of 2


Object Number: 214348  Size: FS
Automatic Transmission Components
Transmission General Description
Transaxle Range Switch, Part 2 of 2
Automatic Transaxle, TCC Switch
OBD II Symbol Description Notice
Inline Harness Connector End Views
Figure 4:

Transaxle Range Switch, Part 2 of 2


Object Number: 214350  Size: FS
Automatic Transmission Components
Transmission General Description
Transaxle Range Switch, Part 1 of 2
OBD II Symbol Description Notice
Inline Harness Connector End Views