GM Service Manual Online
For 1990-2009 cars only

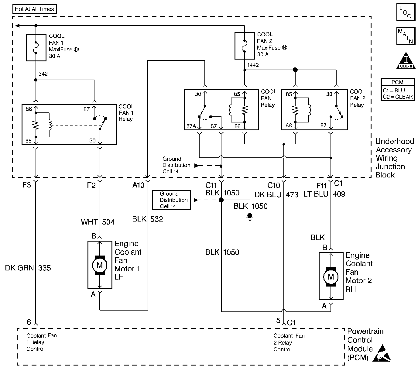
Object Number: 259298  Size: LF
Engine Controls Components
Coolant Fans
OBD II Symbol Description Notice
Handling ESD Sensitive Parts Notice

Circuit Description:

Power for the fan motors is supplied through 2 MaxiFuse® in the U/H Electrical Center. The cooling fan relays are energized when current flows from the 2 Maxifuses® through the relay coils to ground through the PCM. The Coolant Fan #1 Relay (Cool Fan 1 Relay) control circuit is grounded for low speed fans operation. The Coolant Fan #1 Relay control circuit and the Coolant Fan #2 Relay control circuit (Cool Fan Relay and Cool Fan 2 Relay) are grounded for high speed fans operation.

During low speed fans operation the PCM supplies a ground path for Cool Fan 1 Relay. This closes the Cool Fan 1 Relay contacts, allowing current to flow from the U/H Electrical Center through the relay contacts to the left engine cooling fan. During low speed operation, the ground path for the primary cooling fan is through the engine Cool Fan Relay and the right engine cooling fan motor. The result is a series circuit with both cooling fans running at low speed.

During high speed cooling fan operation the PCM supplies a ground path for the Cool Fan 1 Relay. The PCM also supplies a ground path for Cool Fan Relay and Cool Fan 2 Relay. This closes all three cooling fan relays. During high speed fans operation, both the right and the left engine cooling fans are supplied current from the U/H Electrical Center and each cooling fan has its own ground path.

Diagnostic Aids

Check for the following conditions:

    •  Poor connection at the PCM, cooling fan relays, or cooling fan motors. Inspect harness connectors for backed out terminals, improper mating, broken locks, improperly formed or damaged terminals, and poor terminal to wire connection.
    •  Damaged harness. Inspect the wiring harness for damage.

Test Description

Number(s) below refer to the step number(s) on the Diagnostic Table:

  1. Stored diagnostic trouble codes may affect engine cooling fans operation. This diagnostic table may lead to improper diagnosis and replacement of good parts if diagnostic trouble codes are present.

  2. Ambient temperature must be above 9°C (48°F) before the PCM will enable the cooling fans due to A/C request. The PCM will enable the cooling fans if A/C refrigerant pressure increases regardless of ambient temperature.

  3. This vehicle is equipped with a PCM which utilizes an Electrically Erasable Programmable Read Only Memory (EEPROM). When the PCM is being replaced, the new PCM must be programmed. Refer to Powertrain Control Module Replacement/Programming

Electric Cooling Fan Diagnosis

Step

Action

Value(s)

Yes

No

1

Was the Powertrain OBD System Check performed?

--

Go to Step 2

Go to Powertrain On Board Diagnostic (OBD) System Check

2

Are any PCM DTC(s) stored?

--

Go to Applicable DTCs

Go to Step 3

3

  1. Ensure that the engine coolant temperature is below 100°C (212°F).
  2. Turn the A/C OFF.
  3. Engine running.
  4. Observe the cooling fans.

Are the cooling fan(s) running?

--

Go to Step 32

Go to Step 4

4

  1. Command Low Speed Fans ON using the scan tool output tests function.
  2. Observe the cooling fans.

Are both cooling fans running at low speed?

--

Go to Step 5

Go to Step 8

5

  1. Command High Speed Fans ON using the scan tool output tests function.
  2. Wait 6 seconds.
  3. Observe the cooling fans.

Are both fans running at high speed?

--

Go to Step 6

Go to Step 58

6

Important: :  Ambient temperature must be above 9°C (48°F).

  1. Exit scan tool output tests.
  2. Engine running.
  3. Turn the A/C ON.

Are the cooling fans ON?

--

Go to Diagnostic Aids

Go to Step 7

7

View A/C Request on the scan tool.

Does A/C Request on the scan tool display Yes?

--

Go to Step 77

Go to Powertrain Control Module Controlled Air Conditioning (A/C) Circuit Diagnosis

8

Is either cooling fan running?

--

Go to Step 9

Go to Step 16

9

Is the left cooling fan running?

--

Go to Step 10

Go to Step 14

10

  1. Turn OFF the ignition switch.
  2. Disconnect the right engine cooling fan.
  3. Turn ON the ignition switch.
  4. Command Low Speed Fans ON using the scan tool output tests function.
  5. Observe the cooling fans.

Is the left engine cooling fan running?

--

Go to Step 11

Go to Step 80

11

Remove the Cool Fan relay from the Underhood Electrical Center.

Is the left engine cooling fan running?

--

Go to Step 12

Go to Step 13

12

Locate and repair short to voltage in CKT 409. Refer to Wiring Repairs in Wiring Systems.

Is the action complete?

--

Go to Step 81

--

13

  1. Check CKT 409 for a short to voltage.
  2. If a problem is found, repair as necessary. Refer to Wiring Repairs in Wiring Systems.

Was a problem found?

--

Go to Step 81

Go to Step 70

14

  1. Turn OFF the ignition switch.
  2. Disconnect the left engine cooling fan.
  3. Turn ON the ignition switch.
  4. Command High Speed Fans ON using the scan tool output tests function.
  5. Observe the cooling fans.

Is the right engine cooling fan running?

--

Go to Step 15

Go to Step 68

15

Locate and repair short to battery positive voltage in circuit 532 and 409. If a problem is found repair as necessary. Refer to Wiring Repairs in Wiring Systems.

Was a problem found?

--

Go to Step 81

Go to Step 79

16

  1. Turn the ignition ON, engine not running.
  2. Remove Cool Fan 1 relay from the Underhood Electrical Center.
  3. Probe Cool Fan 1 relay cavity 86 with a test light connected to ground.

Is the test light ON?

--

Go to Step 18

Go to Step 17

17

  1. Identify the cause of no battery positive voltage to Cool Fan 1 relay cavity 86:
  2. •  Blown Maxi fuse. If the fuse is blown, locate and correct short circuit.
       -  Stalled right engine or left engine cooling fan.
       -  Shorted right engine or left engine cooling fan motor windings.
       -  Short to ground in CKT 504, CKT 532, or CKT 409.
    •  Open in CKT 335.
  3. Repair the cause of no battery positive voltage to Cool Fan 1 relay cavity 30. Refer to Wiring Repairs in Wiring Systems.

Is the action complete?

--

Go to Step 81

--

18

Probe Cool Fan 1 relay cavity 86 with a test light connected to ground.

Is the test light ON?

--

Go to Step 20

Go to Step 19

19

  1. Identify the cause of no battery positive voltage to Cool Fan 1 relay cavity 86:
  2. •  Blown fuse. If the fuse is blown, locate short circuit.
    •  Shorted Cool Fan 1 relay coil.
    •  Circuit unrelated to cooling fans.
  3. Repair cause of no battery positive voltage to Cool Fan 1 relay cavity 86. Refer to Wiring Repairs in Wiring Systems.

Is the action complete?

--

Go to Step 81

--

20

  1. Turn OFF the ignition switch.
  2. Disconnect both cooling fans.
  3. Connect terminals A and B together at both cooling fan connectors using fused jumpers.
  4. Turn OFF the ignition switch.
  5. Connect a test light between Cool Fan 1 relay cavities 87 and 30.

Is the test light ON?

--

Go to Step 21

Go to Step 27

21

  1. Connect a test light between Cool Fan 1 relay cavities 85 and 86.
  2. Turn ON the ignition switch.
  3. Command Low Speed Fans ON using the scan tool output tests function.
  4. Observe the test light.

Is the test light ON?

--

Go to Step 22

Go to Step 25

22

  1. Turn OFF the ignition switch.
  2. Remove the jumpers from the engine cooling fan connectors and reconnect the cooling fans.
  3. Install a fused jumper between Cool Fan 1 relay cavities 87 and 30.
  4. Turn ON the ignition switch.
  5. Observe the cooling fans.

Are both cooling fans running?

--

Go to Step 23

Go to Step 24

23

  1. Check for poor Cool Fan 1 relay connections at the Underhood Electrical Center.
  2. If a problem is found, repair as necessary. Refer to Wiring Repairs in Wiring Systems.

Was a problem found?

--

Go to Step 81

Go to Step 37

24

  1. Check for poor connections at the coolant fan motors.
  2. If a problem is found, repair as necessary. Refer to Connector Repairs in Wiring Systems.

Was a problem found?

--

Go to Step 81

Go to Step 63

25

  1. Turn OFF the ignition switch.
  2. Disconnect the PCM blue connector C1.
  3. Install a fused jumper between Cool Fan 1 relay cavities 86 and 85.
  4. Turn ON the ignition switch.
  5. Probe Coolant Fan 1 relay control circuit at the PCM harness connector with a test light to ground.

Is the test light ON?

--

Go to Step 77

Go to Step 26

26

Locate and repair open in the Coolant Fan 1 relay control circuit between the PCM and Cool Fan 1 relay cavity 85.

Is the action complete?

--

Go to Step 81

--

27

  1. Turn OFF the ignition switch.
  2. Remove the jumpers from the cooling fan connectors.
  3. Reconnect the cooling fans.
  4. Install a fused jumper between Cool Fan 1 relay cavities 87 and 30.
  5. Remove the Cool Fan relay from the Underhood Electrical Center.
  6. Probe Cool Fan relay cavity 30 with a test light connected to ground.

Is the test light ON?

--

Go to Step 28

Go to Step 31

28

Connect a test light between Cool Fan relay in Underhood Electrical Center cavities 30 and 87A.

Is the test light ON?

--

Go to Step 30

Go to Step 29

29

  1. Check for an open in CKT 409 between Cool Fan relay cavity 30 and Engine Coolant Fan Motor #2 terminal B.
  2. If a problem is found, repair as necessary. Refer to Wiring Repairs in Wiring Systems.

Was a problem found?

--

Go to Step 81

Go to Step 57

30

  1. Check for a poor connection at Cool Fan relay in Underhood Electrical Center cavities 30 or 87A.
  2. If a problem is found, repair as necessary. Refer to Connector Repairs in Wiring Systems.

Was a problem found?

--

Go to Step 81

Go to Step 70

31

  1. Check for an open in CKT 504 between Cool Fan 1 relay cavity 30 and right engine cooling fan harness connector terminal B.
  2. If a problem is found, repair as necessary. Refer to Wiring Repairs in Wiring Systems.

Was a problem found?

--

Go to Step 81

Go to Step 56

32

Using scan tool, view A/C Request.

Does the scan tool display Yes?

--

Go to PCM Controlled Air Conditioning Diagnosis

Go to Step 33

33

Are both cooling fan(s) running at low speed?

--

Go to Step 34

Go to Step 40

34

Remove Cool Fan 1 relay from the Underhood Electrical Center.

Are the cooling fans running?

--

Go to Step 35

Go to Step 36

35

Locate and repair short to voltage in CKT 409 and 504. Refer to Wiring Repairs in Wiring Systems.

Is the action complete?

--

Go to Step 81

--

36

Using a test light connected to battery positive voltage, probe Cool Fan 1 relay cavity 86.

Is the test light ON?

--

Go to Step 38

Go to Step 37

37

Replace Cool Fan 1 relay.

Is the action complete?

--

Go to Step 81

--

38

  1. Turn OFF the ignition switch.
  2. Disconnect the blue PCM connector.
  3. Probe Cool Fan 2 relay cavity 86 with a test light connected to battery positive voltage.

Is the test light on?

--

Go to Step 39

Go to Step 77

39

Locate and repair short to ground in the Cool Fan 1 relay control circuit.

Is the action complete?

--

Go to Step 81

--

40

Are both cooling fans running at high speed?

--

Go to Step 41

Go to Step 42

41

View A/C Pressure on the scan tool.

Does the scan tool display voltage less than the specified value?

1.2V

Go to Step 77

Go to Step 44

42

  1. Turn OFF the ignition switch.
  2. Disconnect the PCM.
  3. Turn ON the ignition switch.
  4. Observe the cooling fans.

Is the right engine cooling fan running at high speed?

--

Go to Step 43

Go to Step 77

43

  1. Check for a short to ground in the Cool Fan relay and Cool Fan 2 relay control circuit.
  2. If a problem is found, repair as necessary. Refer to Wiring Repairs in Wiring Systems.

Was a problem found?

--

Go to Step 81

Go to Step 52

44

  1. Turn OFF the ignition switch.
  2. Disconnect the A/C refrigerant pressure sensor electrical connector.
  3. Turn ON the ignition switch.
  4. View A/C Pressure on the scan tool.

Does the scan tool display voltage near the specified value?

0.0V

Go to Step 46

Go to Step 45

45

Probe the A/C refrigerant pressure signal circuit with a Digital Multimeter J 39200 connected to the A/C refrigerant pressure sensor ground.

Does the digital multimeter display voltage near the specified value?

0.0V

Go to Step 77

Go to Step 51

46

Probe the A/C refrigerant pressure sensor ground with a test light to battery positive voltage.

Is the test light ON?

--

Go to Step 47

Go to Step 49

47

Probe the A/C refrigerant pressure sensor 5 Volt Reference circuit with a Digital Multimeter J 39200 connected to the A/C refrigerant pressure sensor ground.

Does the digital multimeter display voltage near the specified value?

5.0 V

Go to Step 48

Go to Step 50

48

Replace the A/C refrigerant pressure sensor. Refer to Air Conditioning (A/C) Refrigerant Pressure Sensor Replacement in HVAC Systems -- Manual.

Is the action complete?

--

Go to Step 81

--

49

Locate and repair open or short to voltage in the A/C refrigerant pressure sensor ground circuit. Refer to Wiring Repairs in Wiring Systems.

Is the action complete?

--

Go to Step 81

--

50

Locate and repair open or short to ground in the A/C refrigerant pressure sensor 5 Volt Reference circuit. Refer to Wiring Repairs in Wiring Systems.

Is the action complete?

--

Go to Step 81

--

51

Locate and repair short to voltage in the A/C refrigerant pressure signal circuit. Refer to Wiring Repairs in Wiring Systems.

Is action complete?

--

Go to Step 81

--

52

  1. Remove the Cool Fan relay from the Underhood Electrical Center.
  2. Observe the cooling fans.

Is the left engine cooling fan running at high speed?

--

Go to Step 53

Go to Step 70

53

Remove the Cool Fan 2 relay from the Underhood Electrical Center.

Is the left engine cooling fan running at high speed?

--

Go to Step 54

Go to Step 55

54

Locate and repair short to battery positive voltage in CKT 504. Refer to Repair Procedures in Electrical Diagnosis.

Is the action complete?

--

Go to Step 81

--

55

Locate and repair short to battery positive voltage in CKT 504. Refer to Wiring Repairs in Wiring Systems.

If a problem is found repair as necessary.

Was a problem found?

--

Go to Step 81

Go to Step 76

56

  1. Check for an open in CKT 532 between Cool Fan relay cavity 30 and right engine cooling fan terminal A.
  2. If a problem is found, repair as necessary. Refer to Wiring Repairs in Wiring Systems.

Was a problem found?

--

Go to Step 81

Go to Step 79

57

  1. Check for an open in CKT 1050 between left engine cooling fan terminal A and ground.
  2. If a problem is found, repair as necessary. Refer to Wiring Repairs in Wiring Systems.

Was a problem found?

--

Go to Step 81

Go to Step 80

58

  1. Turn the ignition ON, engine not running.
  2. Remove the Cool Fan relay from the Underhood Electrical Center.
  3. Install a test light between Cool Fan relay cavity 86 and battery positive voltage.
  4. Command High Speed Fans on using the scan tool output controls function.
  5. Wait approx. 5-6 seconds.
  6. Observe the test light.

Is the test light ON?

--

Go to Step 61

Go to Step 59

59

  1. Remove the Cool Fan 2 relay from the Underhood Electrical Center.
  2. Install a test light between Cool Fan 2 relay cavity 86 and battery positive voltage.
  3. Command High Speed Fans on using the scan tool output controls function.
  4. Wait 6 seconds.
  5. Observe the test light.

Is the test light ON?

--

Go to Step 78

Go to Step 60

60

  1. Turn OFF the ignition switch.
  2. Disconnect the PCM.
  3. Turn ON the ignition switch.
  4. Check the Cool Fan 2 relay and Cool Fan relay control circuit for an open or a short to voltage.
  5. If a problem is found, repair as necessary. Refer to Wiring Repairs in Wiring Systems.

Was a problem found?

--

Go to Step 81

Go to Step 77

61

  1. Turn OFF the ignition switch
  2. Reinstall the Cool Fan relay.
  3. Disconnect both coolant fan electrical connectors.
  4. Turn ON the ignition switch.
  5. Command High Speed Fans ON using the scan tool output controls function.
  6. Wait approx. 5-6 seconds.
  7. Probe terminal B at the right engine cooling fan connector with a test light to ground.

Is the test light ON?

--

Go to Step 62

Go to Step 64

62

Probe terminal A at the left engine cooling fan connector with a test light to battery positive voltage.

Is the test light ON?

--

Go to Step 63

Go to Step 71

63

  1. Identify cause of inoperative cooling fan:
  2. •  Open right engine cooling fan motor windings.
    •  Open left engine cooling fan motor windings.
    •  Stalled cooling fan(s).
  3. Replace the affected cooling fan motor. Refer to
    Object Number: 218724  Size: MF
    Engine Controls Components
    Transmission
    OBD II Symbol Description Notice
    Handling ESD Sensitive Parts Notice
    in Engine Cooling.

Is the action complete?

--

Go to Step 81

--

64

  1. Remove the Cool Fan relay from the Underhood Electrical Center.
  2. Turn ON the ignition switch.
  3. Probe Cool Fan relay cavity 85 with a test light connected to ground.

Is the test light ON?

--

Go to Step 66

Go to Step 65

65

Locate and repair open in the battery positive voltage circuit to high speed engine Cool Fan relay. Refer to Wiring Repairs in Wiring Systems.

Is the action complete?

--

Go to Step 81

--

66

Probe Cool Fan relay cavity 30 with a test light connected to ground.

Is the test light ON?

--

Go to Step 68

Go to Step 67

67

Locate and repair open in battery positive voltage circuit to Cool Fan relay cavity 30. Refer to Wiring Repairs in Wiring Systems.

Is the action complete?

--

Go to Step 81

--

68

  1. Check Engine Coolant Fan Motor #1 circuit for an open between right engine cooling fan terminal A and Cool Fan relay cavity 87 or 30.
  2. If a problem is found, repair as necessary. Refer to Wiring Repairs in Wiring Systems.

Was a problem found?

--

Go to Step 81

Go to Step 69

69

  1. Check for a poor Cool Fan relay terminal connections at the Underhood Electrical Center.
  2. If a problem is found, repair as necessary. Refer to Wiring Repairs in Wiring Systems.

Was a problem found?

--

Go to Step 81

Go to Step 70

70

Replace Cool Fan relay.

Is the action complete?

--

Go to Step 81

--

71

  1. Remove the Cool Fan 2 relay from the Underhood Electrical Center.
  2. Turn ON the ignition switch.
  3. Probe Cool Fan 2 relay cavity 85 with a test light connected to ground.

Is the test light ON?

--

Go to Step 73

Go to Step 72

72

Locate and repair open in battery positive voltage circuit to Cool Fan 2 relay cavity 85. Refer to Wiring Repairs in Wiring Systems.

Is the action complete?

--

Go to Step 81

--

73

Probe Cool Fan 2 relay cavity 87 in the Underhood Electrical Center with a test light to battery positive voltage.

Is the test light ON?

--

Go to Step 75

Go to Step 74

74

Locate and repair open in circuit between Cool Fan 2 relay cavity 87 and Cool Fan relay cavity 87a in the Underhood Electrical Center and ground. Refer to Wiring Repairs in Wiring Systems.

Is the action complete?

--

Go to Step 81

--

75

  1. Check for poor Cool Fan 2 relay engine terminal connections at the Underhood Electrical Center.
  2. If a problem is found, repair as necessary. Refer to Wiring Repairs in Wiring Systems.

Was a problem found?

--

Go to Step 81

Go to Step 76

76

Replace the Cool Fan 2 relay in the Underhood Electrical Center.

Is the action complete?

--

Go to Step 81

--

77

Important: :  The replacement PCM must be programmed. Refer to Powertrain Control Module Replacement/Programming .

Replace the PCM.

Is the action complete?

--

Go to Step 81

--

78

Repair open in the Cool Fan relay cavity 86 and Cool Fan 2 relay cavity 86 control circuit to PCM. Refer to Wiring Repairs in Wiring Systems.

Is the action complete?

--

Go to Step 81

--

79

Replace the left engine cooling fan motor. Refer to Engine Cooling Fan Replacement in Engine Cooling.

Is the action complete?

--

Go to Step 81

--

80

Replace the right engine cooling fan motor. Refer to Engine Cooling Fan Replacement in Engine Cooling.

Is the action complete?

--

Go to Step 81

--

81

  1. Read the engine coolant temperature. The engine coolant is below 100°C (212°F).
  2. Turn the A/C OFF.
  3. Start the engine.
  4. Allow the engine to run.

Observe the cooling fans.

Are the cooling fans running?

--

Go to Step 32

Go to Step 82

82

  1. Command Low Speed Fans ON using the scan tool output tests function.
  2. Observe the cooling fans.

Are both cooling fans running at low speed?

--

Go to Step 83

Go to Step 8

83

  1. Command High speed fans ON using the scan tool output tests function.
  2. Wait 6 seconds.
  3. Observe the cooling fans.

Are both cooling fans running at high speed?

--

System OK

Go to Step 58