GM Service Manual Online
For 1990-2009 cars only
Makes
🢒
Chevrolet
🢒
1998
🢒
Venture
🢒
Body and Accessories
🢒
Wipers/Washer Systems
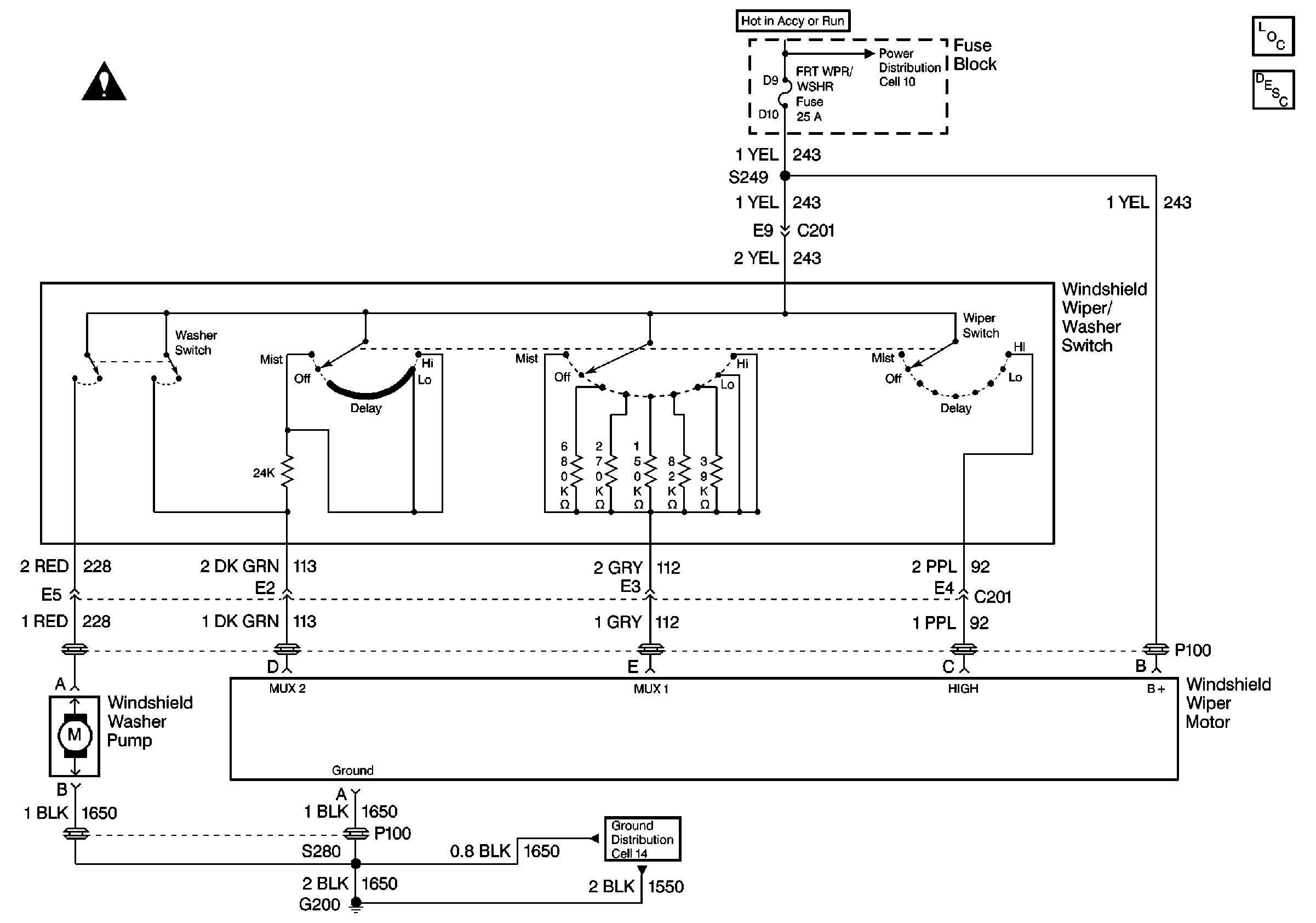
🢒 Wiper/Washer System (Pulse) Schematics
Wiper/Washer Schematics
Handling ESD Sensitive Parts Notice
Ground Distribution Schematics
Power Distribution Schematics
Wiper/Washer System Components