GM Service Manual Online
For 1990-2009 cars only

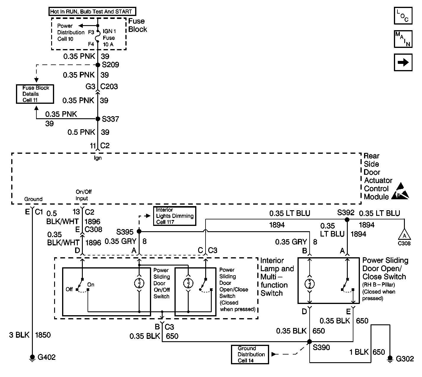
Object Number: 323696  Size: LF
Power Door Systems Components
PSD Module Control Switches
Thumbnail for PSD Diagnostic System Check (2 of 2)
Handling ESD Sensitive Parts Notice
Thumbnail for PSD Diagnostic System Check (2 of 2)
Cell 14: G302
Cell 117: Interior Lamp and Multifunction Switch, Right Rear Door Latch, Release Actuator Switch
Cell 11: IGN 1 Fuse
Cell 10: Ignition Switch, Transaxle Range Switch

Object Number: 345718  Size: LF
Power Door Systems Components
Power Sliding Door (PSD) Circuit Description
99 U-Van Thumbnail for PSD Diagnostic System Check
Cell 10: EBCM, EBTCM, Battery
Cell 10: Underhood Accessory Wiring Junction Block
Handling ESD Sensitive Parts Notice
Handling ESD Sensitive Parts Notice
Cell 11: UH: Radio Fuse
Cell 51: BCM: Ignition Input, Door Locks, Exterior Lamps Output
99 U-Van Thumbnail for PSD Diagnostic System Check

Description

The Power Sliding Door (PSD) Diagnostic System Check is an organized approach used in order to identify problems associated with the PSD. Use the PSD Diagnostic System Check as a starting point for any PSD-related complaint. The PSD Diagnostic System Check will direct you to the next logical step in diagnosing the complaint.

The PSD is a very reliable component. The PSD is not likely to be the cause of the malfunction. Most PSD complaints are linked to the following causes:

    • The mechanical operation of the sliding door
    • Faulty wiring
    • Faulty connectors
    • Faulty components

In order to reduce diagnostic time and prevent unnecessary parts replacement, use the following suggestions:

    • Understand how the PSD operates.
    • Use the diagnostic tables.

Diagnostic Aids

The following conditions may result in an intermittent operation of the PSD with no DTC stored:

    • Any condition that results in the interruption of power to the system
    • An out-of-range battery voltage specification
        Normal battery voltage range is within 10-16 V.
    • Loose or damaged grounds

An intermittent failure may have the following characteristics:

    • Difficult to detect
    • Difficult to accurately diagnose

Faulty electrical connections or wiring causes most intermittent problems. When an intermittent condition is suspected, inspect the suspected circuits for the following conditions:

    • Poor mating of the connector halves
    • Backed out terminals
    • Improperly formed or damaged terminals
    • Wire chafing
    • Poor wire to terminal connections
    • Dirty or corroded terminals
    • Damage to the connector bodies
    • A broken wire inside the insulation

Test Description

The numbers below refer to the step numbers on the diagnostic table.

  1. This step tests for smooth (manual) operation of the sliding door mechanism (rollers and tracks).

  2. This step tests the PSD OPEN operation.

  3. This step tests the PSD CLOSE operation.

  4. This step tests the operation of the PSD on/off switch.

  5. This step tests the PSD disabled open operation with the transaxle shifted out of the PARK position.

  6. This step tests the PSD alarm operation.

  7. This step tests the PSD open/close switch in the B-pillar.

  8. This step tests the PSD operation via the keyless entry transmitter.

  9. This step tests the PSD power assist feature.

  10. This step tests the reversal (obstacle detection) feature.

  11. This step requires you to enter Diagnostic Mode 1: Reading DTCs.

  12. This step tests for PSD DTCs.

  13. This step tests the integrity of inputs to the PSD system.

  14. This step requires you to enter Diagnostic Mode 3: Door Latch Release Actuator Test.

  15. This step tests the PSD for proper operation.

Step

Action

Value(s)

Yes

No

1

  1. Place the transaxle in the PARK position.
  2. Turn the ignition switch to the LOCK position.
  3. Unlock the sliding door.
  4. Set the PSD ON/OFF switch to the OFF position. The switch is located in the overhead console.
  5. Manually open the sliding door slowly until the door stops.
  6. Manually close and latch the sliding door slowly.

Does the sliding door slide smoothly without exhibiting any of the following characteristics?

    • Roughness
    • Binding
    • Jerkiness
    • Excessive resistance

--

Go to Step 2

Go to Manual Sliding Door Symptoms

2

  1. Set the PSD ON/OFF switch to the ON position. The switch is located in the overhead console.
  2. Press the PSD open/close switch.

Does the sliding door open?

--

Go to Step 3

Go to Step 11

3

Press the open/close switch.

Does the sliding door close?

--

Go to Step 4

Go to Step 11

4

  1. Set the power sliding door ON/OFF switch to the OFF position.
  2. Press the PSD open/close switch.

Does the sliding door remain closed?

--

Go to Step 5

Go to Power Sliding Door (PSD) On/Off Switch Inoperative

5

  1. Set the PSD ON/OFF switch to the ON position.
  2. Press and hold the brake pedal.
  3. Start the engine.
  4. Shift the transaxle out of the PARK position.
  5. Press the PSD open/close switch.

Does the sliding door remain closed?

--

Go to Step 6

Go to Power Sliding Door (PSD) Opens with Transmission Out of Park

6

  1. Shift the transaxle into the PARK position.
  2. Press the open/close switch in order to open the sliding door.
  3. Press the PSD open/close switch in order to close the sliding door. While the sliding door is closing, perform the following steps:
  4. 3.1. Press and hold the brake pedal.
    3.2. Shift the transaxle out of the PARK position.

When the transaxle is shifted out of the PARK position, does the PSD alarm sound while the sliding door is closing?

--

Go to Step 7

Go to Power Sliding Door (PSD) Buzzer Inoperative

7

  1. Shift the transaxle into the PARK position.
  2. Turn the ignition switch to the LOCK position.
  3. Press the open/close switch in the B-pillar.

Does the sliding door open?

--

Go to Step 8

Go to Power Sliding Door (PSD) Inoperative with Right B Pillar Switch

8

Press the PSD open/close button on the keyless entry transmitter.

Does the keyless entry transmitter operate the sliding door?

--

Go to Step 9

Go to Remote Keyless Entry System Check in Keyless Entry

9

  1. Disengage the sliding door child lock.
  2. With the sliding door closed, pull either door handle on the sliding door.

Does the sliding door open? (This feature is also known as POWER ASSIST.)

--

Go to Step 10

Go to Step 11

10

Inspect the reversal (obstacle detection) feature by using the following procedure:

  1. Fully open the sliding door.
  2. Place a suitable object between the sliding door and the B-pillar in order to prevent the sliding door from closing. Use one of the following items:
  3. • A service manual
    • A wood block
    • An object that is strong enough in order to withstand the force from the PSD and flexible enough in order to prevent damage to the vehicle

    Important: Prepare yourself to push the on/off switch if necessary in order to avoid damage or injury.

  4. Push the PSD open/close switch in order to close the sliding door.
  5. Observe the operation of the PSD as the PSD contacts the object. As the sliding door touches the object, the following actions should occur:
  6. 4.1. The sliding door closing operation stops.
    4.2. The sliding door reopens.

Does the reversal (obstacle detection) feature operate as described?

--

Go to Step 17

Go to Step 11

11

Enter Diagnostic Mode 1: Reading DTC(s). Refer to Diagnostic Modes in Power Sliding Door (PSD) Diagnostic Information .

Does the PSD alarm sound for 3.2 seconds? (This feature indicates that Diagnostic Mode 1 is active.)

--

Go to Step 12

Go to Power Sliding Door (PSD) System Does Not Enter Diagnostic Mode 1

12

During Diagnostic Mode 1, the rear side door actuator control module sounds the DTCs that are stored in the memory. Record all of the DTCs.

Is DTC 12 (No Trouble Found) the only DTC currently set?

--

Go to Step 13

Go to the DTC table in Power Sliding Door (PSD) Diagnostic Information

13

Enter Diagnostic Mode 2: Input Test. Refer to Diagnostic Modes in Power Sliding Door (PSD) Diagnostic Information .

During this mode, the PSD alarm should toggle between ON and OFF when the following actions are performed:

    • Pressing each one of the PSD OPEN/CLOSE switches
    • Cycling the PSD ON/OFF switch

Does the PSD alarm sound as described above?

--

Go to Step 14

Go to Power Sliding Door (PSD) On/Off Switch Inoperative

14

Enter Diagnostic Mode 3. Refer to Diagnostic Modes in Power Sliding Door (PSD) Diagnostic Information .

During this mode the PSD should open from the latched (closed) position to the open position (past ajar, but not fully open).

Did the PSD function as described above?

--

Go to Step 15

Go to Power Sliding Door (PSD) Unlatch Actuator Inoperative

15

Perform the following steps in order to re-initialize the PSD:

  1. Set the PSD ON/OFF switch to the OFF position. Use the switch located on the overhead console.
  2. Manually open the PSD completely.
  3. Manually close and latch the PSD.
  4. Remove the RADIO fuse for 30 seconds. The RADIO fuse is located in the underhood electrical center.
  5. Reinstall the RADIO fuse.
  6. Wait 10 seconds.
  7. Set the PSD ON/OFF switch to the ON position. Use the switch located on the overhead console.
  8. Press, then release either PSD OPEN/CLOSE switch in order to completely open the PSD.
  9. Wait 5 seconds.
  10. Press the PSD OPEN/CLOSE switch in order to completely close the PSD.
  11. Wait 5 seconds.
  12. Press the PSD open/close switch in order to open the sliding door.
  13. Wait 5 seconds.
  14. Press the PSD open/close switch in order to close the sliding door.
  15. Wait 5 seconds.
  16. Press the PSD open/close switch in order to open the sliding door.

Does the PSD operate normally?

--

Go to Step 17

Go to Step 16

16

Contact the Technical Assistance Center for the latest technical information and troubleshooting hints.

Have you contacted the Technical Assistance Center?

--

System OK

--

17

Was the malfunction found and a repair made to the PSD?

--

System OK

Go to Step 18

18

The malfunction is intermittent and is not present at this time. Perform the following steps:

  1. Re-verify the PSD concern with the customer, then go to the PSD Customer Concern table for further diagnosis.
  2. Contact the Technical Assistance Center for the latest technical information and troubleshooting hints.

Is the repair complete?

--

System OK

--