GM Service Manual Online
For 1990-2009 cars only
Makes
🢒
Chevrolet
🢒
1998
🢒
Venture
🢒
Body and Accessories
🢒
Roof
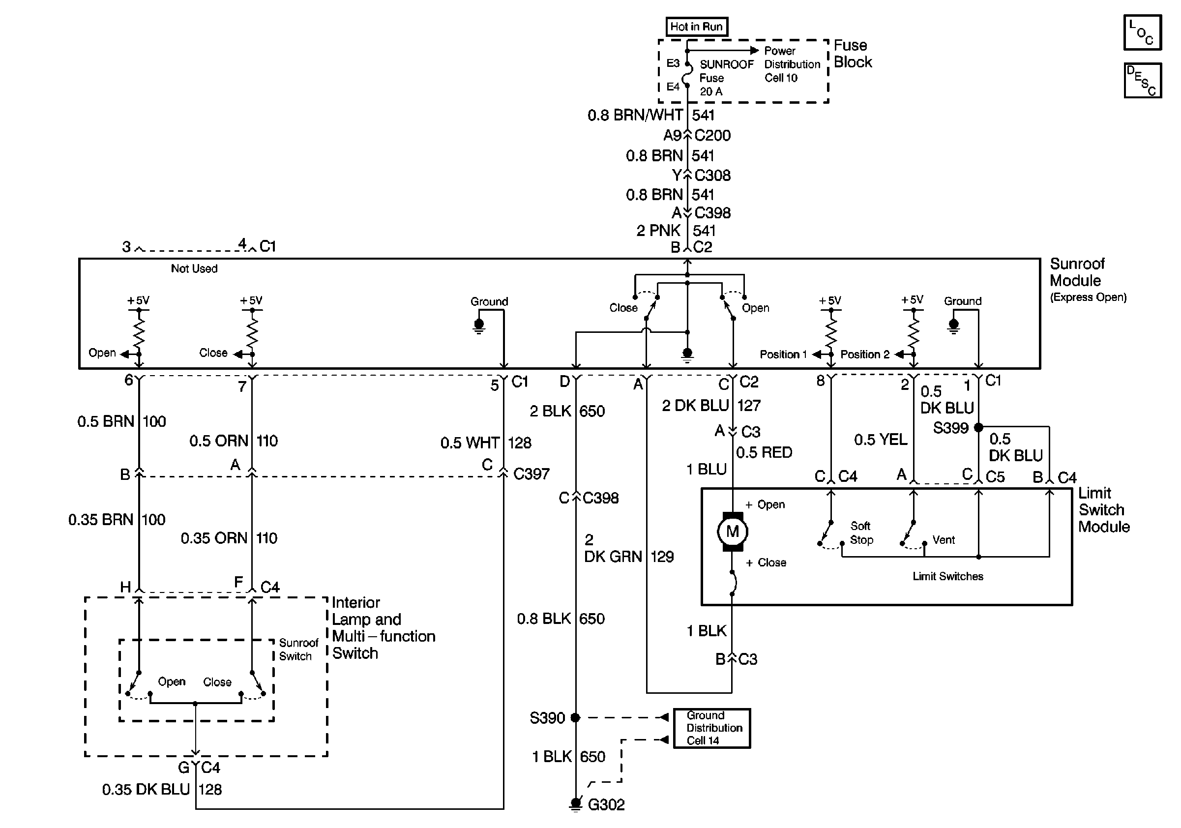
🢒 Sunroof Schematics
Power Sunroof Schematics
Power Distribution Schematics
Power Roof Systems Components
Power Sunroof Circuit Description
Ground Distribution Schematics