GM Service Manual Online
For 1990-2009 cars only
Makes
🢒
Chevrolet
🢒
1998
🢒
Venture
🢒 Cell 103
Cell 103
Cell 103
Power Distribution Schematics
Handling ESD Sensitive Parts Notice
Ground Distribution Schematics
Ground Distribution Schematics
Ground Distribution Schematics
Exterior Lights Schematics
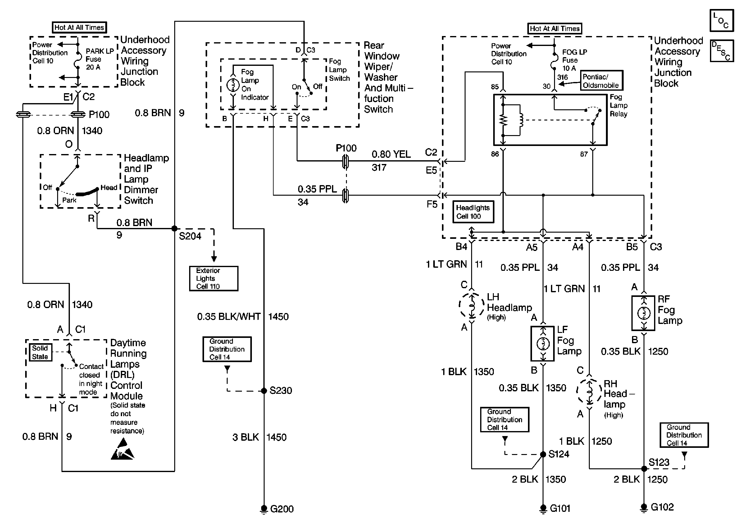
Headlights Schematics
Lighting Systems Components
Exterior Lights Circuit Description
Power Distribution Schematics