GM Service Manual Online
For 1990-2009 cars only
Makes
🢒
Chevrolet
🢒
1998
🢒
Venture
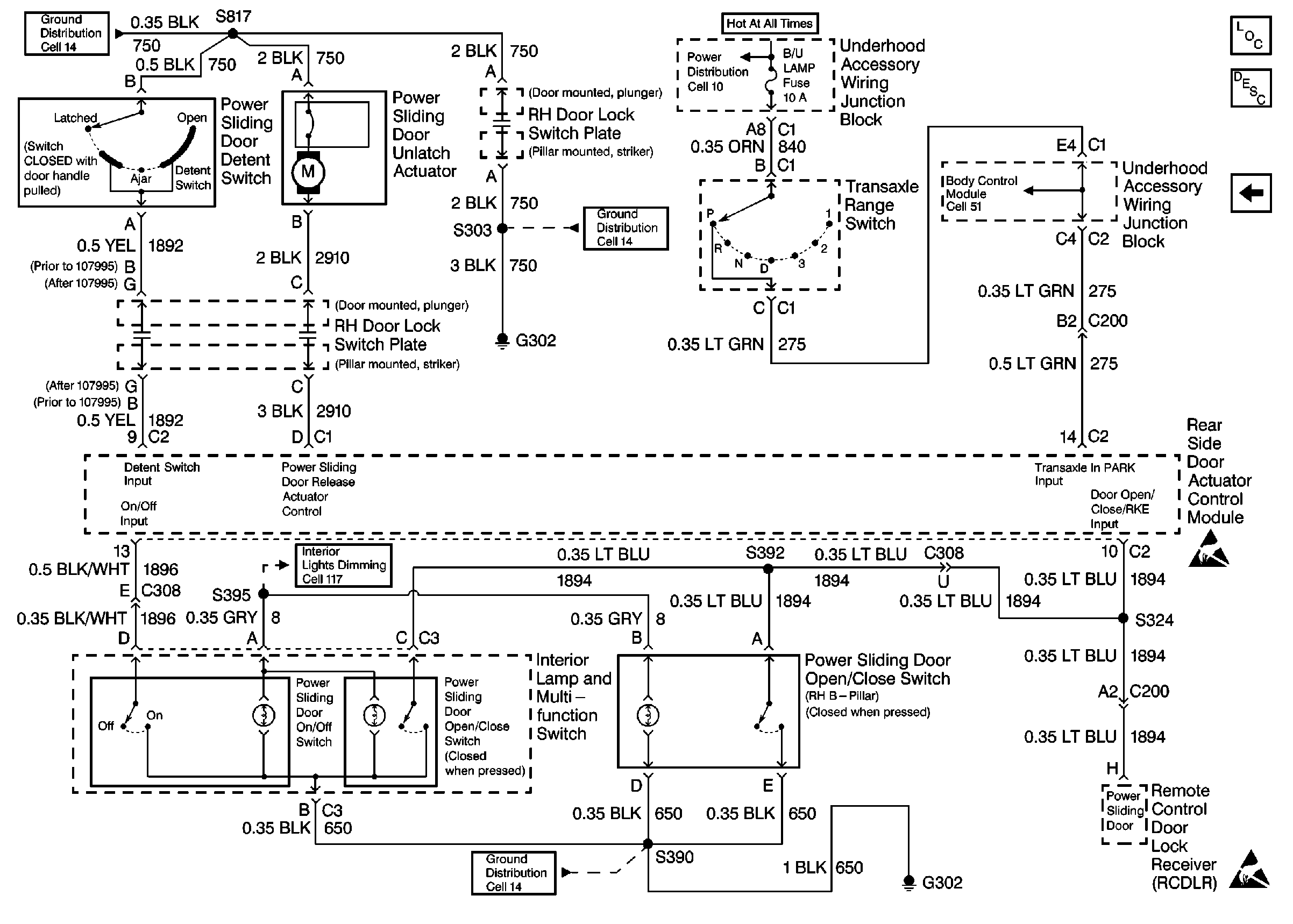
🢒 PSD GENI, GENII Schematic
PSD GENI, GENII Schematic
PSD GENI, GENII Schematic
Ground Distribution Schematics
Ground Distribution Schematics
Ground Distribution Schematics
Power Distribution Schematics
Power Door Systems Components
Handling ESD Sensitive Parts Notice
Handling ESD Sensitive Parts Notice
Power Sliding Door (PSD) Circuit Description
Body Control System Schematics
Interior Lights Dimming Schematics
GEN II: Regular Wheel Base