GM Service Manual Online
For 1990-2009 cars only
Figure 1:

PCM Power, VSS


Object Number: 380418  Size: FS
Automatic Transmission Components
Electronic Component Description
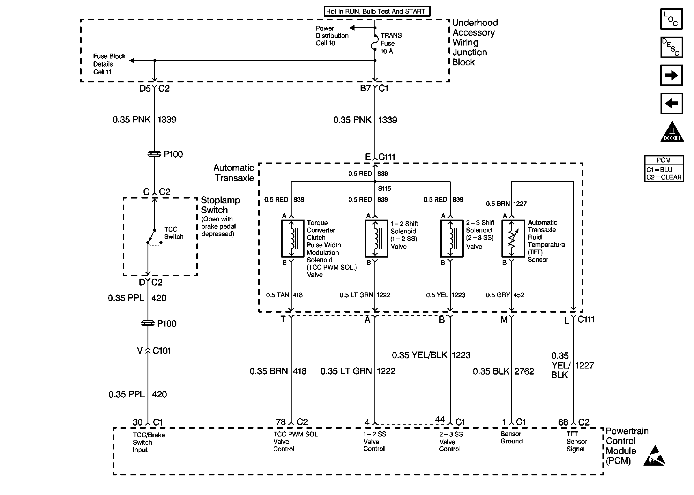
Automatic Transaxle TCC Switch (1 of 2)
OBD II Symbol Description Notice
Handling ESD Sensitive Parts Notice
Figure 2:

Automatic Transaxle TCC Switch (1 of 2)


Object Number: 380436  Size: FS
Automatic Transmission Components
Electronic Component Description
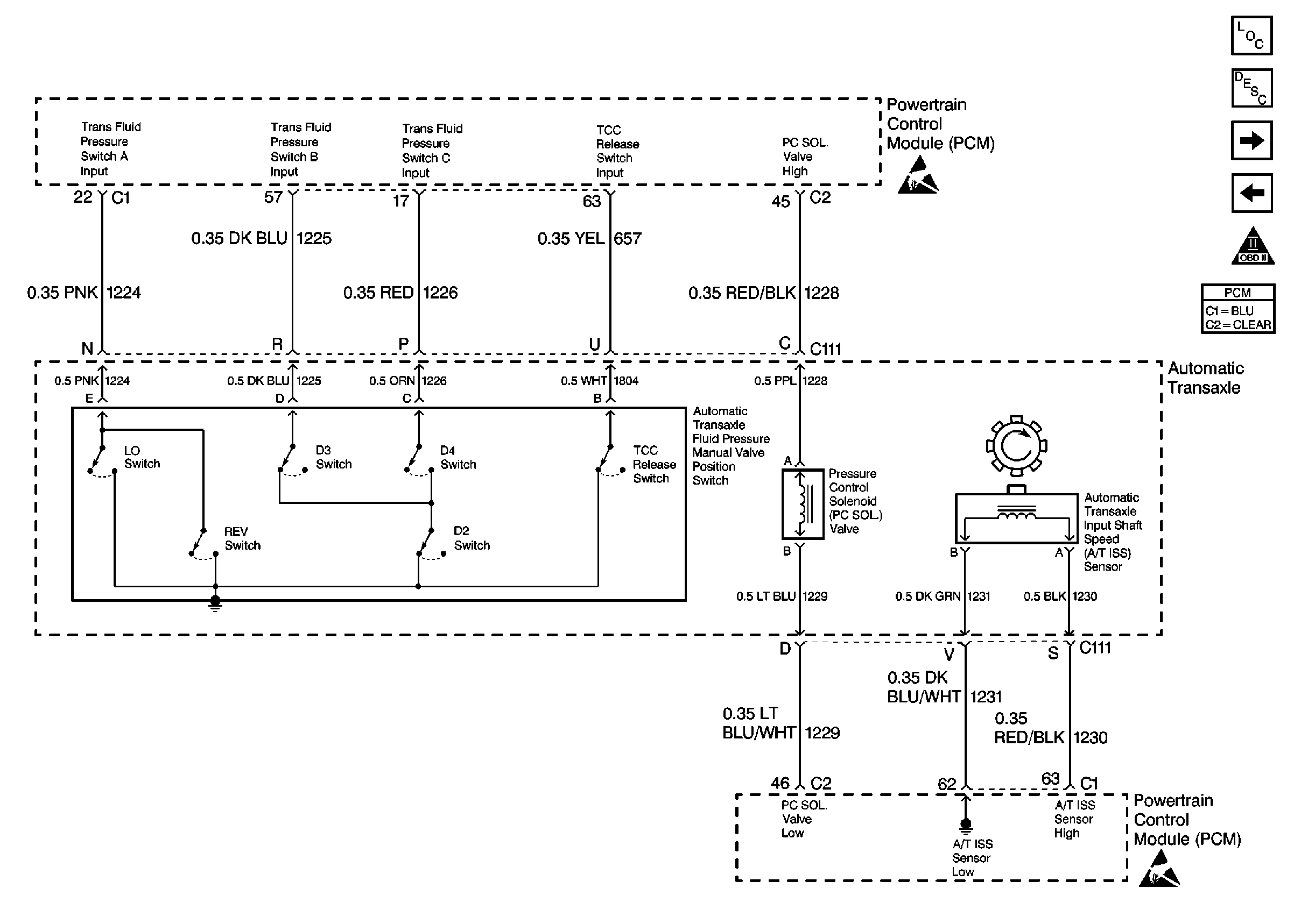
Automatic Transaxle TCC Switch (2 of 2)
PCM Power, VSS
OBD II Symbol Description Notice
Handling ESD Sensitive Parts Notice
ESD Notice
ESD Notice
Figure 3:

Automatic Transaxle TCC Switch (2 of 2)


Object Number: 380441  Size: FS
Automatic Transmission Components
Electronic Component Description
Transaxle Range Switch (1 of 2)
Automatic Transaxle TCC Switch (1 of 2)
OBD II Symbol Description Notice
ESD Notice
Powertrain Control Module Connector End Views
Cell 11: UH: A/C CLU, ELEK IGN, and TCC Fuses
Cell 10: Underhood Accessory Wiring Junction Block
Figure 4:

Transaxle Range Switch (1 of 2)


Object Number: 380446  Size: FS
Automatic Transmission Components
Electronic Component Description
Transaxle Range Switch (2 of 2)
Automatic Transaxle TCC Switch (2 of 2)
OBD II Symbol Description Notice
Powertrain Control Module Connector End Views
ESD Notice
ESD Notice
ESD Notice
Cell 14: G100, G111 and G113
Figure 5:

Transaxle Range Switch (2 of 2)


Object Number: 380447  Size: FS
Automatic Transmission Components
Electronic Component Description
Transaxle Range Switch (1 of 2)
OBD II Symbol Description Notice
Cell 10: Underhood Accessory Wiring Junction Block
Cell 10: Ignition Switch, Transaxle Range Switch
Cell 14: G200
Cell 14: G401
Cell 14: G401
Cell 14: G401