GM Service Manual Online
For 1990-2009 cars only
Makes
🢒
Chevrolet
🢒
1999
🢒
Venture
🢒 Cell 100: Headlamps
Cell 100: Headlamps
Cell 100: Headlamps
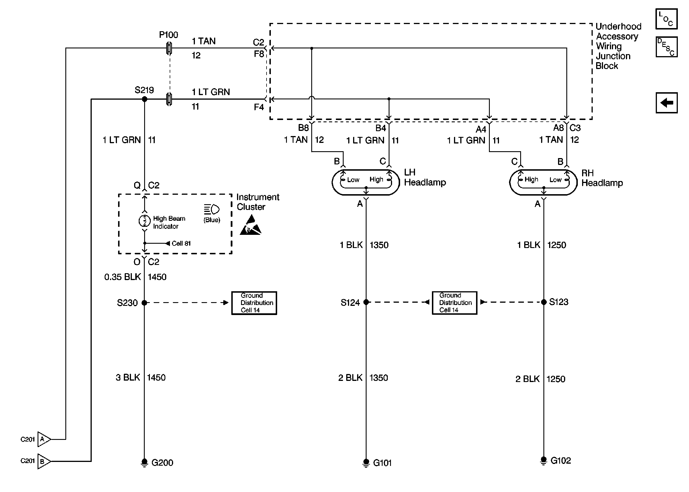
Lighting Systems Components
Headlights Circuit Description Domestic
Cell 100: Headlamp and IP Lamp Dimmer Switch
Cell 100: Headlamp and IP Lamp Dimmer Switch
Cell 100: Headlamp and IP Lamp Dimmer Switch
Handling ESD Sensitive Parts Notice
Cell 14: G200
Cell 14: G101 and G102