GM Service Manual Online
For 1990-2009 cars only
Makes
🢒
Chevrolet
🢒
1999
🢒
Venture
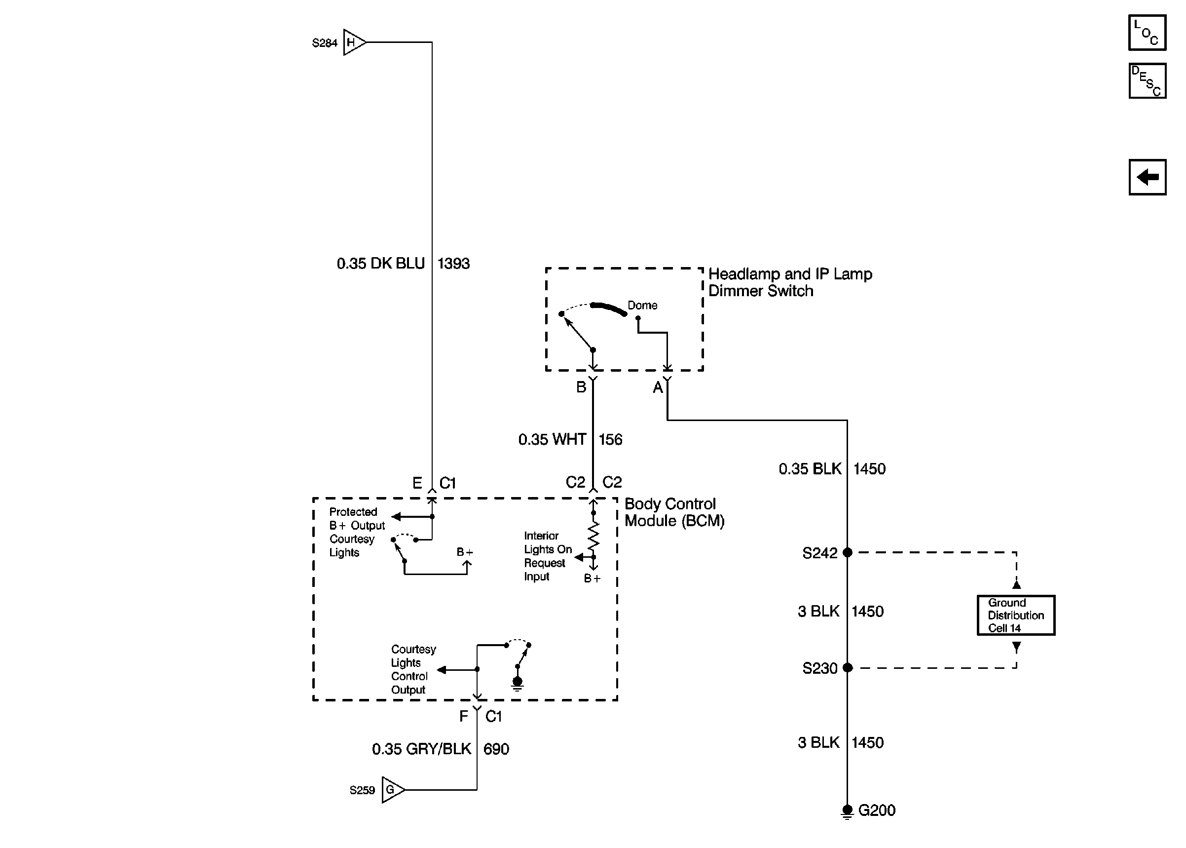
🢒 Cell 114: Headlamp and IP Lamp Dimmer Switch
Cell 114: Headlamp and IP Lamp Dimmer Switch
Cell 114: Headlamp and IP Lamp Dimmer Switch
Lighting Systems Components
Interior Lights Circuit Description
Cell 114: Underhood Lamp, Windshield Header/Courtesy Reading Lamps
Cell 114: Underhood Lamp, Windshield Header/Courtesy Reading Lamps
Cell 114: Underhood Lamp, Windshield Header/Courtesy Reading Lamps
Cell 14: G200