GM Service Manual Online
For 1990-2009 cars only
Makes
🢒
Chevrolet
🢒
1999
🢒
Venture
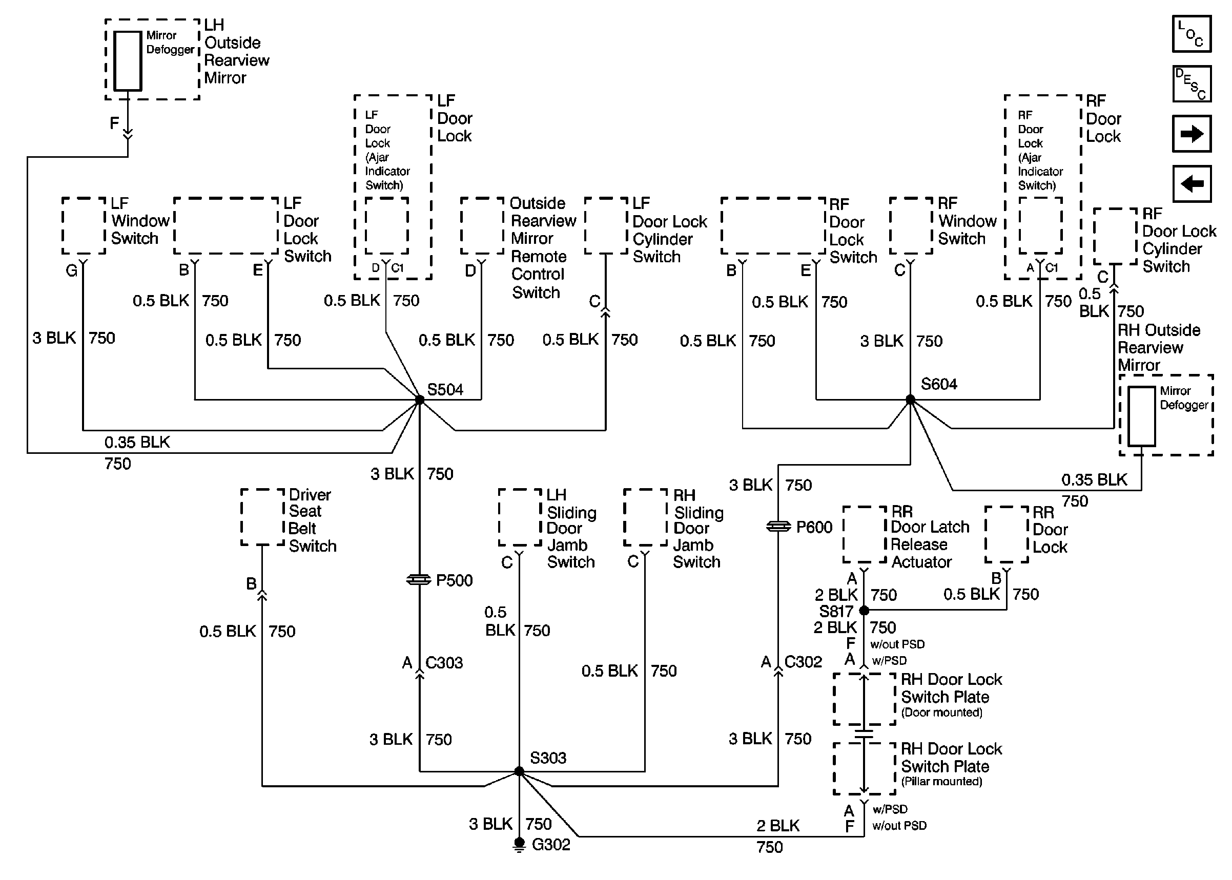
🢒 Cell 14: G302
Cell 14: G302
Cell 14: G302
Power and Grounding Components
Cell 14: G401
Cell 14: G302