GM Service Manual Online
For 1990-2009 cars only
Makes
🢒
Chevrolet
🢒
2000
🢒
Venture
🢒
HVAC
🢒
HVAC Systems - Manual
🢒 HVAC Air Delivery/Temperature Control Schematics
Figure
1:
Front Air Delivery
HVAC Components
HVAC Air Delivery/Temperature Control Circuit Description
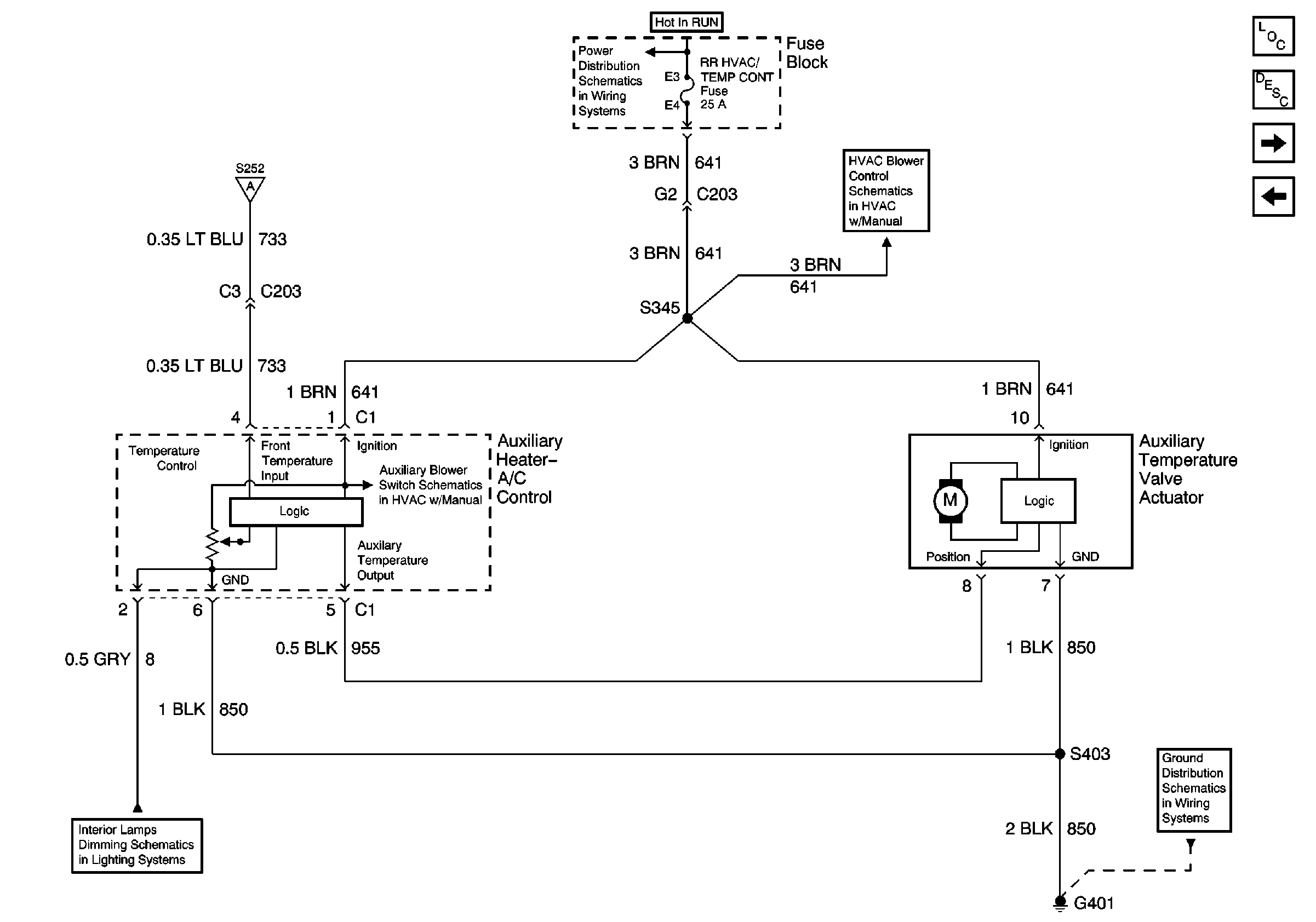
Rear Air Delivery
HVAC Compressor and Auxiliary Coollant Bypass Pump Controls
HVAC Compressor and Auxiliary Coollant Bypass Pump Controls
Rear Air Delivery
HVAC Compressor and Auxiliary Coollant Bypass Pump Controls
Handling ESD Sensitive Parts Notice
EBCM, BATT Main 1 and Radio Fuses
EBCM, BATT Main 1 and Radio Fuses
Interior Lights Dimming Schematics (Cell 117: Heater-A/C Control Switches and Instrument Cluster)
Cell 14: G200
HVAC/DIC/DRL/Heated Seat, HVAC Blower and RR HVAC/TEMP CONT Fuses
HVAC/DIC/DRL/Heated Seat, HVAC Blower and RR HVAC/TEMP CONT Fuses
Figure
2:
Rear Air Delivery
HVAC Components
HVAC Air Delivery/Temperature Control Circuit Description
Vacuums
Front Air Delivery
Front Air Delivery
Rear Blower Controls
HVAC/DIC/DRL/Heated Seat, HVAC Blower and RR HVAC/TEMP CONT Fuses
Interior Lights Dimming Schematics (Cell 117: Rear Window Wiper/Washer and Multifunction Switch, Window Switches, Door Lock Switches)
Cell 14: G401
Figure
3:
Vacuums
HVAC Components
HVAC Air Delivery/Temperature Control Circuit Description
Handling ESD Sensitive Parts Notice
Rear Air Delivery